NPM-W2 20170725.pdf - 第642页
133 安全カバー(前側):NPM-W2 Safety Cover(Front side):NPM -W 2 パーツレイアウト Kit No. キット 品番 Kit Name キット名称 MTKA006140AA セクションNo. PARTS LAYOUT Section No. - - O437 ( KMTKA006140AA-01 )

Ref
No.
Remarks R
1
Q'ty
132
銘板・警告ラベル(延長コンベア(デュアル)):NPM-W2
Label(Extension Conveyor (Dual)):NPM-W2
イラスト
No.
Part No.
品 名品 番 数量
R
2
パーツリスト
Kit No.
キット品番
Kit Name
キット名称
MTKA001471AA
Part Name
備 考
セクションNo.
PARTS LIST
Section No.
R
3
LABEL
3
1 N510048876AA
S
PC014101
O436
--
( KMTKA001471AA-03 )

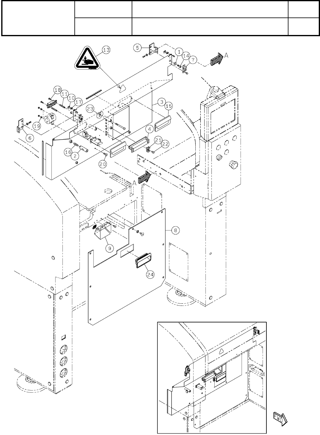
133
安全カバー(前側):NPM-W2
Safety Cover(Front side):NPM-W2
パーツレイアウト
Kit No.
キット品番
Kit Name
キット名称
MTKA006140AA
セクションNo.
PARTS LAYOUT
Section No.
--
O437
( KMTKA006140AA-01 )

Ref
No.
Remarks R
1
Q'ty
133
安全カバー(前側):NPM-W2
Safety Cover(Front side):NPM-W2
イラスト
No.
Part No.
品 名品 番 数量
R
2
パーツリスト
Kit No.
キット品番
Kit Name
キット名称
MTKA006140AA
Part Name
備 考
セクションNo.
PARTS LIST
Section No.
R
3
WASHER
2
1 N210167434AA
SHAFT
1
2 N210170877AA
COVER
1
3 N210167435AD
S
BRACKET
1
4 N210167438AB
COVER
1
5 N210167439AD
COVER
1
6 N210167440AD
BRACKET
2
7 N210167441AB
COVER
1
8 MTPB002217AA
BRACKET
1
9 N210141847AA Parts for IPO
PLATE
2
10 N210170879AB
SPACER
2
11 N510027348AA ASF-335E
LABEL
1
13 N986PC010101 PC010101
BOLT
2
14 N510032000AA SSC-M4X10
PULL
2
15 N510043714AA AP-183-2-black RoHS compliant product
SCREW
1
16 N510057108AA
Hexagon socket set screw Cup point M8X25-45H A2J (Trivalent)
SPACER
4
17 KXF08JNAA00 CU-305
BOLT
4
18 N510002760AA SRBS-M3X8
SPACER
2
19 N510015354AA
SCREW
2
20 N510018260AA
Cross recessed Truss head machine screw M4X12-4.8 A2S (Trivalent)
CABLE-SUPPORT
1
21 KXFP6J9YA00 KR8G5
BOLT
1
22 N510017554AA
SSS 003 Hexagon socket button head screw M6X10-10.9 A2J (Trivalent)
NUT
2
23 MTNK001287AA FSN-6001
PULL
1
24 N510062503AA AP-268-2-Black
O438
--
( KMTKA006140AA-01 )