00194439-10_SM_X-Serie_Kunde_de - 第160页
Servicearbeiten LP-Transport modular 3.6.5 DC-Getriebemotor tauschen [03009269-xx] 160 Serviceanleitung SIPLACE X-Serie 3.6.5 3 . 6 . 5 D C - G e t r ie b e m o t o r t a u s c h e n [ 0 3 0 0 9 2 6 9 - x x ] DC-Getriebe…

Servicearbeiten
3.6.4 Motorhalter komplett tauschen [00367172-xx] LP-Transport modular
Serviceanleitung SIPLACE X-Serie 159
3.6.4
3.6.4 Motorhalter komplett tauschen [00367172-xx]
Motorhalter komplett tauschen [00367172-xx]
Teile
▪ Motorhalter komplett [00367172-xx]
Übersicht
Ausbau
Einbau
► Montieren Sie den neuen Motorhalter in umgekehrter Reihenfolge.
Gehen Sie dazu für die Antriebseinheit wie in "3.6.2 Antriebseinheit komplett tauschen
[00359284‑xx]" [ ➙ 156] beschrieben vor.
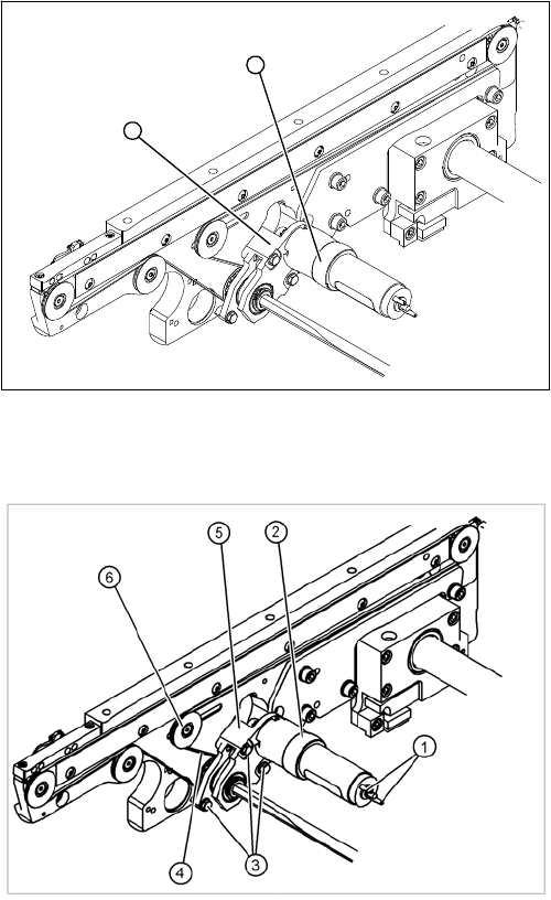
Die DC-Getriebemotoren (1) inkl. der Motorhalter (2) aller
fünf Transportbereiche sind baugleich. Folgende Unter-
schiede sind bei Demontage- und Montagearbeiten zu
beachten.
▪ Der Motorhalter ist je nach Einbaulage entsprechend
(schräg) montiert.
1
2
► Bauen Sie die Antriebseinheit wie in "3.6.2 Antriebs-
einheit komplett tauschen [00359284‑xx]" [ ➙ 156]
beschrieben aus.
► Entfernen Sie die drei Befestigungsschrauben (3)
der Motorhalterung.
► Ziehen Sie die Motorhalterung (5) vorsichtig ab, und
fädeln Sie dabei den Transportzahnriemen (4) vor-
sichtig aus.

Servicearbeiten
LP-Transport modular 3.6.5 DC-Getriebemotor tauschen [03009269-xx]
160 Serviceanleitung SIPLACE X-Serie
3.6.5
3.6.5 DC-Getriebemotor tauschen [03009269-xx]
DC-Getriebemotor tauschen [03009269-xx]
Übersicht
Ausbau
► Bauen Sie die Antriebseinheit wie in "3.6.2 Antriebseinheit komplett tauschen [00359284‑xx]"
[ ➙ 156] beschrieben aus. Beachten Sie dabei folgende Hinweise:
1. DC-Getriebemotor
2. Befestigungsschrauben
3. Zahnscheibe (Transportzahnriemen)
4. Zahnscheibe (Zahnriemen LP-Transport-Antrieb)
Die DC-Getriebemotoren inkl. der Motorhalter aller
fünf Transportbereiche sind baugleich. Folgende Unter-
schiede sind bei Demontage- und Montagearbeiten zu
beachten:
▪ Der Motorhalter ist je nach Einbaulage entsprechend
(schräg) montiert.
1
4
3
2
HINWEIS
Sechskantwelle
Die Demontage des Getriebemotors kann im Transport an der Antriebseinheit geschehen. Ein
Lösen der Sechskantwelle ist daher nicht notwendig!
VORSICHT
Zahnriemen nicht beschädigen!
Der Zahnriemen darf nicht gedehnt oder geknickt werden!
Der minimale Radius des Zahnriemens beträgt 16 mm.

Servicearbeiten
3.6.5 DC-Getriebemotor tauschen [03009269-xx] LP-Transport modular
Serviceanleitung SIPLACE X-Serie 161
Einbau
► Lösen Sie von der festen Transportaußenseite her
die Befestigung (2) des DC-Getriebemotors (5).
► Kippen Sie den DC-Getriebemotor (5) etwas, so dass
der kleine Anriebszahnriemen (3) aus der Zahnschei-
be frei kommt.
► Ziehen Sie den DC-Getriebemotor heraus.
► Beachten Sie: Die Zahnscheibe auf der Motorwelle
muss so herausbewegt werden, dass sie sich nicht
im Zahnriemen verhakt.
5
1
4
3
2
HINWEIS
Unterbrechung im Motorkabel
Falls Sie mittels Durchgangsmessung eine Unterbrechung im Motorkabel festgestellt haben,
muss das Motorkabel bis zur Umsetzplatine Transportwange (siehe gleichlautende
Schaltpläne) ausgefädelt und entsprechend abgesteckt werden.
Bedingt durch die Kabelführung im Maschinenständer-Innenraum kann dies etwas komplex
sein.
► Benachrichtigen Sie für diese Arbeit ggf. den SIPLACE-Service.
VORSICHT!
Zahnriemen nicht beschädigen!
Der Zahnriemen darf nicht gedehnt oder geknickt wer-
den!
► Setzen Sie den neuen DC-Getriebemotor (5) in um-
gekehrter Reihenfolge ein.
Der Zahnriemen (3) muss auf seiner gesamten Breite
in Eingriff an der oberen und unteren Zahnscheibe
sein.
► Befestigen Sie den DC-Getriebemotor (5) mit den
vier Innensechskantschrauben M3 (2).
► Spannen Sie den Zahnriemen (3) durch Verschieben
des DC-Getriebemotors in den Befestigungslöchern.
Die Riemenspannung muss zwischen 10 und 15 N
liegen.
► Montieren Sie die Antriebseinheit wie in "3.6.2 An-
triebseinheit komplett tauschen [00359284‑xx]"
[ ➙ 156] beschrieben.
5
1
4
3
2