00194439-10_SM_X-Serie_Kunde_de - 第171页
Servicearbeiten 3.6.9 Stangendämpfer-Hubtisch (Dämpfungseinh eit) tauschen [00358684-xx] LP-Transport modular Serviceanleitung SIPLACE X-Serie 171 3.6.9 3 . 6 . 9 S t a n g e n d ä m p f e r - H u b t is c h ( D ä m p f …

Servicearbeiten
LP-Transport modular 3.6.8 Hubtischeinheit tauschen
170 Serviceanleitung SIPLACE X-Serie
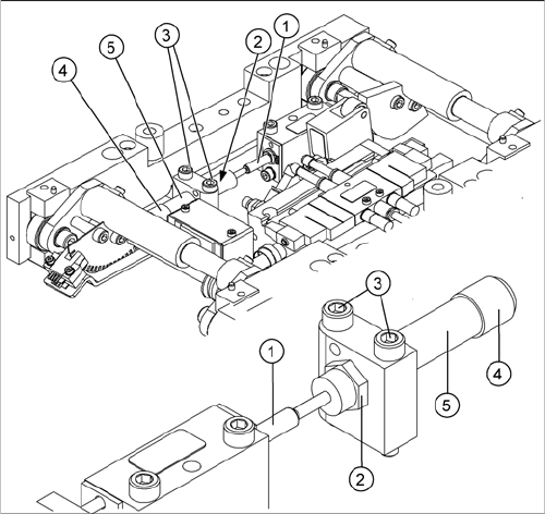
► Lösen Sie die Befestigungsschrauben (2) und (3) der Hubtischeinheit.
► Entfernen Sie die Abdeckung der Umsetzplatine-Transport und stecken Sie das Anschlusskabel (4)
der Hubtischeinheit ab.
► Lösen Sie den Pneumatikanschluss (5).
► Heben Sie den Hubtisch (6) vorsichtig aus der Verstiftung heraus.
Einbau
► Überprüfen Sie die Geschwindigkeit des Hubtisches und die Funktion der Leiterplatten-Klemmung
ohne die Hubtischplatte.
► Stellen Sie die Werte ggf. neu ein. ("5.4.8 Hubtischfunktionen" [ ➙ 346])
► Legen Sie die Hubtischplatte (1) vorsichtig auf die Hubtischeinheit und schrauben Sie die Befesti-
gungsschrauben diagonal fest, damit die Hubtischplatte nicht verkantet.
► Überprüfen Sie die Geschwindigkeit des Hubtisches mit eingebauter Hubtischplatte.
VORSICHT
Schraubenpositionen!
Die direkt neben (2) befindlichen Schrauben dürfen auf keinen Fall gelöst werden! Ansonsten
verstellt sich die Hubtischmechanik und kann später aufgrund von Verspannungen zu
erhöhtem Verschleiß führen.
VORSICHT
Schweres Maschinenteil!
Beachten Sie beim Herausheben das Gewicht des Hubtisches von 17,5kg.
VORSICHT!
Hubtischventil entlüften!
Bei der SIPLACE X4I bzw. beim LP-Transport mit
Pufferlänge 35 mm muss vor der Wiedermontage muss
der Eingang 2 des Hubtischventils zunächst entlüftet
werden. Dadurch wird die Mechanik frei beweglich.
Die Hubtischmechanik kann dadurch bei der Montage
angehoben werden, um ein Verkanten der Hubtischplatte
zu vermeiden.
► Heben Sie die Hubtischeinheit (6) in die Maschine
und setzen Sie diese in die Verstiftung ein.
► Schrauben Sie die Befestigungsschrauben (2)
und (3) ein.
► Stellen Sie den elektrischen (4) und
pneumatischen (5) Anschluss wieder her.
HINWEIS!
Verlegen Sie die Kabel unter der Mechanik hindurch, so
dass diese nicht bei der Aufwärtsbewegung des Hubti-
sches beschädigt werden können.

Servicearbeiten
3.6.9 Stangendämpfer-Hubtisch (Dämpfungseinheit) tauschen [00358684-xx] LP-Transport modular
Serviceanleitung SIPLACE X-Serie 171
3.6.9
3.6.9 Stangendämpfer-Hubtisch (Dämpfungseinheit) tauschen [00358684-xx]
Stangendämpfer-Hubtisch (Dämpfungseinheit) tauschen [00358684-xx]
Übersicht
Benötigte Hilfsmittel und Werkzeuge
▪ Drehmomentschlüssel mit Einsteckknarre [00386175-xx]
▪ Maul-Einsteckwerkzeug SW16 [00386177-xx]
Ausbau
1. Betätiger
2. Kontermutter
3. Befestigungsschrauben
4. Griff
5. Stangendämpfer [00358684-xx]
Durch den Stangendämpfer wird der Hubtisch sanft nach
oben gefahren. So wird beim Klemmen der Leiterplatte
ein zu starkes Prellen verhindert.
Der Stangendämpfer beinhaltet den Stossdämpfer
[00367737-xx] sowie den Dämpferblock [00367782-xx].
► Fahren Sie den LP-Transport in die Position, in der
Sie den Hubtisch am Besten erreichen können.
► Verfahren Sie die Y-Portale bis in den Bereich
außerhalb des LP-Transports.
► Schalten Sie den Automaten aus, und sichern Sie ihn
gegen Wiedereinschalten.
► Lösen Sie die Befestigungsschrauben der Hubtisch-
platte und entfernen Sie die Hubtischplatte von der
Hubtischeinheit.
► Lösen Sie die beiden Befestigungsschrauben (3) des
Stangendämpfers (5).
► Lösen Sie die Kontermutter (2) und drehen Sie den
Stangendämpfer mit dem Griff (4) aus dem Befesti-
gungsblock heraus.

Servicearbeiten
LP-Transport modular 3.6.9 Stangendämpfer-Hubtisch (Dämpfungseinheit) tauschen [00358684-xx]
172 Serviceanleitung SIPLACE X-Serie
Einbau und Justage
► Drehen Sie den neuen Stangendämpfer (5) in den
Befestigungsblock ein, bis der Stößel am Betätiger
(1) leicht ansteht, damit der Hubtisch sanft nach oben
fahren kann.
► Drehmomentschlüssel verwenden:
Sichern Sie diese Stellung mit der Kontermutter (2)
mit 8 Nm.
► Kontrollieren Sie, ob der Stangendämpfer im Befesti-
gungsblock mit der Kontermutter fixiert ist und der
Stößel des Stangendämpfers 0,1 mm Abstand zum
Betätiger hat (Spalt im unbetätigten Zustand). Mit die-
ser Grundeinstellung soll der Hubtisch sanft nach
oben fahren.
► Sollte dies nicht der Fall sein, lösen Sie die Konter-
mutter und drehen den Stangendämpfer ca. eine Um-
drehung in den Befestigungsblock ein.
► Montieren Sie die Hubtischplatte.
► Starten Sie SITEST und fahren Sie den Hubtisch
nach oben.
► Der Hubtisch muss sanft nach oben fahren. d. h. es
darf kein lautes Einrasten der LP-Klemmung erkenn-
bar sein und keine Fehlermeldung der LP-Klemmung
auftreten.
► Kontrollieren Sie die Geschwindigkeit des Hubtisch-
zylinders und korrigieren diese, falls notwendig.