00194439-10_SM_X-Serie_Kunde_de - 第310页
Einstellarbeiten Achsansteuerung 5.2.4 C&P20 310 Serviceanleitung SIPLACE X-Serie 5.2.4.5 5 . 2 . 4 . 5 A c h s a n s t e u e r u n g d e r D P - A c h s e Achsansteuerung der DP-Achse Überprüfung der Dynamik DP-Achs…

Einstellarbeiten
5.2.4 C&P20 Achsansteuerung
Serviceanleitung SIPLACE X-Serie 309
Überprüfung der Dynamik Z-Achse
Messaufbau
Die Positionierzeit für die Z-Achse beträgt 30 ms +/-3 ms (6er-Kopf), die des 12er-Kopfs 24 +/-1 ms
DLM2 für 685 Digit. Die Positionierzeit Z-C&P20 für 15 mm (gleich der DLM2-Strecke) beträgt in beiden
Richtungen 20 ms. Für den Weg 0-10000 Digit (10 mm) soll die Positionierzeit 16,7 ms betragen.
Positionieren Sie die Portale so, dass die Z-Achse über der Kalibrierteilposition steht.
SITEST:
► Wählen Sie C&P Köpfe ==> Kopf auswählen ==> Achsfunktionen
==> Z-Achse auswählen ==> Achsdauerlauf auswählen und Werte in Digit editieren, übernehmen.
Zielposition = 10000 Digit (10 mm); Positionierart = absolut.
Signalbeispiel C&P20 Z-Achse mit dem Steuersignal am Vnom. Ausgang
HINWEIS
Analoger Messaufbau
Der Messaufbau erfolgt analog zum Messaufbau der Sternachse.
Dynamiksignale Z-Achse C&P20 – 15,4 mm Weg
1. Motorphasenstromsignal (V
nom
Ausgang)
2. Unkommutiertes Stromsignal V
reg
3. Positionsabweichung
4. Endemeldung
15,4 mm (Strecke DLM2) Positionierung mit der Z-Achse
in den freien Raum
Dynamiksignale Z-Achse C&P20 – Kalibrierteiltasche
1. Motorphasenstromsignal (V
nom
Ausgang)
Positionierung jeweils aufwärts
2. Unkommutiertes Stromsignal V
reg
Positionierung abwärts
3. Positionsabweichung
4. Endemeldung
6,8 mm Positionierung mit der Z-Achse in die Kalibrier-
teiltasche

Einstellarbeiten
Achsansteuerung 5.2.4 C&P20
310 Serviceanleitung SIPLACE X-Serie
5.2.4.5
5.2.4.5 Achsansteuerung der DP-Achse
Achsansteuerung der DP-Achse
Überprüfung der Dynamik DP-Achse
Messaufbau
Der SIPLACE-Servicetechniker kann mit spezieller SW einen Funktions-Dauerlauf starten, bzw. im SI-
TEST (Servicepasswort) die Positionierzeiten der einzelnen DP-Antriebe überprüfen.
SITEST:
► Wählen Sie C&P Köpfe ==> Kopf auswählen ==> Achsfunktionen
==> DP-Achse auswählen ==> Achsdauerlauf auswählen und Werte in 1/100° eingeben (Startposi-
tion 0 – Zielposition 18000) Positionierzeit = absolut
= Start
⇨ Der angezeigte Wert für jede einzelnen DP-Achse sollte bei 180° kleiner 300 ms sein.
Achsansteuerung DP-Achse eines Segmentes des
C&P20
Die DP-Achse des DLM2-Kopfes wird über einen DC-
Servomotor angetrieben. Dei DP-Achsen der C&P20-
Segmente werden durch eine DP-Masterplatine und eine
"on board"-Direktsteuerung positioniert. Die Ansteuerung
erfolgt über CAN-Bus der jeweiligen Kopfplatine. Die Zwi-
schenkreisspannung beträgt ca. 24 V. Es erfolgt kein ein-
oder ausschwenken einer Drehstation wegen des Direkt-
antriebes im Segmentantriebsmotor.
Der MC überträgt die die Aktivierungskommandos über
den Maschinen-CAN-Bus an den Kopfprozessor.
Dieser aktiviert über vier DP-Tasks und das Kopf-CAN-
Bussystem mit Aktivierungskommandos über
▪ Kopfadapter,
▪ Zwischenverteiler,
▪ die Schleifringe des E/D-Übertrager an das Mother-
board mit dem DP-Master.
Die Steuerung des DP-Motors im Segment erfolgt an der
DP-Ansteuerplatine mit Hilfe der Zählimpulse des integ-
rierten HALL-Inkrementalgebers.
HINWEIS
Keine Messpunkte
Es sind keinerlei Messpunkte der C&P20-Drehantriebe zugänglich.

Einstellarbeiten
5.2.5 TwinHead Achsansteuerung
Serviceanleitung SIPLACE X-Serie 311
5.2.5
5.2.5 TwinHead
TwinHead
5.2.5.1
5.2.5.1 Überblick Achsansteuerung Z- und D-Achse
Überblick Achsansteuerung Z- und D-Achse
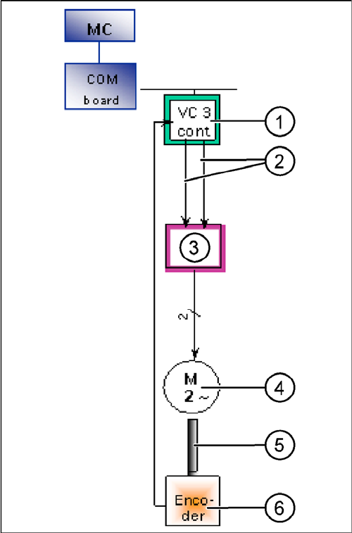
Achsansteuerung Beispiel D-Achse
Das Achsansteuerungssystem des geschlossenen Re-
gelkreises für den TwinHead besteht im wesentlichen
aus folgenden Hauptkomponenten.
▪ Achscontroller A363 mit VC3-Controller oder A364
▪ Servoverstärker (SDS)
▪ Motor
▪ Positionsmesssystem Inkrementalmassstab und -ge-
ber (Encoder)
1. Achscontrollerplatine A363 mit VC3-Controller (VC =
Velocity Commutation / Geschw. Kommutierungs-
Controller)
2. Steuerungssignale I nom "W" und I nom "U"
3. Funktion Servoverstärker: Motorstrombegrenzer di-
mensioniert nach Halbleiter oder Motorlast
Verstärken der Achscontrollersignale. Ermitteln des
dritten Motorstromsignals. Erzeugen der drei (2) AC-
Motorsignale aus der DC-Versorgung.
Die Z/D-Servoausgangssignale sind direkt an die
Motoren angeschlossen. Das garantiert die Bedie-
nersicherheit bei geöffneten Schutzhauben.
4. Z-Achse hat einen 3-Phasen-AC-Motor mit einge-
bautem Temperatursensor.
D-Achse hat einen 2-Phasen-Motor
5. Der Motor und der Inkrementalgeber sind miteinan-
der starr verbunden.
6. Inkrementalgeber: ermittelt die exakte Position der
Achse aufgrund der Spursignale.