00194439-10_SM_X-Serie_Kunde_de - 第36页
Modul-Übersicht Elektrik 2.2.6 Unterverteiler 36 Serviceanleitung SIPLACE X-Serie 2.2.6 2 . 2 . 6 U n t e r v e r t e ile r Unterverteiler Über den Unterverteiler in Sektor 4 werden Signale und Spannung en an die verschi…

Modul-Übersicht
2.2.5 Hauptverteiler Elektrik
Serviceanleitung SIPLACE X-Serie 35
2.2.5.2
2.2.5.2 Hauptverteiler (X-Serie ab Ma-Nr. B326)
Hauptverteiler (X-Serie ab Ma-Nr. B326)
Hauptverteiler (X-Serie ab Ma-Nr. B326, X4I) [03046225-
xx]
1. Klemmenleiste X1qa (GND, +5 V, +15 V, -15 V,
+24 V, verschiedene Signale)
2. DC/DC-Wandler für die Beleuchtung aller Kameras
(LP-, BE- und stationäre Kameras) im
Bestückbereich 2
3. Steckplatz für Interface 1-Wire CAT5
4. CAN-Bus-E/A-Modul (A1)
5. Anschlussleiste (Anschluss X2qa - X6qa, X71qa -
X74qa und X9qa - X24qa)
6. Relais K2 schaltet die Druckluftversorgung für die
Bestückköpfe aus (Konfigurierbar in der Stationssoft-
ware)

Modul-Übersicht
Elektrik 2.2.6 Unterverteiler
36 Serviceanleitung SIPLACE X-Serie
2.2.6
2.2.6 Unterverteiler
Unterverteiler
Über den Unterverteiler in Sektor 4 werden Signale und Spannungen an die verschiedenen Baugruppen
verarbeitet und weitergeleitet.
2.2.6.1
2.2.6.1 Unterverteiler (X-Serie bis Ma-Nr. B325)
Unterverteiler (X-Serie bis Ma-Nr. B325)
2.2.6.2
2.2.6.2 Unterverteiler (X-Serie ab Ma-Nr. B326)
Unterverteiler (X-Serie ab Ma-Nr. B326)
Unterverteiler [03010005-xx]
(X-Serie bis Ma-Nr. B325)
1. Klemmenleiste X1ra (GND,+5 V,+15 V,-
15 V,+24 V,+52 V, verschiedene Signale)
2. DC/DC-Verteiler für die Beleuchtung aller Kameras
(LP-, BE- und stationäre Kameras) im
Bestückbereich 2
3. Steuerplatine Beleuchtung für Visionsystem für
stationäre Kameras Bestückbereich 1 (zukünftige
Anwendung) (A4)
4. CAN-E/A-Modul (A1)
5. Anschlussleiste (Anschluss X3ra - X6ra, X71ra-
X74ra, X10ra - X24ra)
6. 8-fach UND-Verknüpfung für Sicherheitskreis (A5)
7. Steckplatz für Interface 1-Wire CAT5
Unterverteiler [03046226-xx]
(X-Serie ab Ma-Nr. B326, X4I)
1. Klemmenleiste X1ra (GND,+5 V,+15 V,-
15 V,+24 V,+52 V, verschiedene Signale)
2. DC/DC-Verteiler für die Beleuchtung aller Kameras
(LP-, BE- und stationäre Kameras) im
Bestückbereich 1
3. Steckplatz für Interface 1-Wire CAT5
4. CAN-E/A-Modul (A1)
5. Anschlussleiste (Anschluss X3ra - X6ra, X71ra-
X74ra, X10ra - X24ra)
6. F1: Sicherung für die Haubenlüfter
7. K3: Relais für Haubenlüfter
8. K1: Dieses Relais schaltet das Hauptventil in der
Pneumatikeinheit.

Modul-Übersicht
2.2.6 Unterverteiler Portale
Serviceanleitung SIPLACE X-Serie 37
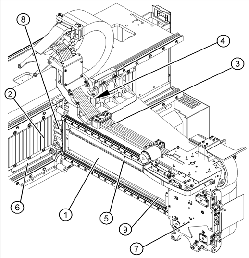
2.3
2.3 Portale
Portale
Übersicht
Sehen Sie dazu auch...
3.3 Portale [ ➙ 85]
1. X-Achse
2. Y-Achse
3. Kabelschlepp
4. Kühlschläuche für Kühlung Y-Motor
5. X-Maßstab
6. Y-Maßstab
7. X-Antrieb (Primär)
8. Y-Antrieb (Primär)
9. Referenzbero-Leiste – bei Einsatz von Achskarte
A364 ohne Funktion