00194439-10_SM_X-Serie_Kunde_de - 第384页
Platinenbeschreibung BE-Einzug 6.5.1 Anschlussbaugruppe FCU [0 3059783-xx] 384 Serviceanleitung SIPLACE X-Serie 6.5 6 . 5 B E - E in z u g BE-Einzug 6.5.1 6 . 5 . 1 A n s c h lu s s b a u g r u p p e F C U [ 0 3 0 5 9 7 …

Platinenbeschreibung
6.4.2 Steuereinheit am Schneidgerät (CAN-Knoten) Schneidgerät
Serviceanleitung SIPLACE X-Serie 383
6.4.2
6.4.2 Steuereinheit am Schneidgerät (CAN-Knoten)
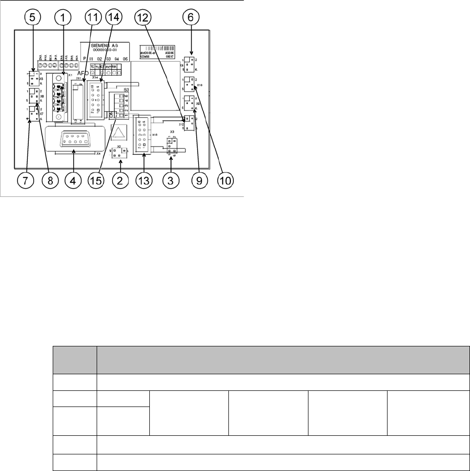
Steuereinheit am Schneidgerät (CAN-Knoten)
Mit dem CAN-Knoten wurde für die SIPLACE X4I, HF, D3 und X-Serien-Maschinen eine neue Steuer-
platine [03052927-xx] entwickelt. Diese steuert sowohl das Schneidgerät als auch den Pipettenwechsler
des jeweiligen Stellplatzes an. Wird bei älteren Maschinen diese Steuerung eingebaut, müssen in
Abhängigkeit zum Einbauort an der Maschine die entsprechenden Jumper für die CAN-Bus-Adressie-
rung gesetzt werden.
Beschreibung Modul CAN-Knoten PPW Gurtschneider
Diese Platine ist zur alten Gurtschneiderplatine rückwärtskompatibel. Sie kann an X-, HF- und D-Serien-
Maschinen eingesetzt werden.
Abhängig davon, welche Kabel verbunden und welche DIP-Schalter gesetzt sind, entscheidet der CAN-
Prozessor welche Funktionen er an welchem Stellplatz zu kontrollieren hat.
DIP-Schalter-Gruppe S3 - Übersicht
1)
Je nach Maschinentyp sind nicht alle Portale verfügbar.
2)
Auch wenn kein Pipettenwechsler verbaut ist und nur der Gurtscheider angesteuert wird muss dieser
Schalter wegen der Abwurfbehälterabfrage und der Abblasstation auf OFF stehen.
X-Serien-Maschine mit CAN-Knoten
Das Kabel von der Maschine (Kabelbaum Maschine) muss wie in der Auflistung gebrückt sein:
*112: Portal 1: 10/11/12 gebrückt
*122: Portal 2: 11/12 gebrückt
*132: Portal 3: 10/12 gebrückt
*142: Portal 4: nicht gebrückt
Modul CAN-Knoten PPW Gurtschneider
1. X1 – Energieversorgung mit automatischer CAN-ID
2. X2 – Energieversorgung Gurtschneider +24 V/+5 V
3. X3 – Abwurfbehälter (Pipetten, Bauteile)
4. X4 – CAN-Bus-Anschluss
5. X5 – Energieversorgung Ventil (links)
6. X6 – Energieversorgung Ventil (rechts)
7. X7 – Bero Hub-Zylinder ausgefahren (links)
8. X8 – Bero Hub-Zylinder eingefahren (links)
9. X9 – Bero Hub-Zylinder ausgefahren (rechts)
10. X10 – Bero Hub-Zylinder eingefahren (rechts)
11. X11 – Test-Stecker Gurtschneider
12. X12 – Druckluftventil (zusätzliche Drucklufteinheit
zum Bauteile abzuwerfen)
13. X13 – Pipettenwechsler Reihe 1
14. X14 – Pipettenwechsler Reihe 2
15. DIP-Schalter-Gruppe S3 (s. u.)
DIP-
Schalter
Bedeutung des DIP-Schalters
1ON: Einstellung der CAN-ID über die DIP-Schalter 2 und 3 – OFF: Cable Select
2 CAN-ID 0
ON: Portal 1
1)
ON
OFF: Portal 2
1)
ON
ON: Portal 3
1)
OFF
OFF: Portal 4
1)
OFF: Cable Se-
lect
3 CAN-ID 1
4
ON: Nur Gurtschneider – OFF: Pipettenwechsler und Gurtschneider
2)
5ON: Modul im Reset-Modus – OFF: Modul im Standard-Modus

Platinenbeschreibung
BE-Einzug 6.5.1 Anschlussbaugruppe FCU [03059783-xx]
384 Serviceanleitung SIPLACE X-Serie
6.5
6.5 BE-Einzug
BE-Einzug
6.5.1
6.5.1 Anschlussbaugruppe FCU [03059783-xx]
Anschlussbaugruppe FCU [03059783-xx]
03059783-04
LED (Testmodus für Abwurfbehälter ausgeschaltet – S2.1 ON) [03059783-04]
LED (Testmodus für Abwurfbehälter eingeschaltet – S2.1 OFF) [03059783-04]
LED Farbe Status Signalname Beschreibung
H1, H2, H3, H4 GN Lauflicht LED1, 2, 3, 4 FCU OK
H1, H2, H3, H4 GN ON LED1, 2, 3, 4 Applikation der eSW fehlt
H1, H2, H3, H4 GN Blinken LED1, 2, 3, 4 FCU Fehler, Automat neu
booten oder FCU tauschen
LED Farbe Status Signalname Beschreibung
H1 oder H2 oder
H3 oder H4
GN Blinkt LED1 oder 2
oder 3 oder 4
Kein Sensor für
Abwurfbehälter 1 oder 2
oder 3 oder 4 angeschlos-
sen
H1 oder H2 oder
H3 oder H4
GN OFF LED1 oder 2
oder 3 oder 4
Sensor für Abwurfbehälter
1 oder 2 oder 3 oder 4 an-
geschlossen und kein
Abwurfbehälter eingesetzt
H1 oder H2 oder
H3 oder H4
GN ON LED1 oder 2
oder 3 oder 4
Sensor für Abwurfbehälter
1 oder 2 oder 3 oder 4 an-
geschlossen und
Abwurfbehälter eingesetzt

Platinenbeschreibung
6.5.1 Anschlussbaugruppe FCU [03059783-xx] BE-Einzug
Serviceanleitung SIPLACE X-Serie 385
Taster S1 [03059783-04]
DIP-Schalter S2 [03059783-04]
Taster Status Funktion Beschreibung
S1 OFF RESET Wenn gedrückt
Schalter Status Signalname Beschreibung
S2.1 ON/OFF FCU_ENV3 ON: Testmodus für Abwurfbehälter ausge-
schaltet
OFF: Testmodus für Abwurfbehälter einge-
schaltet
S2.2 OFF FCU_ENV2 40-fach-FCU
S2.3 ON/OFF FCU_ENV1 ON: Ohne Einzugssteuerung, mit virtuellem
Taster
OFF: mit Einzugssteuerung, ohne virtuellem
Taster
S2.4 ON/OFF FCU_ENV0 ON: mit Gurtschneider- und mit Pipetten-
wechsler-Funktionalität
OFF: ohne Gurtschneider- und ohne Pipet-
tenwechsler-Funktionalität