SP-0023-001 - 第11页
Key No. P AR T No. P AR T NAME Q’ty REMARKS NOTE G-S1 18-08 0509-001 9 1 630 104 8215 BLOCK 1 2 630 1 15 2271 BLOCK 1 3 630 097 3105 PLA TE 1 4 630 097 31 12 BLOCK 1 5 630 097 3129 PLA TE 2 6 630 1 15 2257 SHAFT 2 7 630 …

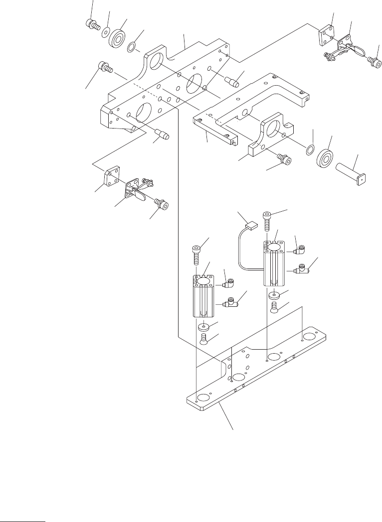
G-S118-08
0509-001
8
プロフローユニット
Pro Flow Unit
Fig. PF-1
トランスファー部
Transfer Section
P-S118-08 G-S118-08
8
11
13
12
14
14
9
12
13
11
52
56
.
57
.
52
56
.
57
.
51
56
.
57
.
51
56
.
57
.
6
2
15
5
53
52
7
53
3
10
53
5
52
4
1
9

Key No. PART No. PART NAME Q’ty REMARKS
NOTE
G-S118-08
0509-001
9
1 630 104 8215 BLOCK 1
2 630 115 2271 BLOCK 1
3 630 097 3105 PLATE 1
4 630 097 3112 BLOCK 1
5 630 097 3129 PLATE 2
6 630 115 2257 SHAFT 2
7 630 097 3143 BLOCK 1
8 630 118 0823 COVER 1
9 630 096 1140 BRACKET 2
10 630 115 2264 SHAFT 2
11 630 096 1232 PLATE 2
12 630 094 8424 PLATE 4
13 630 094 8431 PLATE 4
14 630 108 9263 MECH PARTS 4
15 630 104 8246 SPRING 2 UF5-15
51 630 000 7503 BOLT,HEX-SCT 4 M3X6
52 630 000 7527 BOLT,HEX-SCT 14 M3X10
53 411 140 7208 SCR FLT 4X6 6 M4X6 FLT
56 411 141 2806 WASHER SPR 3 14 SW3
57 411 141 3902 WASHER V 3X7X0.5 14 FW3
PF-1

G-S118-09
0509-001
10
プロフローユニット
Pro Flow Unit
Fig. PF-2
プレッシャー部
Pressure Section
P-S118-09 G-S118-09
122
103
120
108
119
106
121
103
122
107
119
108
105
101
115
117
104
157
104
157
115
116
116
151
152
153
162
.
167
.
153
162
.
167
.
154
170
163
.
168
.
156
164
.
169
.
155
164
.
169
.
102
114
11
3