SM421_TRM(Ver9.6_CS14.24)_66DC7 - 第7页

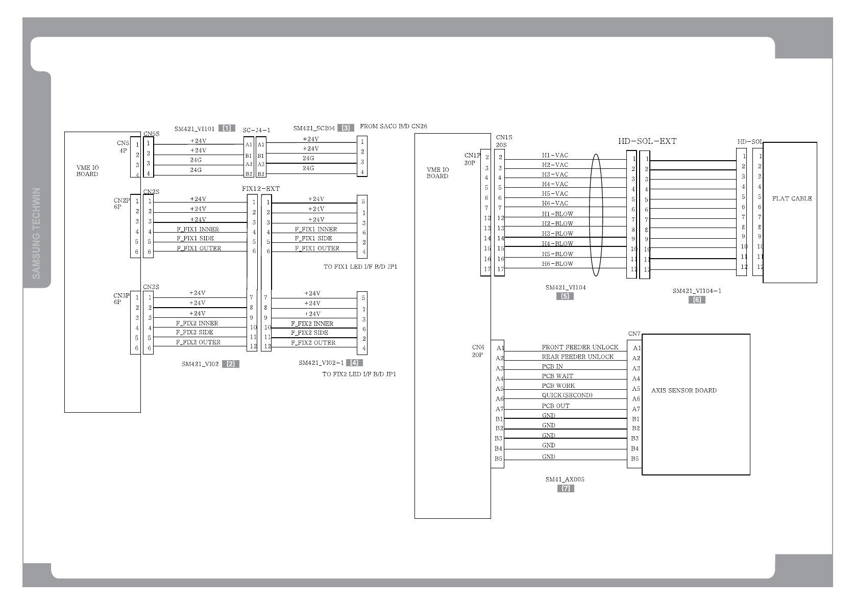
Page 140 S M4 2 1 VM E IO Board Interface NO. P ART NO . P ART NAME Q'TY Old No. Stock Apply Reference 1 AM 03-00 3704A VM E_I O_B D_P OW ER_CA BLE _AS SY 1 2 AM 03-00 3910A CA BLE AS SY -F IX I LL IF 1 3 AM 03-00 3…

100%1 / 111
Page
139
SM421
VME IO Board Interface
Page
140
SM421
VME IO Board Interface
NO. PART NO. PART NAME Q'TY Old No. Stock Apply Reference
1 AM03-003704A VME_IO_BD_POWER_CABLE_ASSY 1
2 AM03-003910A CABLE ASSY-FIX ILL IF 1
3 AM03-003617A CABLE ASSY-BD_PW_SC_J4 1
4 AM03-003561A CABLE ASSY-FIX_ILL_IF_EXT 1
5 AM03-003562A CABLE ASSY-HD_VAC_BLOW_CONT 1
6 AM03-003563A CABLE ASSY-HD_VAC-BLOW_CONT_EXT 1
7 J90831427C AXIS_VME_IF_CABLE_ASSY 1
Page
141
SM421
VME IO Board Interface
NO. PART NO. PART NAME Q'TY Old No. Stock Apply Reference