SM421_TRM(Ver9.6_CS14.24)_66DC7 - 第30页
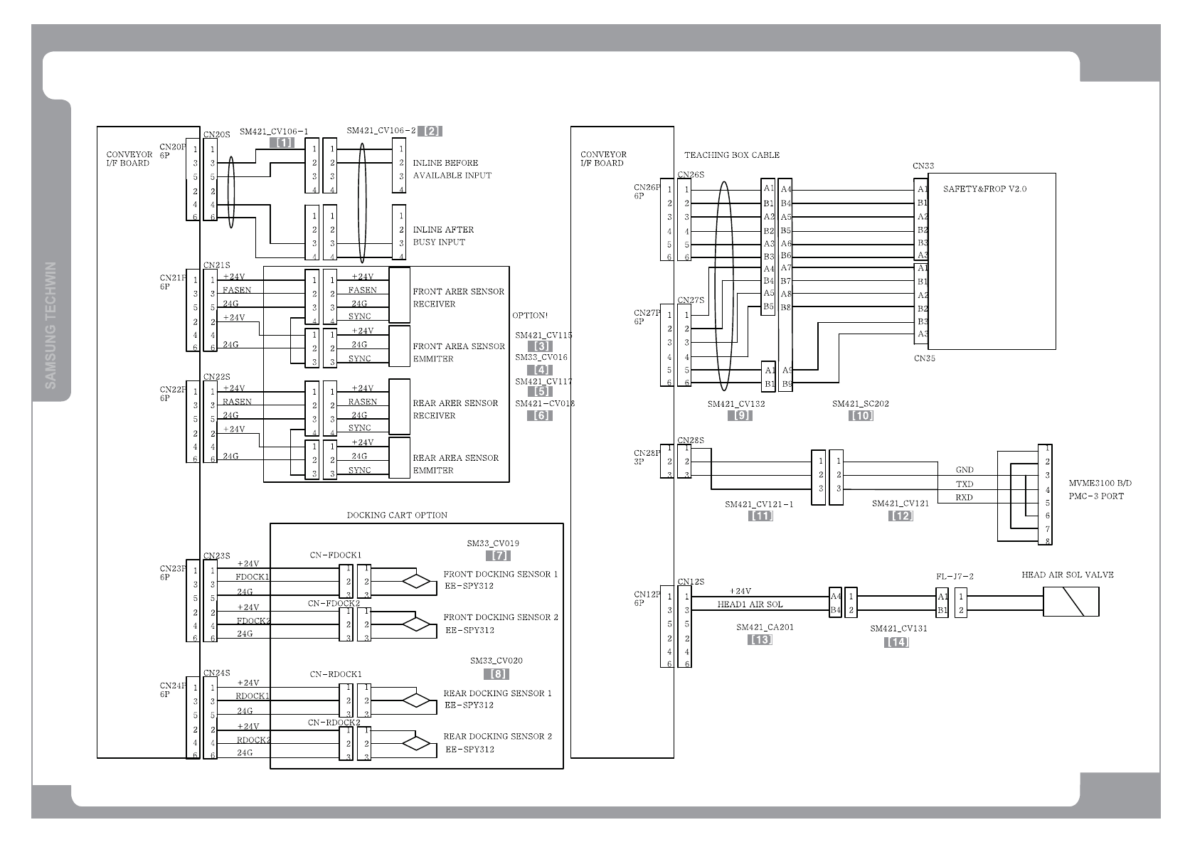
Page 163 S M4 2 1 Conveyor Board Interface (5/5) NO. P ART NO . P ART NAME Q'TY Old No. Stock Apply Referenc e 1 AM 03-00 3541A CA BL E AS SY - INLIN E_IN -OUT _CVI F 1 2 AM 03-00 3542A CA BLE ASS Y - INLI NE _IN -O…

Page
162
SM421
Conveyor Board Interface (5/5)

Page
163
SM421
Conveyor Board Interface (5/5)
NO. PART NO. PART NAME Q'TY Old No. Stock Apply Reference
1 AM03-003541A CABLE ASSY-INLINE_IN-OUT_CVIF 1
2 AM03-003542A CABLE ASSY-INLINE_IN-OUT 1
3 AM03-003597A CABLE ASSY-FRONT_ARPC_SENSOR_EXT 1
4 J90831139A FRONT_AREA_SENSOR_CABLE_ASSY SM33-CV016 1
5 AM03-003598A CABLE ASSY-RPCR_ARPC_SENSOR_EXT 1
6 J90831759A REAR_AREA_SENSOR_CABLE_ASSY SM421-CV018 1
7 J90831142A F_DOCKING_CART_SNS_CABLE_ASSY SM33-CV019
8 J90831143A R_DOCKING_CART_SNS_CABLE_ASSY SM33-CV020 1
9 AM03-003611A CABLE ASSY-T_BOX_HOST_J2 1
10 AM03-003615A CABLE ASSY-F_T_BOX_HOST_J2 1
11 AM03-003545A CABLE ASSY-SERIAL_COMM_EXT 1
12 AM03-003544A CABLE ASSY-SERIAL_COMM_RACK 1
13 AM03-003620A CABLE ASSY-FL_CAN_HD_SOL_PW_J7 1
14 AM03-003606A CABLE ASSY-HD_AIR_SOL_PW_J7 1

Page
164
SM421
Conveyor Board Interface - SM421S (1/5)