SM421_TRM(Ver9.6_CS14.24)_66DC7 - 第62页
Page 195 S M4 2 1 Servo Int erface (Z4, Z5, Z6 ) NO. P ART NO . P ART NAME Q'TY Old No. Stock Apply Reference 1 J90 8313 95B Z6_ MOT OR_ ASS Y 1 2 J90 8313 94B Z5_ MOT OR_ ASS Y 1 3 J90 8313 93B Z4_ MOT OR_ ASS Y 1 …

Page
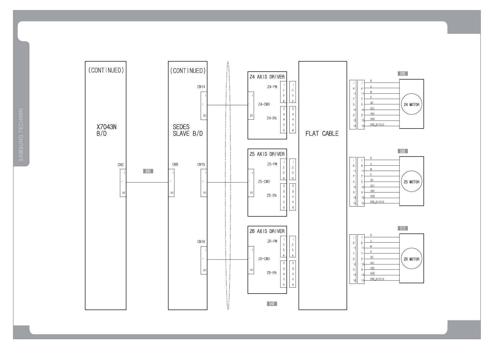
194
SM421
Servo Interface (Z4, Z5, Z6)
SM41_MD029
SM41_VM008
SM41_MD030
SM41_MD031
SM41-VM009

Page
195
SM421
Servo Interface (Z4, Z5, Z6)
NO. PART NO. PART NAME Q'TY Old No. Stock Apply Reference
1 J90831395B Z6_MOTOR_ASSY 1
2 J90831394B Z5_MOTOR_ASSY 1
3 J90831393B Z4_MOTOR_ASSY 1
4 J90831297B R1R3R5_DRV_COMMAND_CABLE_ASSY 1
5 J90831387C HEAD_NETWORK_SERIAL_CABLE_ASSY 1

Page
196
SM421
Servo Interface (WD)
(SM421_MD123)
(SM41-PW037)
(SM421_MD122)
(SM421_VM104)
(SM421_MD102)
(SM421_MD123-1)
(SM421_MD203)