SM421_TRM(Ver9.6_CS14.24)_66DC7 - 第10页
Page 143 S M4 2 1 Front Fe eder Board Interface (1/2) NO. P ART NO . P ART NAME Q'TY Old No. Stock Apply Reference 1 J90 8314 13A FD R_I NPU T_E XT_ CABLE _AS SY SM 41- FD0 05 1 2 AM 03- 003 557A CABLE ASSY -FF DR _…

Page
142
SM421
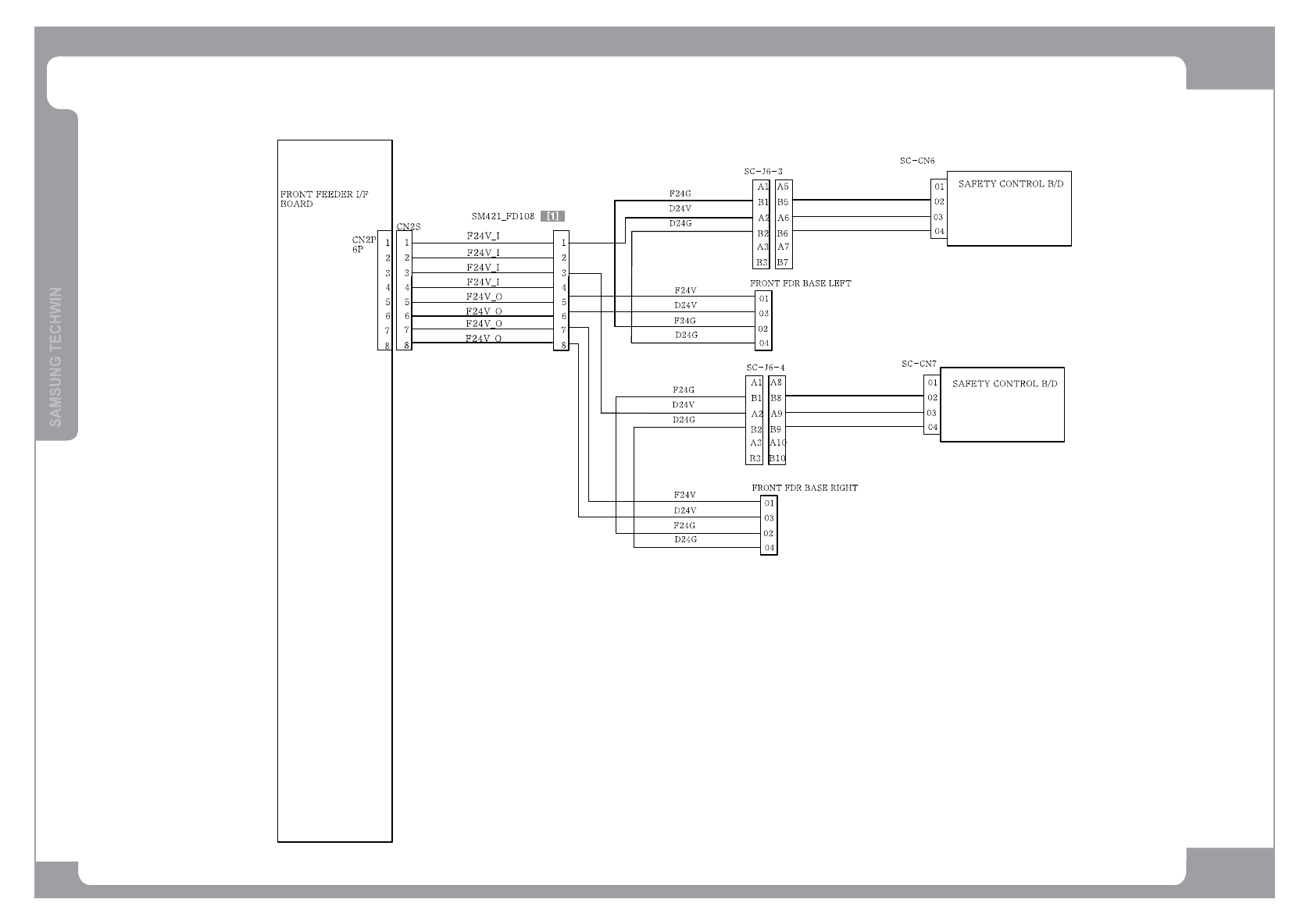
Front Feeder Board Interface(1/2)
SM421_CA101-1
SM_FD003
SM_FD004
SM41_FD005
SM_FD007
SM_FD006
SM421_CA102 SM421_CA102-1
SM421_CA101
SM421_CV101
SM421_SC201

Page
143
SM421
Front Feeder Board Interface (1/2)
NO. PART NO. PART NAME Q'TY Old No. Stock Apply Reference
1 J90831413A FDR_INPUT_EXT_CABLE_ASSY SM41-FD005 1
2 AM03-003557A CABLE ASSY-FFDR_RFDR_CAN 1
3 AM03-003558A CABLE ASSY-FFDR_RFDR_CAN_EXT 1
4 AM03-003555A CABLE ASSY-MASTER_FFDR_CAN_EXT 1
5 AM03-003554A CABLE ASSY-MASTER_FFDR_CAN 1
6 AM03-003489A CABLE ASSY-CV_IF_R_FD_IO_BD_PW_J1 1
7 AM03-003614A CABLE ASSY-BD_PW_SC_J1 1
8 J90800838D LEFT FDR SOL OUTPUT CABLE ASSY 1
9 J90800839D RIGHT FDR SOL OUTPUT CABLE ASSY 1
10 J90800841C LEFT FDR SENSOR INPUT CABLE ASS 1
11 J90800842C RIGHT FDR SENSOR INPUT CABLE AS 1
12 J90831336C FRONT_FDR_IO_BD_PWR_CABLE_ASSY 1

Page
144
SM421
Front Feeder Board Interface (2/2)