SM421_TRM(Ver9.6_CS14.24)_66DC7 - 第102页
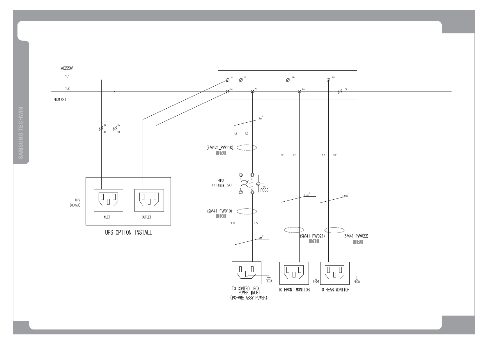
Page 235 S M4 2 1 Electric Circuit Diagram - SM421N/ SM421N-DC (3/6) NO. P ART NO . P ART NAME Q'TY Old No. Stock Apply Reference 1 J90 831 362C F RONT _M ONIT OR_P OW ER_CA BLE_A SSY 1 2 J90 831 363A R EAR_ MONIT O…

Page
234
SM421
Electric Circuit Diagram - SM421N/ SM421N-DC (3/6)

Page
235
SM421
Electric Circuit Diagram - SM421N/ SM421N-DC (3/6)
NO. PART NO. PART NAME Q'TY Old No. Stock Apply Reference
1 J90831362C FRONT_MONITOR_POWER_CABLE_ASSY 1
2 J90831363A REAR_MONITOR_POWER_CABLE_ASSY 1
3 AM03-004119A CABLE ASSY-CONTROL_RACK_PW 1

Page
236
SM421
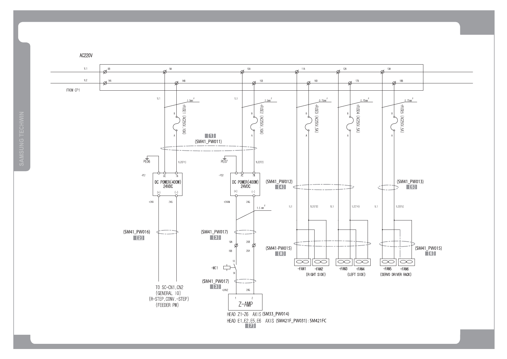
Electric Circuit Diagram - SM421N/ SM421N-DC (4/6)