SM421_TRM(Ver9.6_CS14.24)_66DC7 - 第106页
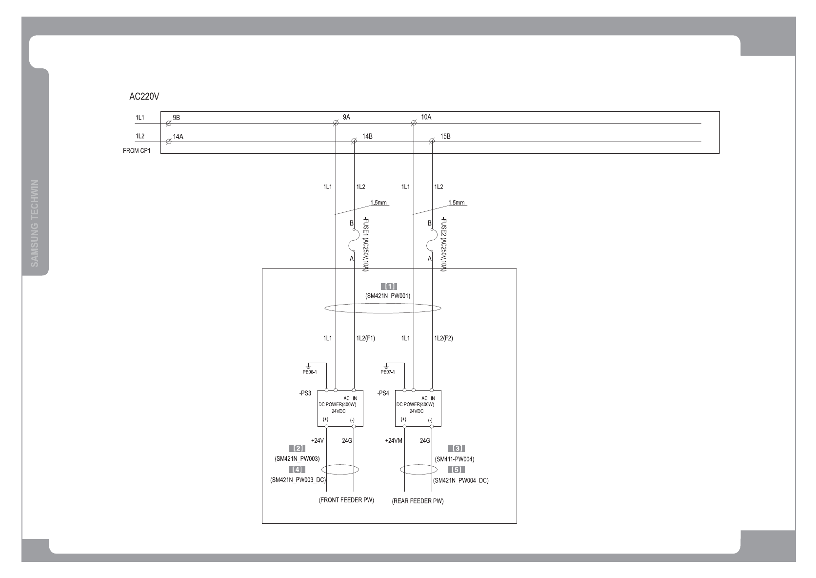
Page 239 S M4 2 1 Electric Circuit Diagram - SM421N/ SM421N-DC (5/6) NO. P ART NO . P ART NAME Q'TY Old No. Stock Apply Reference 1 EP0 2 - 0006 00 A PS 3_ PS4 _AC_ POWE R_CA BL E_A SSY 1 J9 083134 3A 2 J90 8313 44B…

Page
238
SM421
Electric Circuit Diagram - SM421N/ SM421N-DC (5/6)
2 2

Page
239
SM421
Electric Circuit Diagram - SM421N/ SM421N-DC (5/6)
NO. PART NO. PART NAME Q'TY Old No. Stock Apply Reference
1 EP02-000600A PS3_PS4_AC_POWER_CABLE_ASSY 1 J90831343A
2 J90831344B MCCB_NF1-CABLE-ASSY 1
3 J90831066D NF1_MAIN_SWITCH_CABLE_ASSY 1
4 AM03-006378A PS3_DC24V_POWER_CABLE_ASSY 1 OPTION( ONLY SM421N-DC )
5 AM03-006379A PS4_DC24V_POWER_CABLE_ASSY 1 OPTION( ONLY SM421N-DC )

Page
240
SM421
Electric Circuit Diagram - SM421N/ SM421N-DC (6/6)