SM421_TRM(Ver9.6_CS14.24)_66DC7 - 第107页
Page 240 S M4 2 1 Electric Circuit Diagram - SM421N/ SM421N-DC (6/6)

Page
239
SM421
Electric Circuit Diagram - SM421N/ SM421N-DC (5/6)
NO. PART NO. PART NAME Q'TY Old No. Stock Apply Reference
1 EP02-000600A PS3_PS4_AC_POWER_CABLE_ASSY 1 J90831343A
2 J90831344B MCCB_NF1-CABLE-ASSY 1
3 J90831066D NF1_MAIN_SWITCH_CABLE_ASSY 1
4 AM03-006378A PS3_DC24V_POWER_CABLE_ASSY 1 OPTION( ONLY SM421N-DC )
5 AM03-006379A PS4_DC24V_POWER_CABLE_ASSY 1 OPTION( ONLY SM421N-DC )

Page
240
SM421
Electric Circuit Diagram - SM421N/ SM421N-DC (6/6)

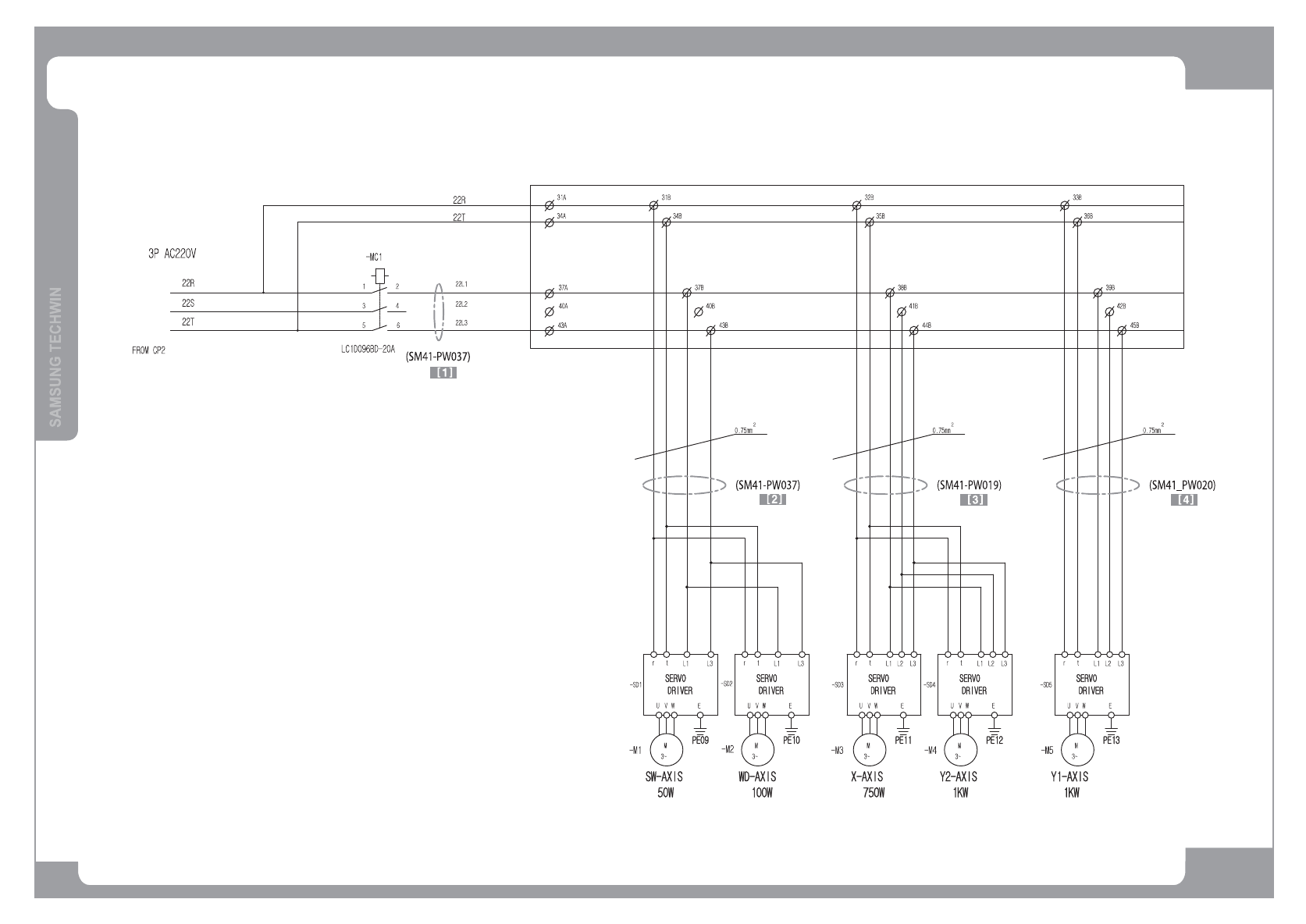
Page
241
SM421
Electric Circuit Diagram - SM421N/ SM421N-DC (6/6)
NO. PART NO. PART NAME Q'TY Old No. Stock Apply Reference
1 J90831350B MC1_TB1_CABLE_ASSY 1
2 AM03-001763A CABLE ASSY-SW,WD SERVO POWER 1
3 J90831360B Y2_SERVO_POWER_CABLE_ASSY 1
4 J90831361B Y1_SERVO_POWER_CABLE_ASSY 1