SM421_TRM(Ver9.6_CS14.24)_66DC7 - 第20页
Page 153 S M4 2 1 Re ar Feeder Board Interface (2/2) NO. P ART NO . P ART NAME Q'TY Old No. Stock Apply Reference 1 AM 03- 003 608A CA BLE AS SY -R_F DR _BA SE_PW _J4 1

Page
152
SM421
Rear Feeder Board Interface (2/2)
SM421_FD109

Page
153
SM421
Rear Feeder Board Interface (2/2)
NO. PART NO. PART NAME Q'TY Old No. Stock Apply Reference
1 AM03-003608A CABLE ASSY-R_FDR_BASE_PW_J4 1

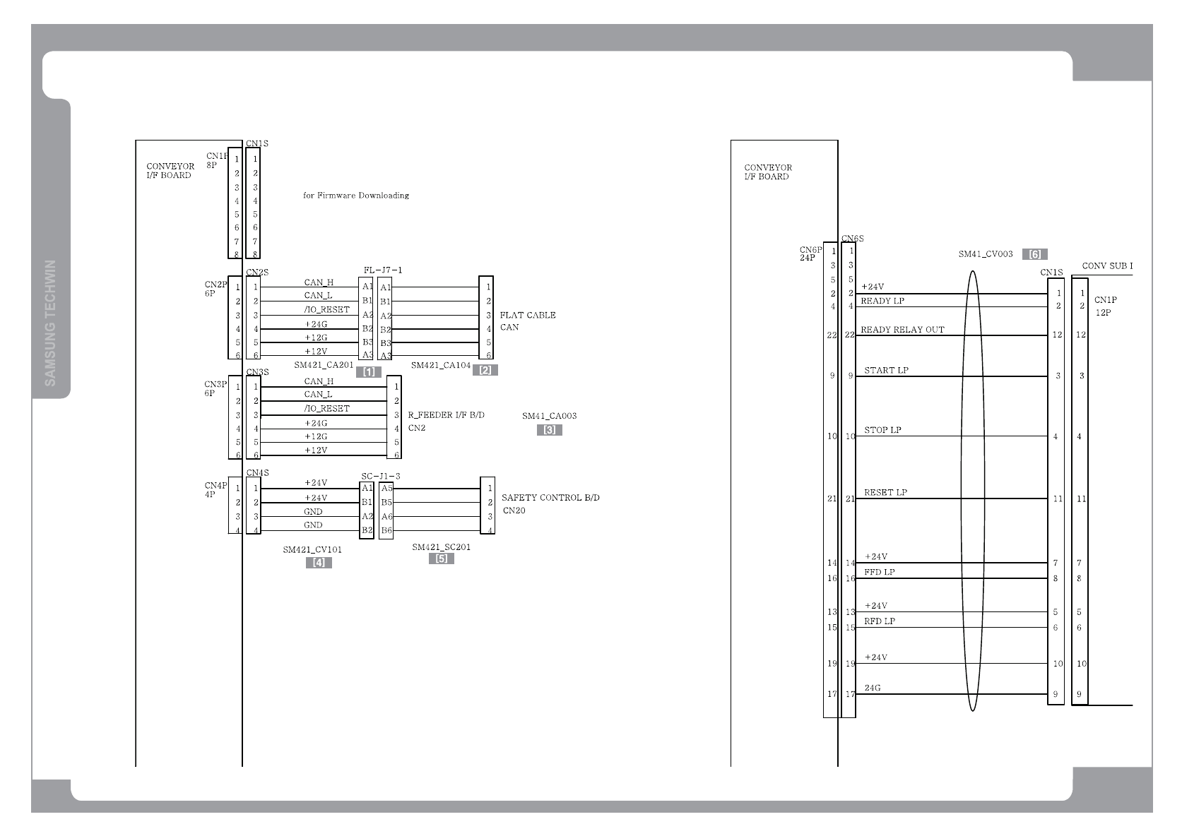
Page
154
SM421
Conveyor Board Interface (1/5)