SM421_TRM(Ver9.6_CS14.24)_66DC7 - 第5页
Page 138 S M4 2 1 SM421S Wiring Diagram(OPTION)

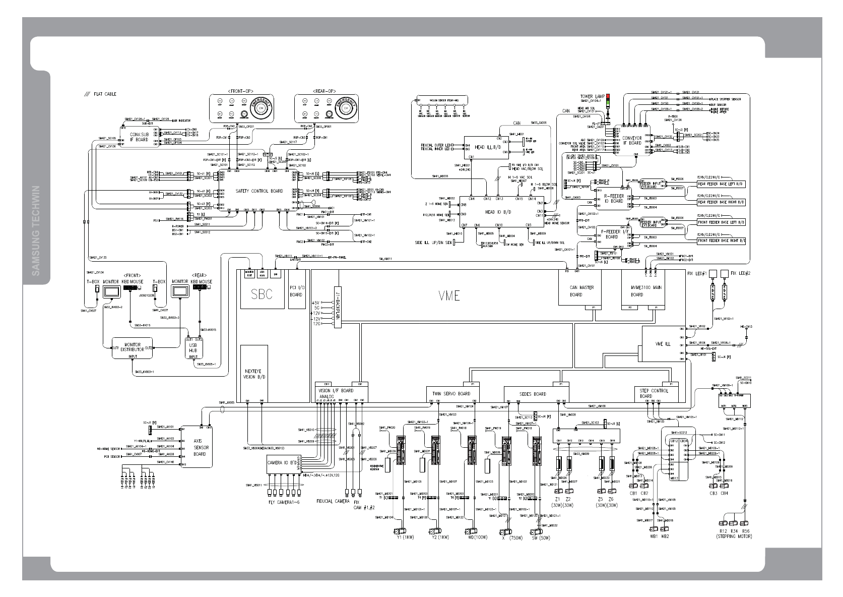
Page
137
SM421
SM421F Wiring Diagram
SEDES SLAVE B/D
Panasonic AC servo
SET
MODE
Panasonic AC servo
SET
MODE
R-STEPPING
DRIVER
Panasonic AC servo
SET
MODE
Panasonic AC servo
SET
MODE
Panasonic AC servo
SET
MODE

Page
138
SM421
SM421S Wiring Diagram(OPTION)

Page
139
SM421
VME IO Board Interface