SM421_TRM(Ver9.6_CS14.24)_66DC7 - 第66页
Page 199 S M4 2 1 Step Motor Interface (R1-2, R3-4, R5-6) NO. P ART NO . P ART NAME Q'TY Old No. Stock Apply Reference 1 AM 03-00 3551A CA BLE AS SY -R1 R3R 5_ DR V_C MD _RA CK 1 2 AM 03-00 3552A CA BLE AS SY -R1 R3…

Page
198
SM421
Step Motor Interface (R1-2, R3-4, R5-6)
SM421_VM109
SM421_MD112
SM41_SC011
SM41_MD011
SM41_MD033
SM41_MD034
SM41_MD035
SM421_VM109-1
SM421_MD112-1

Page
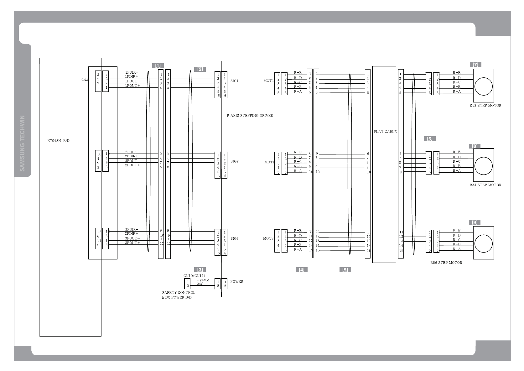
199
SM421
Step Motor Interface (R1-2, R3-4, R5-6)
NO. PART NO. PART NAME Q'TY Old No. Stock Apply Reference
1 AM03-003551A CABLE ASSY-R1R3R5_DRV_CMD_RACK 1
2 AM03-003552A CABLE ASSY-R1R3R5_DRV_CMD_EXT 1
3 J90831340B R-STEP-DRIVER_POWER_CABLE-ASSY 1
4 AM03-003584A CABLE ASSY-R_STEP_MOT_PW_DRV 1
5 AM03-003585A CABLE ASSY-R_STEP_MOT_PW_EXT 1
6 J90831437C R_STEP_MOTOR_PWR_CABLE_ASSY 1
7 J90830190B R12_MOTOR_CABLE_ASSY 1
8 J90831009B R34_MOTOR_CABLE_ASSY 1
9 J90831010B R56_MOTOR_CABLE_ASSY 1

Page
200
SM421
Step Motor Interface (Conveyor Belt)
SM41_MD013
SM41_MD014
SM41_MD017
SM41_MD018
SM41_MD015
SM41_MD016
SM421_VM105
SM421_MD108
SM41_SC012
SM41_SC012
SM41_SC012
SM421_VM105-1
SM421_MD108-1
SM421_MD208
SM421_MD208-1
SM421_MD110
SM421_MD110-1
SM421_MD210
SM421_MD210-1
SM421_MD109
SM421_MD109-1
SM421_MD209
SM421_MD209-1