SM421_TRM(Ver9.6_CS14.24)_66DC7 - 第74页
Page 207 S M4 2 1 Safety Control Board I nterface (2/4) NO. P ART NO . P ART NAME Q'TY Old No. Stock Apply Reference 1 AM 03-00 3614A CA BLE AS SY - BD_P W_ SC_J 1 1 2 AM 03-00 3488A CA BLE ASSY -F_ O VE RRID E_K EY…

Page
206
SM421
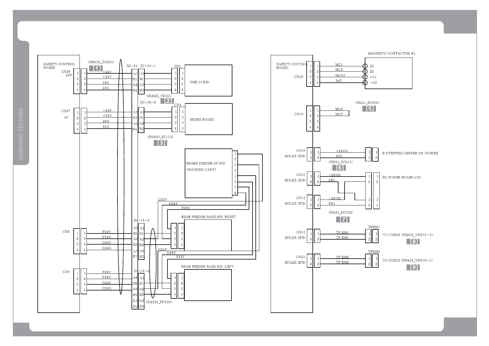
Safety Control Board Interface (2/4)
(SM421_FD101)
(SM421_SC201)
(SM41_IT003)
(SM421_SC103)
(SM421_FD108)
(SM421_SC109)
(SM421_AX101)
(SM421_CV101)
(SM421_SC206)

Page
207
SM421
Safety Control Board Interface (2/4)
NO. PART NO. PART NAME Q'TY Old No. Stock Apply Reference
1 AM03-003614A CABLE ASSY-BD_PW_SC_J1 1
2 AM03-003488A CABLE ASSY-F_OVERRIDE_KEY_EXT_J1 1
3 AM03-003506A CABLE ASSY-AXIS_SENSOR_BD_PW_J1 1
4 AM03-003489A CABLE ASSY-CV_IF_R_FD_IO_BD_PW_J1 1
5 J90833704A SCANNER_CABLE_ASSY SM421_IT003 1
6 AM03-003602B CABLE ASSY-SE_SLAVE_FFDR_PW_J6 1 AM03-003602A
7 AM03-003604B CABLE ASSY-F_FDR_IO_BD_PW_J6 1 AM03-003604A
8 AM03-003618A CABLE ASSY-FFDB_PW_OP_IF_TBOX_J5 1
9 AM03-003607A CABLE ASSY-F_FDR_BASE_PW_J6 1

Page
208
SM421
Safety Control Board Interface (3/4)