SM421_TRM(Ver9.6_CS14.24)_66DC7 - 第87页
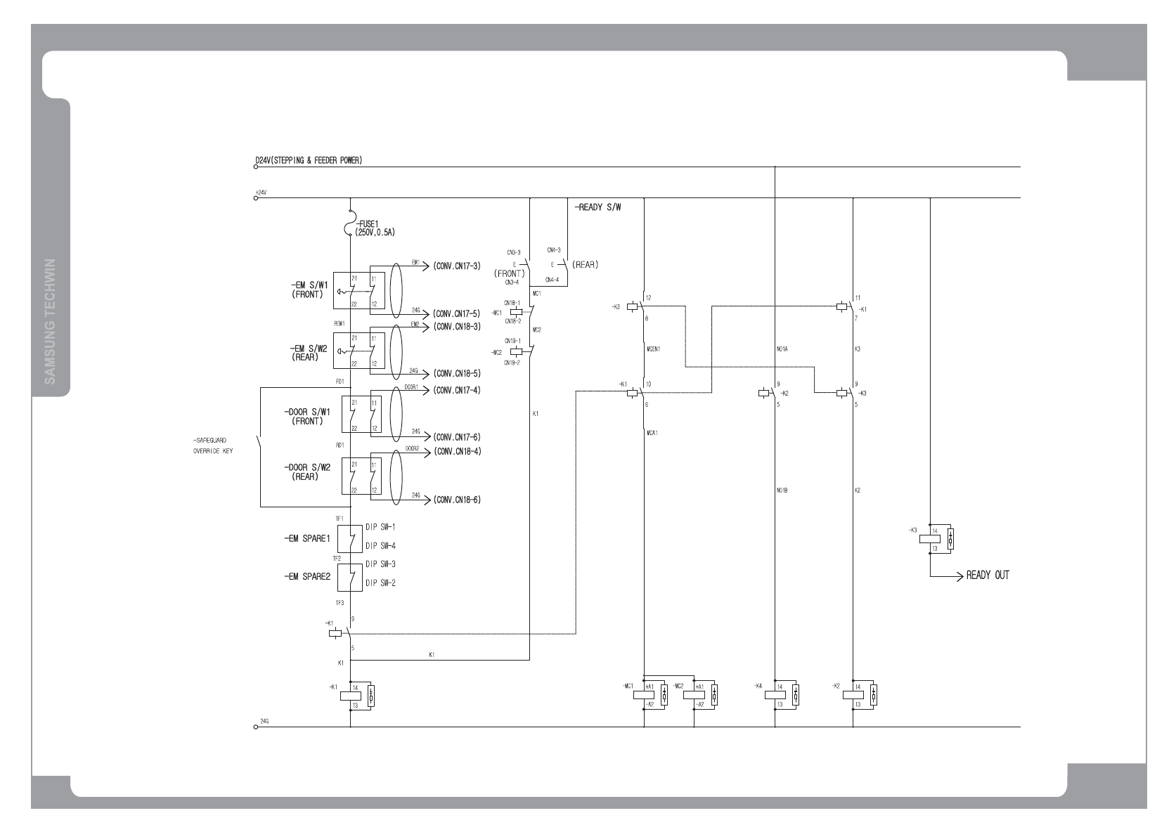
Page 220 S M4 2 1 Electric Circuit Diagram (1/6)

Page
219
SM421
Safety Control Board Interface - SM421S (4/4)
NO. PART NO. PART NAME Q'TY Old No. Stock Apply Reference
1 AM03-003616A CABLE ASSY-OP_IF_SC_J3 1
2 AM03-003860A CABLE ASSY- F-OP_IF 1

Page
220
SM421
Electric Circuit Diagram (1/6)

Page
221
SM421
Electric Circuit Diagram (2/6)