SM421_TRM(Ver9.6_CS14.24)_66DC7 - 第94页
Page 227 S M4 2 1 El e ct ric Circuit Diagr am (5/6) NO. P ART NO . P ART NAME Q'TY Old No. Stock Apply Reference 1 AM 03-00 3592A CA BLE AS SY -TB 1_FU SE 1 2 AM 03-00 3485A CA BLE AS SY -PS 12_S W_MO T_P W_T 2 1 3…

Page
226
SM421
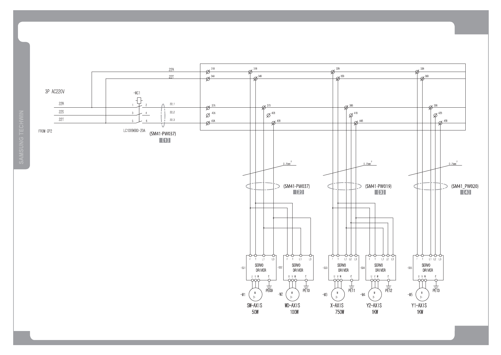
Electric Circuit Diagram (5/6)

Page
227
SM421
Electric Circuit Diagram (5/6)
NO. PART NO. PART NAME Q'TY Old No. Stock Apply Reference
1 AM03-003592A CABLE ASSY-TB1_FUSE 1
2 AM03-003485A CABLE ASSY-PS12_SW_MOT_PW_T2 1
3 AM03-003499A CABLE ASSY-PS12_PW_T2 1
4 AM03-003502A CABLE ASSY-PS2_24V_T3 1
5 AM03-003500A CABLE ASSY-SC_BD_PW_T3 1
6 AM03-003490A CABLE ASSY-HD_FG_FL_T3 1
7 AM03-003501A CABLE ASSY-Z_DRV_PW_T3 1
8 AM03-003486A CABLE ASSY-PS1_SC_Z_DRV_PW_T3 1
9 J90831353B COVER_FAN_POWER_CABLE_ASSY 1
10 J90831354D SERVO_FAN_POWER_CABLE_ASSY 1
11 J90831356C SERVO_FAN_FG_CABLE_ASSY 1
12 J90831356C SERVO_FAN_FG_CABLE_ASSY 1

Page
228
SM421
Electric Circuit Diagram (6/6)