Vario Grid Pepperl Fuchs - 第21页

SOKO 1 Nachrüstanleitung SOKO Vario Grid Pepperl&F uchs (00166280-01) Ausgabe 06/2006 21 1 Abb. 1.12 - 4 Klemmenbelegung 1 X1qa +24V (Klemme 21-27)

100%1 / 32
1 Nachrüstanleitung SOKO Vario Grid Pepperl&Fuchs (00166280-01) SOKO
Ausgabe 06/2006
20
1
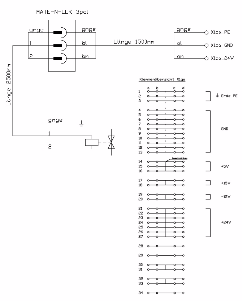
Abb. 1.12 - 3 Verkabelung Wartungseinheit
1
1
1
SOKO 1 Nachrüstanleitung SOKO Vario Grid Pepperl&Fuchs (00166280-01)
Ausgabe 06/2006
21
1
Abb. 1.12 - 4 Klemmenbelegung
1
X1qa +24V (Klemme 21-27)
1 Nachrüstanleitung SOKO Vario Grid Pepperl&Fuchs (00166280-01) SOKO
Ausgabe 06/2006
22
1.9.3 Verschlauchung innerhalb der Maschine
1
Abb. 1.13 - 5 Verschlauchung BB 1
1
Abb. 1.13 - 6 Verschlauchung BB 2
Halte- und Klemmkreis
Klemmkreis
Haltekreis