YS24(DL)_KKE_cwd_je - 第11页
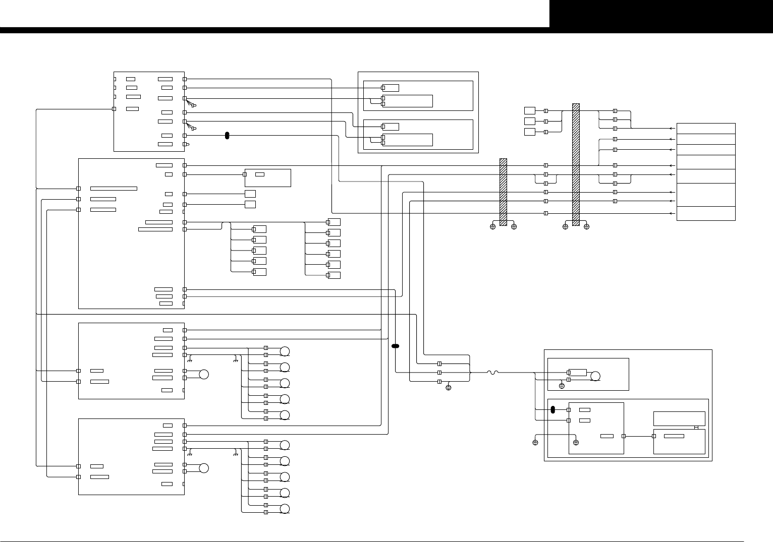
Confidential & P roprietary P A G E FRONT DIGITAL MULTI CAMERA CN28 J0501 CONTRO L BOX I/O CONVEYOR BOARD See Page 5 REAR DIGITAL MULTI CAMERA LED DRIVER POWER CN8 CN4 POCL +24V CN8 CN4 POCL +24V MULTI CAM.SUB ASSY M…

Confidential & Proprietary
PAGE
SC+24V
CN1
CN3
SCAN
POCL
+24V
CN4LIGHT CN1 LIGHT I/F
SCAN CAM.SUB ASSY OF.LIGHT BRD.ASSY.
OF.SV.LIGHT BRD ASSY
SCM MAX 1.5m/s
CN2
CN1
SENSOR BOARD ASSY
IF SCP
SC+24V
SCM
CN1
CN2
FID.LIGHT BRD. ASSY
FIDUCIAL CAMERA RIGHT
CN1
CN2
FID.LIGHT BRD. ASSY
FIDUCIAL CAMERA LEFT
FCAM R
FIDUCIAL CAMERA RIGHT
FIDUCIAL CAMERA LEFT
FCAM R
FCAM L
FCAM L
FIDUCIAL LIGHT LEFT
FIDUCIAL LIGHT RIGHT
SRVB
See Page 2
CONTROL BOX
CN12
See Page 3
POWER CIRCUIT
I/O CONVEYOR BOARD
I/O CONVEYOR BOARD
HA+24V
QF51,XT31
INTERFACE BOARD 1
DC48V,0V48
J0021
See Page 6
POW/EMG
See Page 2
CONTROL BOX
VISION BOARD
See Page 2
CONTROL BOX
SERVO BOARD 3
CN5
CN4
CN7
CN6
CN9
CN8
CN10
CN11
LIGHT3
CAMOUT
CAM1
CAM2
LIGHT1
LIGHT2
DC24V
LIGHT1
LIGHT2
CN1
CN2
CN3 RS232C
FPGA
CPU CAMOUT
CAM1
LIGHT1
CAM2
LIGHT2
CAM3
LIGHT3
DC24V
POW/EMG CN1
VAC
CN1 VAC
VAC SENSOR BRD ASSY
CN5AD
I/O CN5
I/O CN1
CN7OT
ORG CN8
N002D002
N002D001
CN2 SRV POW1 SRV POW2 CAMERA
CN3 SRV SIGNAL 2
SRV SIGNAL 1
I/O CN2
CN4
CN9SPARE
I/O CN3
I/O CN4
J0310
CN348V
SERVO IF CN6
HS1 CN3
HS1 CN6
CN4
CN5
POWER
DI/DO/AD
CN1
CN8
Zaxis MO
Zaxis ENC
Raxis MO
Raxis ENC
CN9CPLD
HS1 CN4
HS1 CN5
HS1 CN1
HS1 CN8
R2M
R2P
CN2
CN7
□42 MAX 2000rpm
MAX 1m/s
MAX 1m/s
MAX 1m/s
MAX 1m/s
MAX 1m/s
Z10P
Z10M
Z9P
Z9M
Z8P
Z8M
Z7P
Z7M
Z6P
Z6M
CN348V
HS2 CN3
HS2 CN6
SERVO IF CN6
CN1
CN8
Zaxis MO
Zaxis ENC
HS2 CN1
HS2 CN8
Raxis MO
Raxis ENC
R1P
R1M
CN9CPLD
CN4
CN5
POWER
DI/DO/AD
HS2 CN4
HS2 CN5
CN2
CN7
□42 MAX 2000rpm
MAX 1m/s
MAX 1m/s
MAX 1m/s
MAX 1m/s
MAX 1m/s
Z1M
Z1P
Z2M
Z2P
Z5P
Z5M
Z4P
Z4M
Z3P
Z3M
CN10
I/O CN10
CN11
I/O CN11
VACUUM/BLOW 2
VACUUM/BLOW/SHAFT
HEAD1(VACUUM/BLOW)
HEAD2(VACUUM/BLOW)
HEAD3(VACUUM/BLOW)
HEAD4(VACUUM/BLOW)
HEAD5(VACUUM/BLOW)
HEAD 1
HEAD 2
HEAD 3
HEAD 4
HEAD 5
T003C401/T003C403
T003C001/T003C003
T003C000/T003C002
T002CC01/T002CC03
T002CC00/T002CC02
HEAD6(VACUUM/BLOW)
HEAD7(VACUUM/BLOW)
HEAD8(VACUUM/BLOW)
HEAD7(VACUUM/BLOW)
SH BLOW SHAFT BLOW
HEAD 6
HEAD 7
HEAD 8
HEAD 9
HEAD 10 HEAD10(VACUUM/BLOW)
T002C801/T002C803
T002C401/T002C403
T002C400/T002C402
T002C804
T002C001/T002C003
T002C000/T002C002
CN12LINER IN
CN13ENC OUT
SPARE CN16
CAM3
SCCAM
I/O CN13
I/O CN12
CAMERA SELECTOR P083
HEAD SERVO BOARD ASSY 1 P047
YBORG
YBOT
YB-AXIS OVER TRAVEL
YB-AXIS ORG
I/O CONVEYOR BOARD
CN48
See Page 6
HB EMG
Y-AXIS SAFE
SQ002
SQ004
SQ005
N01009B7
N01009E0
N01009E4
J0162
J0163
YSAFE
YBORG
YBOT
YSAFE
J0196
FIDUCIAL CAMERA RIGHT is standard,FIDUCIAL CAMERA LEFT is option .
・In case that conveyer's fixation is rear side and PCB's transportation is R>L,
FIDUCIAL CAMERA RIGHT is standard,FIDUCIAL CAMERA LEFT is option .
・In case that conveyer's fixation is rear side and PCB's transportation is L>R,
FIDUCIAL CAMERA LEFT is standard,FIDUCIAL CAMERA RIGHT is option .
・In case that conveyer's fixation is front side and PCB's transportation is R>L,
FIDUCIAL CAMERA LEFT is standard,FIDUCIAL CAMERA RIGHT is option .
・In case that conveyer's fixation is front side and PCB's transportation is L>R,
FLEXIBLE
DUCT YB
J0095
FLEXIBLE
DUCT XB
J0093
HB+48V
SRV B1
SRV B2
See Page 16
CN45
J0023
J0522
J0504
CAM4
SCBM
SCBP
J0025
J0524
J0027
J0526
J0309
J0329
J0327
J0313
I/O B CN8
I/O B CN7 XB-AXIS OVER TRAVEL
XB-AXIS ORIGIN
P052
J0307
J0303(NOTE2)
J0303
J0510
J0301(NOTE2)
J0301
J0508
J0506
See NOTE3
NOTE3:
EL04
D.CAM4
EL03
D.CAM3
P092
P094
M22
M23
M24
M25
M26
M27
M28
M29
M30
M31
M34
M35
RB2-AXIS 15W
RB1-AXIS 15W
ZB5-AXIS 10W
ZB4-AXIS 10W
ZB3-AXIS 10W
ZB2-AXIS 10W
ZB1-AXIS 10W
ZB10-AXIS 10W
ZB9-AXIS 10W
ZB8-AXIS 10W
ZB7-AXIS 10W
ZB6-AXIS 10W
SQ304
SQ302
P095
P096 P097
P098
J0321
J0317
J0325
J0315
J0323
M37
HB S1
HB S2
SCBP
SCBM
CAM4
SCBM
SCBP
HB POW/EMG
J0537 J0535 J0531
J0142J0148J0150
YV302
YV304
YV306
YV308
YV310
YV312
YV314
YV316
YV318
YV320
YV322
HEAD I/O BOARD ASSY P042
HEAD SERVO BOARD ASSY 2 P048
SCAN B AXIS ASSY
SCB-AXIS 85W
SCAN B UNIT ASSY
SCAN B CAM. ASSY
J0520
J0331
E14
E15
E16
J0319
SCB-AXIS
CC.V3
8
HEAD B
YS24(DL)

Confidential & Proprietary
PAGE
FRONT DIGITAL MULTI CAMERA
CN28
J0501
CONTROL BOX
I/O CONVEYOR BOARD
See Page 5
REAR DIGITAL MULTI CAMERA
LED DRIVER POWER
CN8
CN4
POCL
+24V
CN8
CN4
POCL
+24V
MULTI CAM.SUB ASSY
MULTI CAM.SUB ASSY
CAM3
CAM1
J0502
J0043
MULTI CAM2 BRD.ASSY
P060
MULTI CAM2 BRD.ASSY
P070
VISION BOARD
See Page 2 CAM3
CAM1
L+24V
L+24V
CC.V3
9
MULTI CAMERA UNIT SEL.(OPTION)
YS24(DL)

Confidential & Proprietary
PAGE
A10
KEYBOARD
A12
MOUSE
FRONT OPERATION SWITCHES
KB1
MS1
EX
KB2
MS2
CRT2
KB2
MS2
RS2
EX
CRT1
KB1
MS1
RS1
RS PC CRT PC KB/MS PC
SWITCHER BOARD ASSY P031
LCD+12V
J0268
RS PC
LCD+12V
J0260 J0259
RS2 RS1
KB F
MS F
KEYBOARD
A11
MOUSE
A13
VGA
KEY
I/O CONVEYOR BOARD
See Page 5
CN24
CONTROL BOX
See Page 2
SERIAL1
I/O CONVEYOR BOARD
See Page 4
CN20
J0186
J0201
J0256
J0267
J0251
J0269
KB R
MS R
REAR OPERATION SWITCHES
A10
KEYBOARD
A12
MOUSE
FRONT OPERATION SWITCHES
EX
CRT2
KB2
MS2
RS2
EX
CRT1
KB1
MS1
RS1
RS PC CRT PC KB/MS PC
SWITCHER BOARD ASSY P031
LCD+12V
LCD+12V
J0260 J0259 KB F
MS F
KEYBOARD
A11
MOUSE
A13
I/O CONVEYOR BOARD
See Page 5
CN24
CONTROL BOX
See Page 2
I/O CONVEYOR BOARD
See Page 4
CN20
J0186
J0201
KB R
MS R
REAR OPERATION SWITCHES
KEY
CRT PC
KB1
MS1
CRT1
KB2
MS2
CRT2J0253 J0252
VGA
KEY
J0256
J0251
EXT.PWR
I/O CONVEYOR BOARD
See Page 4
CN18
J0184
J0041
FRONT SIDE
LCD 1
J0265
J0264
J0263
LCD 1
REAR SIDE
LCD 2
J0266
LCD 2
FRONT & REAR LCD(STANDARD)
VGA F
VGA R
LCD2
DC12V IN
VGA
LCD1
DC12V IN
VGA
KEY
EXT.PWR
I/O CONVEYOR BOARD
See Page 4
CN18
J0184
J0041
CRT PC
CRT1CRT2 J0252J0253
LCD1
DC12V IN
VGA SERIAL
RS232C F
FRONT SIDE
LCD 1
FRONT & REAR LCD TOUCH PANEL (OPTION)
J0265
J0264
J0263
LCD 1
LCD2
DC12V IN
SERIAL VGA
REAR SIDE
LCD 2
J0266
LCD 2
VGA F
RS232C R
VGA R
CC.V3
10
OPERATION PANEL SEL.
YS24(DL)