YS24(DL)_KKE_cwd_je - 第25页
P AGE 23 Condential & Proprietary Y S 2 4 ( D L ) H 0 1 4 4 3 0 Air circuit FIX60 2/2

PAGE
22
Condential & Proprietary
YS24(DL)
H 0 1 4 4 3 0
Air circuit
FIX60 1/2

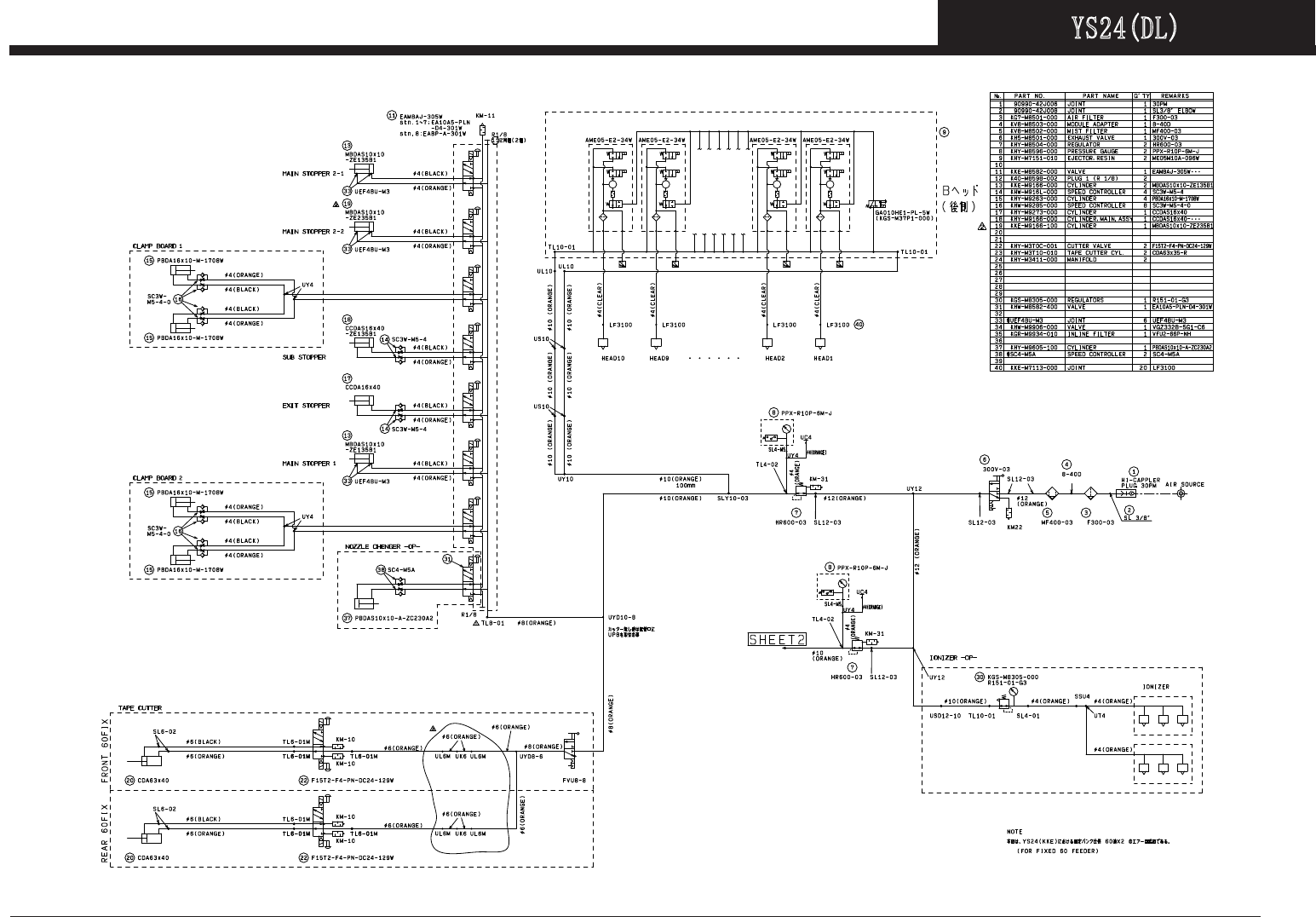
PAGE
23
Condential & Proprietary
YS24(DL)
H 0 1 4 4 3 0
Air circuit
FIX60 2/2

PAG E
24
Confi dential & Proprietary
YS24(DL)
YS24(DL)
H014130
Air circuit
FIX24/60 1/2