YS24(DL)_KKE_cwd_je - 第9页
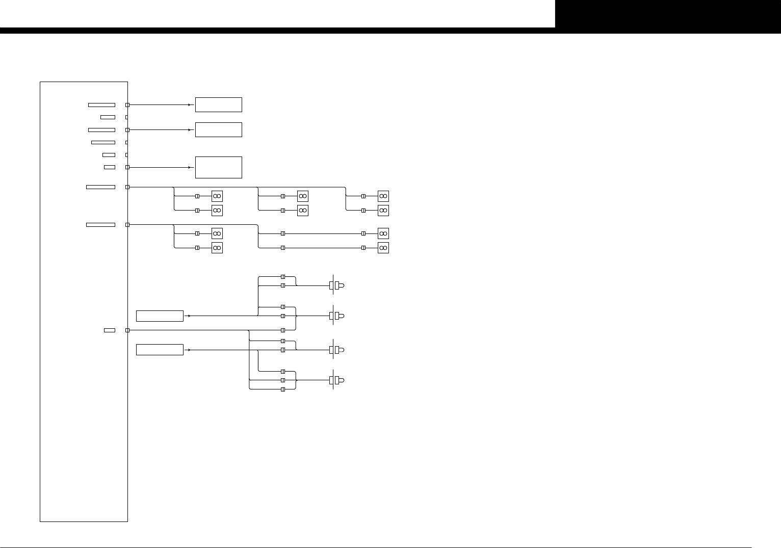
Confidential & P roprietary P A G E FIDUCIAL CAMERA RIGH T is standard,FI DUCIAL CAMERA LEF T is option . ・In case that conveyer's fixa tion is rear side and PCB's transp ortation is R>L, FIDUCIAL CAMERA…

Confidential & Proprietary
PAGE
N0100446
N0100445
N01004F0
N01004F1
N01004F2
N01004F3
N01004F4
N01004F5
N0100406
N0100452
BUSY IN 2:N0100453 / LR IN 2 :N0100456
LE IN 2 :N0100457
BA IN 2 :N0100454 / UR IN 2 :N0100455
BA IN :N0100421 / UR IN :N0100422
BUSY IN:N0100420 / LR IN :N0100423
LE IN :N0100424
FAN XB
FAN XA
FAN YA2
FAN YA1 FAN YB1
FAN YB2
FAN1
FAN2
FAN T1
FAN T2
PREVIOUS
PREVIOUS
NEXT
J0226
J0225
J0205
NEXT
J0204
LE OUT :T01000F3
BA OUT 2 :T0100111 / UR OUT 2:T0100112
BUSY OUT 2:T0100110 / LR OUT 2:T0100113
LE OUT 2 :T0100114
BA OUT :T01000E5 / UR OUT:T01000E6
BUSY OUT:T01000E4 / LR OUT:T01000E7
J0163
A-GATE2
A-GATE2
A-GATE2
PREVIOUS INTERFACE LANE 2
NEXT INTERFACE LANE 2
PREVIOUS INTERFACE LANE 1
NEXT INTERFACE LANE 1
PREV L2
NEXT L2
PREVJ0193
J0192
PREV C
PREV C2
PREV B2
PREV A2
NEXT B2
NEXT A2
INTERFACE PANEL
J0198
J0199
INTERFACE PANEL
INTERFACE PANEL
NEXT A
NEXT B
PREV A
PREV B
NEXT
INTERFACE PANEL
J0178
J0189
See Page 5
CN8
I/O CONVEYOR BOARD
See Page 3
I/O CONVEYOR BOARD
CN25
FAN T2
FAN T1
J0200
J0232
J0231
LEFT OF TOP COVER
RIGHT OF TOP COVER
FAN T2
FAN T1
CN51
CN51GATE
XB MOTOR
XA MOTOR
FAN XB
FAN XA
J0179CN50
CN50FAN LOCK ALARM
CN46
C/V MOTOR 3
BRAKE
CN47
See Page 8
YB SAFE
YB ORG
YB OT
HEAD B SENSOR UNIT
CN45
EMG3 CN48
YB2 MOTOR
YB1 MOTOR
YA2 MOTOR
YA1 MOTOR
FAN YB2
FAN YB1
FAN YA2
FAN YA1
SIDE PANEL
SIDE PANEL
FAN2
FAN1
J0191CN49
FAN LOCK ALARM CN49
See Page 8
I/O HEAD B
I/O HEAD B POWER
CN45 J0023
+24VF4,+24VB6 CN45
+24VS1 CN44
See Page 7
I/O HEAD A
I/O HEAD A POWER
J0022
+24VC1,+24VF3 CN43
CN43
I/O CONVEYOR BOARD ASSY P025
CC.V3
6
I/O CONVEYOR -4-
YS24(DL)

Confidential & Proprietary
PAGE
FIDUCIAL CAMERA RIGHT is standard,FIDUCIAL CAMERA LEFT is option .
・In case that conveyer's fixation is rear side and PCB's transportation is R>L,
FIDUCIAL CAMERA RIGHT is standard,FIDUCIAL CAMERA LEFT is option .
・In case that conveyer's fixation is rear side and PCB's transportation is L>R,
FIDUCIAL CAMERA LEFT is standard,FIDUCIAL CAMERA RIGHT is option .
・In case that conveyer's fixation is front side and PCB's transportation is R>L,
FIDUCIAL CAMERA LEFT is standard,FIDUCIAL CAMERA RIGHT is option .
・In case that conveyer's fixation is front side and PCB's transportation is L>R,
NOTE2:
SC+24V
CN1
CN3
SCAN
POCL
+24V
CN4LIGHT CN1 LIGHT I/F
SCAN CAM.SUB ASSY OF.LIGHT BRD.ASSY.
OF.SV.LIGHT BRD ASSY
SCM MAX 1.5m/s
CN2
CN1
SENSOR BOARD ASSY
IF SCP
SC+24V
SCM
D.CAM1
CN1
CN2
FID.LIGHT BRD. ASSY
EL01
FIDUCIAL CAMERA RIGHT
CN1
CN2
FID.LIGHT BRD. ASSY
FIDUCIAL CAMERA LEFT
P091
P093
D.CAM2
FCAM R
FIDUCIAL CAMERA RIGHT
FIDUCIAL CAMERA LEFT
FCAM R
FCAM L
FCAM L
FIDUCIAL LIGHT LEFT
FIDUCIAL LIGHT RIGHT
EL02
See NOTE2
SRVB
See Page 2
CONTROL BOX
CN43
CN12
See Page 3
POWER CIRCUIT
I/O CONVEYOR BOARD
I/O CONVEYOR BOARD
SRV A1
SRV A2
SQ001
YA-AXIS ORG
YA-AXIS OVER TRAVEL
SQ003
HA+24V
HA EMG
YAOT
YAORG
QF51,XT31
INTERFACE BOARD 1
FLEXIBLE
DUCT YA
HA+48V
DC48V,0V48
N0100981
N0100980
J0162
J0521
J0021
J0523
J0024
J0195
See Page 6
YAORG
YAOT
FLEXIBLE
DUCT XA
J0026
J0525
HA S2
HA POW/EMGPOW/EMG
HA S1
CAM2
J0503
CAM2
See Page 2
CONTROL BOX
VISION BOARD
SCAP
SCAM
See Page 2
CONTROL BOX
SERVO BOARD 3
SCAP
J0527
J0141
SCAM
SCAP
SCAM
J0308
J0328
J0326
CAMERA SELECTOR P082
CN5
CN4
CN7
CN6
CN9
CN8
CN10
CN11
LIGHT3
J0306
CAMOUT
CAM1
CAM2
LIGHT1
LIGHT2
J0300
J0505
J0507
J0509
J0302
DC24V
LIGHT1
LIGHT2
J0302(NOTE2)
J0300(NOTE2)
CN1
CN2
CN3 RS232C
FPGA
CPU CAMOUT
CAM1
LIGHT1
CAM2
LIGHT2
CAM3
LIGHT3
DC24V
POW/EMG CN1
VAC
CN1 VAC
VAC SENSOR BRD ASSY
CN5AD
P051
I/O CN5
I/O CN1
SQ301
CN7OT
ORG CN8
XA-AXIS ORIGIN
SQ303
XA-AXIS OVER TRAVEL
N002D002
N002D001
CN2 SRV POW1 SRV POW2 CAMERA
CN3 SRV SIGNAL 2
SRV SIGNAL 1
I/O CN2
HEAD I/O BOARD ASSY P041
CN4
CN9SPARE
I/O CN3
I/O CN4
J0310
I/O A CN8
I/O A CN7
CN348V
SERVO IF CN6
HS1 CN3
HS1 CN6
CN4
CN5
POWER
DI/DO/AD
CN1
CN8
Zaxis MO
Zaxis ENC
Raxis MO
Raxis ENC
CN9CPLD
HS1 CN4
HS1 CN5
HS1 CN1
HS1 CN8
R2M
R2P
J0316
J0324
HEAD SERVO BOARD ASSY 1 P045
CN2
CN7
□42 MAX 2000rpm
RA2-AXIS 15W
M33
MAX 1m/s
MAX 1m/s
MAX 1m/s
MAX 1m/s
MAX 1m/s
ZA6-AXIS 10W
ZA7-AXIS 10W
ZA8-AXIS 10W
ZA9-AXIS 10W
ZA10-AXIS 10W
M12
M13
M14
M16
M15
Z10P
Z10M
Z9P
Z9M
Z8P
Z8M
Z7P
Z7M
Z6P
Z6M
CN348V
HS2 CN3
HS2 CN6
SERVO IF CN6
CN1
CN8
Zaxis MO
Zaxis ENC
HS2 CN1
HS2 CN8
J0314
J0322
Raxis MO
Raxis ENC
R1P
R1M
CN9CPLD
CN4
CN5
POWER
DI/DO/AD
HS2 CN4
HS2 CN5
HEAD SERVO BOARD ASSY 2 P046
CN2
CN7
M32
RA1-AXIS 15W
□42 MAX 2000rpm
M21
M20
M19
M18
M17
ZA1-AXIS 10W
ZA2-AXIS 10W
ZA3-AXIS 10W
ZA4-AXIS 10W
ZA5-AXIS 10W
MAX 1m/s
MAX 1m/s
MAX 1m/s
MAX 1m/s
MAX 1m/s
Z1M
Z1P
Z2M
Z2P
Z5P
Z5M
Z4P
Z4M
Z3P
Z3M
CN10
I/O CN10 J0312
CN11
I/O CN11
VACUUM/BLOW 2
VACUUM/BLOW/SHAFT
HEAD1(VACUUM/BLOW)
HEAD2(VACUUM/BLOW)
HEAD3(VACUUM/BLOW)
HEAD4(VACUUM/BLOW)
HEAD5(VACUUM/BLOW)
YV301
YV303
YV305
YV307
YV309
HEAD 1
HEAD 2
HEAD 3
HEAD 4
HEAD 5
T003C401/T003C403
T003C001/T003C003
T003C000/T003C002
T002CC01/T002CC03
T002CC00/T002CC02
HEAD6(VACUUM/BLOW)
HEAD7(VACUUM/BLOW)
HEAD8(VACUUM/BLOW)
HEAD7(VACUUM/BLOW)
SH BLOW SHAFT BLOW
YV311
YV313
YV315
YV317
YV319
YV321
HEAD 6
HEAD 7
HEAD 8
HEAD 9
HEAD 10 HEAD10(VACUUM/BLOW)
T002C801/T002C803
T002C401/T002C403
T002C400/T002C402
T002C804
T002C001/T002C003
T002C000/T002C002
CN12LINER IN
CN13ENC OUT
SPARE CN16
J0092
P085
P086 P087
P088
SCA-AXIS 85W
J0519
CAM3
SCCAM
M36
J0147J0149
J0534J0536
I/O CN13
I/O CN12 J0320
SCAN A UNIT ASSY
SCAN A CAM. ASSY
SCAN A AXIS ASSY
J0022
See Page 16
E11
E13
E12
J0094
J0330
SCA-AXIS
J0318
CC.V3
7
HEAD A
YS24(DL)

Confidential & Proprietary
PAGE
SC+24V
CN1
CN3
SCAN
POCL
+24V
CN4LIGHT CN1 LIGHT I/F
SCAN CAM.SUB ASSY OF.LIGHT BRD.ASSY.
OF.SV.LIGHT BRD ASSY
SCM MAX 1.5m/s
CN2
CN1
SENSOR BOARD ASSY
IF SCP
SC+24V
SCM
CN1
CN2
FID.LIGHT BRD. ASSY
FIDUCIAL CAMERA RIGHT
CN1
CN2
FID.LIGHT BRD. ASSY
FIDUCIAL CAMERA LEFT
FCAM R
FIDUCIAL CAMERA RIGHT
FIDUCIAL CAMERA LEFT
FCAM R
FCAM L
FCAM L
FIDUCIAL LIGHT LEFT
FIDUCIAL LIGHT RIGHT
SRVB
See Page 2
CONTROL BOX
CN12
See Page 3
POWER CIRCUIT
I/O CONVEYOR BOARD
I/O CONVEYOR BOARD
HA+24V
QF51,XT31
INTERFACE BOARD 1
DC48V,0V48
J0021
See Page 6
POW/EMG
See Page 2
CONTROL BOX
VISION BOARD
See Page 2
CONTROL BOX
SERVO BOARD 3
CN5
CN4
CN7
CN6
CN9
CN8
CN10
CN11
LIGHT3
CAMOUT
CAM1
CAM2
LIGHT1
LIGHT2
DC24V
LIGHT1
LIGHT2
CN1
CN2
CN3 RS232C
FPGA
CPU CAMOUT
CAM1
LIGHT1
CAM2
LIGHT2
CAM3
LIGHT3
DC24V
POW/EMG CN1
VAC
CN1 VAC
VAC SENSOR BRD ASSY
CN5AD
I/O CN5
I/O CN1
CN7OT
ORG CN8
N002D002
N002D001
CN2 SRV POW1 SRV POW2 CAMERA
CN3 SRV SIGNAL 2
SRV SIGNAL 1
I/O CN2
CN4
CN9SPARE
I/O CN3
I/O CN4
J0310
CN348V
SERVO IF CN6
HS1 CN3
HS1 CN6
CN4
CN5
POWER
DI/DO/AD
CN1
CN8
Zaxis MO
Zaxis ENC
Raxis MO
Raxis ENC
CN9CPLD
HS1 CN4
HS1 CN5
HS1 CN1
HS1 CN8
R2M
R2P
CN2
CN7
□42 MAX 2000rpm
MAX 1m/s
MAX 1m/s
MAX 1m/s
MAX 1m/s
MAX 1m/s
Z10P
Z10M
Z9P
Z9M
Z8P
Z8M
Z7P
Z7M
Z6P
Z6M
CN348V
HS2 CN3
HS2 CN6
SERVO IF CN6
CN1
CN8
Zaxis MO
Zaxis ENC
HS2 CN1
HS2 CN8
Raxis MO
Raxis ENC
R1P
R1M
CN9CPLD
CN4
CN5
POWER
DI/DO/AD
HS2 CN4
HS2 CN5
CN2
CN7
□42 MAX 2000rpm
MAX 1m/s
MAX 1m/s
MAX 1m/s
MAX 1m/s
MAX 1m/s
Z1M
Z1P
Z2M
Z2P
Z5P
Z5M
Z4P
Z4M
Z3P
Z3M
CN10
I/O CN10
CN11
I/O CN11
VACUUM/BLOW 2
VACUUM/BLOW/SHAFT
HEAD1(VACUUM/BLOW)
HEAD2(VACUUM/BLOW)
HEAD3(VACUUM/BLOW)
HEAD4(VACUUM/BLOW)
HEAD5(VACUUM/BLOW)
HEAD 1
HEAD 2
HEAD 3
HEAD 4
HEAD 5
T003C401/T003C403
T003C001/T003C003
T003C000/T003C002
T002CC01/T002CC03
T002CC00/T002CC02
HEAD6(VACUUM/BLOW)
HEAD7(VACUUM/BLOW)
HEAD8(VACUUM/BLOW)
HEAD7(VACUUM/BLOW)
SH BLOW SHAFT BLOW
HEAD 6
HEAD 7
HEAD 8
HEAD 9
HEAD 10 HEAD10(VACUUM/BLOW)
T002C801/T002C803
T002C401/T002C403
T002C400/T002C402
T002C804
T002C001/T002C003
T002C000/T002C002
CN12LINER IN
CN13ENC OUT
SPARE CN16
CAM3
SCCAM
I/O CN13
I/O CN12
CAMERA SELECTOR P083
HEAD SERVO BOARD ASSY 1 P047
YBORG
YBOT
YB-AXIS OVER TRAVEL
YB-AXIS ORG
I/O CONVEYOR BOARD
CN48
See Page 6
HB EMG
Y-AXIS SAFE
SQ002
SQ004
SQ005
N01009B7
N01009E0
N01009E4
J0162
J0163
YSAFE
YBORG
YBOT
YSAFE
J0196
FIDUCIAL CAMERA RIGHT is standard,FIDUCIAL CAMERA LEFT is option .
・In case that conveyer's fixation is rear side and PCB's transportation is R>L,
FIDUCIAL CAMERA RIGHT is standard,FIDUCIAL CAMERA LEFT is option .
・In case that conveyer's fixation is rear side and PCB's transportation is L>R,
FIDUCIAL CAMERA LEFT is standard,FIDUCIAL CAMERA RIGHT is option .
・In case that conveyer's fixation is front side and PCB's transportation is R>L,
FIDUCIAL CAMERA LEFT is standard,FIDUCIAL CAMERA RIGHT is option .
・In case that conveyer's fixation is front side and PCB's transportation is L>R,
FLEXIBLE
DUCT YB
J0095
FLEXIBLE
DUCT XB
J0093
HB+48V
SRV B1
SRV B2
See Page 16
CN45
J0023
J0522
J0504
CAM4
SCBM
SCBP
J0025
J0524
J0027
J0526
J0309
J0329
J0327
J0313
I/O B CN8
I/O B CN7 XB-AXIS OVER TRAVEL
XB-AXIS ORIGIN
P052
J0307
J0303(NOTE2)
J0303
J0510
J0301(NOTE2)
J0301
J0508
J0506
See NOTE3
NOTE3:
EL04
D.CAM4
EL03
D.CAM3
P092
P094
M22
M23
M24
M25
M26
M27
M28
M29
M30
M31
M34
M35
RB2-AXIS 15W
RB1-AXIS 15W
ZB5-AXIS 10W
ZB4-AXIS 10W
ZB3-AXIS 10W
ZB2-AXIS 10W
ZB1-AXIS 10W
ZB10-AXIS 10W
ZB9-AXIS 10W
ZB8-AXIS 10W
ZB7-AXIS 10W
ZB6-AXIS 10W
SQ304
SQ302
P095
P096 P097
P098
J0321
J0317
J0325
J0315
J0323
M37
HB S1
HB S2
SCBP
SCBM
CAM4
SCBM
SCBP
HB POW/EMG
J0537 J0535 J0531
J0142J0148J0150
YV302
YV304
YV306
YV308
YV310
YV312
YV314
YV316
YV318
YV320
YV322
HEAD I/O BOARD ASSY P042
HEAD SERVO BOARD ASSY 2 P048
SCAN B AXIS ASSY
SCB-AXIS 85W
SCAN B UNIT ASSY
SCAN B CAM. ASSY
J0520
J0331
E14
E15
E16
J0319
SCB-AXIS
CC.V3
8
HEAD B
YS24(DL)