CP-842E-02 PART LIST - 第18页
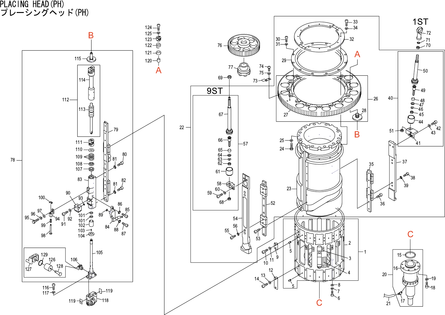
PLACING HEAD(PH) プレーシングヘッド(PH) 番号 図番 & コード番号 個数 品名 規格 材質 備考 No. Drg.No. & Code No. QTY Description Rating Materials Remarks 1 ADGPH3201 1 DRUM ドラム OT 2 DGPH0021 1 DRUM ドラム AL 3 DCPH1140 1 SEAL シール OT 4 DCWM0040 …

7

PLACING HEAD(PH)
プレーシングヘッド(PH)
番号 図番 & コード番号 個数 品名 規格 材質 備考
No. Drg.No. & Code No. QTY Description Rating Materials Remarks
1 ADGPH3201 1 DRUM ドラム OT
2 DGPH0021 1 DRUM ドラム AL
3 DCPH1140 1 SEAL シール OT
4 DCWM0040 1 SEAL シール OT
5 DCPH0031 32 PIN ピン FE
6 H5343A 8 BOLT, HEX SOCKET ボルト 六角穴 M08X030 FE
7 W1025A 8 WASHER, LOCK ワッシャ スプリング 8M/M FE
8 W1052A 8 WASHER, FLAT ワッシャ 平 8M/MX1.6X17(1W-8) FE
9 DCPH0183 16 CLAMPER クランパ FE
10 H5289A 16 BOLT, HEX SOCKET ボルト 六角穴 M04X012 FE
11 W1022A 16 WASHER, LOCK ワッシャ スプリング 4M/M FE
12 DCPH0193 16 CLAMPER クランパ FE
13 H5289A 16 BOLT, HEX SOCKET ボルト 六角穴 M04X012 FE
14 W1022A 16 WASHER, LOCK ワッシャ スプリング 4M/M FE
15 A5138A 1 O RING Oリング S 32 OT
16 DGPH0100 1 MANIFOLD マニホールド FE
17 DGPH0081 16 NIPPLE ニップル AL
18 H5302A 8 BOLT, HEX SOCKET ボルト 六角穴 M05X020 FE
19 W1023A 8 WASHER, LOCK ワッシャ スプリング 5M/M FE
20 ADGPH3501 1 MANIFOLD マニホールド OT
21 DGPH5650 16 HOSE, AIR ホース エアー OT L=105
22 ADGPH3401 1 CAM, CYLINDRICAL カム 円筒 OT
23 DGPH0011 1 CAM, CYLINDRICAL カム 円筒 FE
24 H5195A 10 BOLT, HEX ボルト 六角 M08X025 10.9 FE
25 W1025A 10 WASHER, LOCK ワッシャ スプリング 8M/M FE
26 ADCPH3300 1 GEAR, HELICAL ギヤ ヘリカル OT
27 DCPH0040 1 GEAR, HELICAL ギヤ ヘリカル FE
28 DCPH0201 16 SLEEVE スリーブ FE
29 DCPH0070 1 BEARING, ROLLER ベアリング ローラ OT
30 H5275A 12 BOLT, HEX SOCKET ボルト 六角穴 M03X008 FE
31 W1021A 12 WASHER, LOCK ワッシャ スプリング 3M/M FE
32 DCPH0060 1 RETAINER, BEARING 押え ベアリング FE
33 H5276A 12 BOLT, HEX SOCKET ボルト 六角穴 M03X010 FE
34 W1021A 12 WASHER, LOCK ワッシャ スプリング 3M/M FE
35 DGPH0060 1 GUIDE, RAIL ガイド レール OT
36 H5274A 6 BOLT, HEX SOCKET ボルト 六角穴 M03X006 FE
37 DGPH0040 1 SLIDER スライダ FE
38 H5286A 4 BOLT, HEX SOCKET ボルト 六角穴 M04X006 FE
8

PLACING HEAD(PH)
プレーシングヘッド(PH)
番号 図番 & コード番号 個数 品名 規格 材質 備考
No. Drg.No. & Code No. QTY Description Rating Materials Remarks
39 W1011A 4 WASHER, CONICAL ワッシャ 皿 M- 4-L FE
40 ADCPH3412 1 ROD, JOINT ロッド ジョイント OT
41 DCPH3690 1 JOINT ジョイント FE
42 H5299A 2 BOLT, HEX SOCKET ボルト 六角穴 M05X012 FE
43 W1023A 2 WASHER, LOCK ワッシャ スプリング 5M/M FE
44 DCPH3671 1 HOLDER ホルダ FE
45 N1085A 1 NUT, HEX ナット 六角 M 6 P=1.0 FE
46 W1024A 1 WASHER, LOCK ワッシャ スプリング 6M/M FE
47 DCPH3700 1 WASHER ワッシャ FE
48 H4272B 1 BEARING, SPHERICAL ベアリング 球面 MBWT 10 FE
49 DCPH3662 1 BOLT, STUD ボルト スタッド FE
50 DCPH3681 1 ROD, JOINT ロッド ジョイント FE
51 DCPH3791 1 NUT, LOCK ナット ロック FE
52 DGPH0050 1 GUIDE, RAIL ガイド レール OT
53 H5274A 8 BOLT, HEX SOCKET ボルト 六角穴 M03X006 FE
54 DGPH0030 1 SLIDER スライダ FE
55 H5286A 4 BOLT, HEX SOCKET ボルト 六角穴 M04X006 FE
56 W1011A 4 WASHER, CONICAL ワッシャ 皿 M- 4-L FE
57 ADCPH3452 1 ROD, JOINT ロッド ジョイント OT
58 DCPH3751 1 JOINT ジョイント FE
59 H5299A 2 BOLT, HEX SOCKET ボルト 六角穴 M05X012 FE
60 W1023A 2 WASHER, LOCK ワッシャ スプリング 5M/M FE
61 DCPH3671 1 HOLDER ホルダ FE
62 N1086A 1 NUT, HEX ナット 六角 M 6 P=1.0 3シュ FE
63 W1024A 1 WASHER, LOCK ワッシャ スプリング 6M/M FE
64 DCPH3700 1 WASHER ワッシャ FE
65 H4272B 1 BEARING, SPHERICAL ベアリング 球面 MBWT 10 OT
66 DCPH3662 1 BOLT, STUD ボルト スタッド FE
67 DCPH3742 1 ROD, JOINT ロッド ジョイント FE
68 DCPH3791 1 NUT, LOCK ナット ロック FE
69 DCPH7050 1 NUT, LOCK ナット ロック FE
70 N1089A 1 NUT, HEX ナット 六角 M 8 P=1.25 FE
71 W1014A 1 WASHER, CONICAL ワッシャ 皿 M- 8-H FE
72 WPA5160 1 PLATE, END プレート エンド OT
73 DCPQ0260 1 DOG ドッグ OT
74 K52565 2 SCREW, HEX SOCKET BUTTON 小ネジ 六角穴ボタン M04X006 FE
75 W1022A 2 WASHER, LOCK ワッシャ スプリング 4M/M FE
76 DCPH0050 1 GEAR, HELICAL ギヤ ヘリカル FE
9