00195439-05-SG_D-Serie_FSE-DE - 第93页
5 Energie- und Druckluftversorgung 5.3.4 Druckluftversorgung Gurtschneider 5.3 Pneumatiksystem Student Guide SIPLACE D-Serie (FSE) 93 5.3.4 5 . 3 . 4 D r u c k lu f t v e r s o r g u n g G u r t s c h n e id e r Druckluf…

5 Energie- und Druckluftversorgung
5.3 Pneumatiksystem 5.3.3 Pneumatikeinheit
92 Student Guide SIPLACE D-Serie (FSE)
5.3.3.5
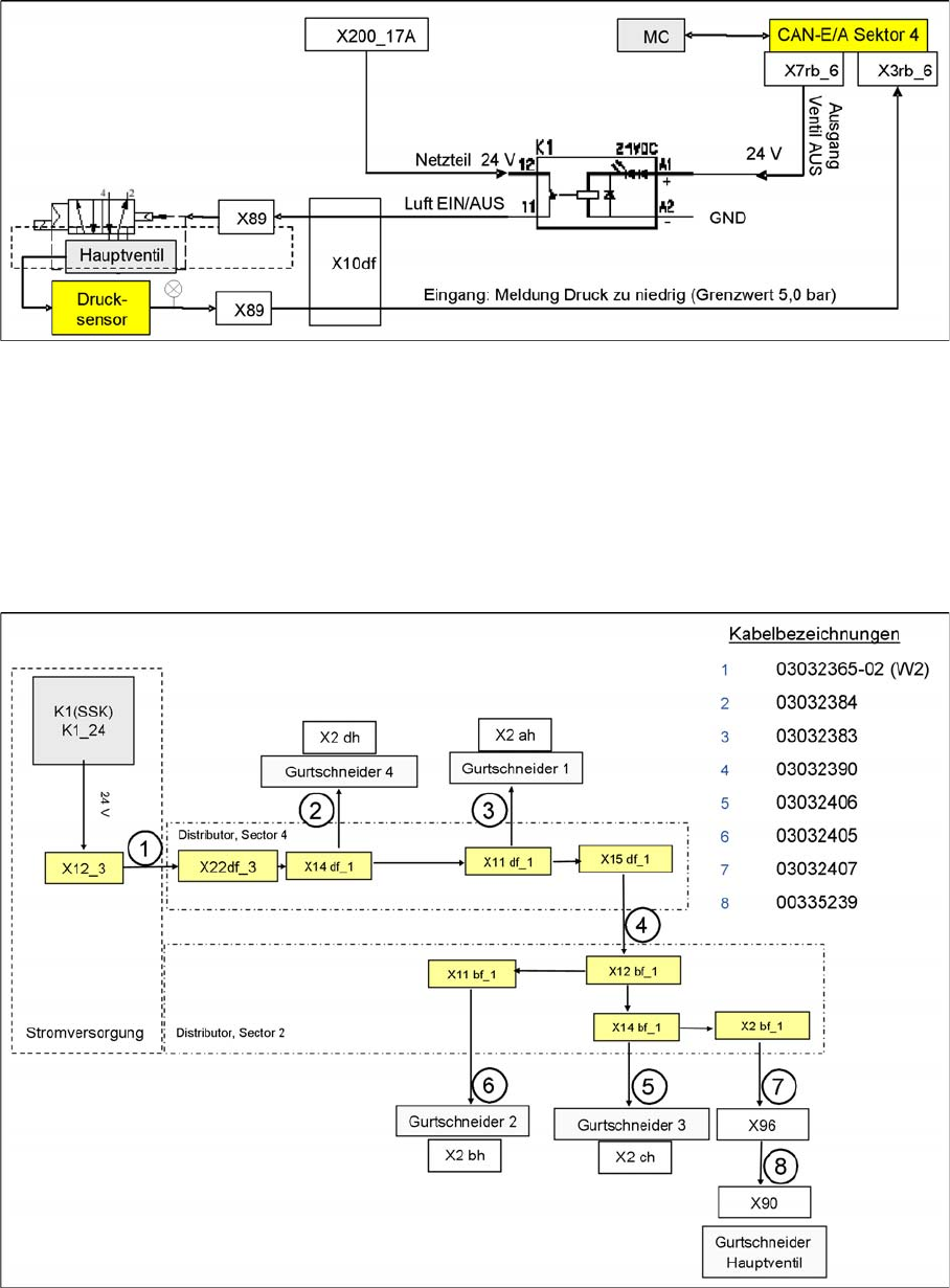
5.3.3.5 Druckluftüberwachung
Druckluftüberwachung
Durch das Einschalten der Maschine am Hauptschalter werden alle Bestückköpfe mit Druckluft versorgt.
Nach Beendigung des Referenzlaufs kann die Druckluftzufuhr nach einer bestimmten Zeit
(standardmäßig 2 Min.) softwaremäßig durch das Relais K1 im Sektor 2 abgeschaltet werden. Somit
strömt keine Luft mehr durch das Vakuumsystem der Bestückköpfe.
Die Druckluft wird über das Proportionalventil X89 auf 5,0 +0,1 bar am Bestückkopf geregelt. Diese Reg
-
lereinheit enthält auch einen Drucksensor, der den ausgehenden Luftdruck überwacht. Falls der Druck
unter 5,0 bar fällt, wird über den CAN-Bus eine Meldung ausgegeben.
5.3.3.6
5.3.3.6 Sicherheitsventil X90
Sicherheitsventil X90
Sicherheitsventil Gurtschneider
Sicherheitsventil zur Steuerung der Druckluft für Transport und Gurtschneider. Diese Module werden
nur dann mit Druckluft versorgt, nachdem der Startknopf betätigt wurde und alle Sicherheitsanforderun
-
gen erfüllt sind (Sicherheitsschleife geschlossen).

5 Energie- und Druckluftversorgung
5.3.4 Druckluftversorgung Gurtschneider 5.3 Pneumatiksystem
Student Guide SIPLACE D-Serie (FSE) 93
5.3.4
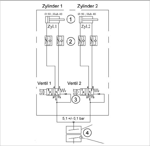
5.3.4 Druckluftversorgung Gurtschneider
Druckluftversorgung Gurtschneider
5.3.5
5.3.5 Bulk Case-System
Bulk Case-System
Ein weiterer manuell einstellbarer Regler wird verwendet, um die 5,0 bar auf 2,5 +0,5 bar zu reduzieren.
Diese Luftversorgung wird für die Bulk-Case-Förderer, für die C&P-Pipettenwechsler der D1/D1i/D2/D2i
und evtl. für Optionen benutzt.
Druckluftversorgung Gurtschneider
Legende:
1. Zylinder mit dynamischer Endposition (verhindert zu
lautes Schlaggeräusch) für das Verfahren (40 mm)
der Schneidkante
2. Einstellbare Drossel für den entsprechenden Zylinder
3. 5/2-Wegeventil
4. Luftversorgung - geschaltete 5,1 +/
-
0,1 bar über
SSK (wenn SSK betätigt)

5 Energie- und Druckluftversorgung
5.4 Für Ihre eigenen Zeichnungen und Notizen 5.3.5 Bulk Case-System
94 Student Guide SIPLACE D-Serie (FSE)
5.4
5.4 Für Ihre eigenen Zeichnungen und Notizen
Für Ihre eigenen Zeichnungen und Notizen