RS-1-Rev02PDFA - 第115页
- - REF.NO NOTE PARTN O DESCRI PTION Qty 1 #01 401-94673 AR EA_SENSO R_ASM 1 2 401-94475 AREA_SENSOR_BR_F (1) 3 401-10014 REFLEXARRAYSENSORA SM (1) 4 SL-4043091-SC SCREWM4L=30 (3) 5 401-94476 REFL…

- -
55.NON-STOPOPERATIONUNITCOMPONENTS

- -
REF.NO NOTE PARTNO DESCRIPTION Qty
1
#01
401-94673 AREA_SENSOR_ASM 1
2 401-94475 AREA_SENSOR_BR_F (1)
3 401-10014 REFLEXARRAYSENSORASM (1)
4 SL-4043091-SC SCREWM4L=30 (3)
5 401-94476 REFLECTOR_BR_F (1)
6 400-93804 REFLECTOR (1)
7 NM-3030410-SE FLANGENUTM3 (2)
8 401-94477 AREA_SENSOR_BR_R (1)
9 401-10014 REFLEXARRAYSENSORASM (1)
10 SL-4043091-SC SCREWM4L=30 (3)
11 SM-1051052-TN PLATESCREWM5L=10 (4)
12 401-94478 REFLECTOR_BR_R (1)
13 400-93804 REFLECTOR (1)
14 NM-3030410-SE FLANGENUTM3 (2)
15 E9816-729-HA0 BUPPRESSURESENSORRELAYCABLEASM (2)
16 PV-0105051-00 MECHANICALVALVE (2)
17 SL-6043092-TN SCREWM4L=30 (4)
18 E4325-725-000 BANKSENSORPLATE(CENSO) (2)
19 BT-0600400-EC URETHANETUBEBLUE6X4 (0.2)
20 PJ-3010651-06 FEMALEUNION (2)
21
#02
PJ-3080600-07 UNIONY (2)
22
#02
SL-6041292-TN SCREWM4L=12 (2)
23 HB-0015400-00 RELAY 2
24 HB-0015400-10 RELAY 2
25 401-28380 MINI_SIGNAL_TOWER_ASM 1
26 401-29010 MINISIGNALTOWERCABLEASM(OP) (2)
27 SL-6041292-TN SCREWM4L=12 (8)

- -
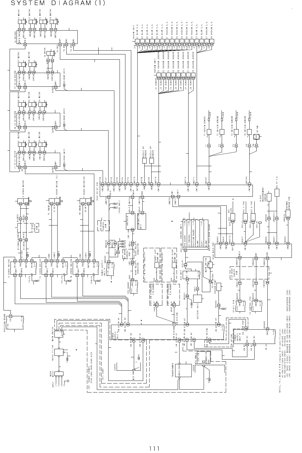
56.SYSTEMDIAGRAM(1)
1
2
3
5
6
7
8
9
1 0
1 1
1 6
1 1
2 0
1 2 1 2
1 3
1 4
1 5 1 5
1 7
1 8
1 9
2 1 2 2
2 6
2 3
2 4
2 5
2 7
3 4
2 9 3 0
3 1
3 3
3 5
3 6
3 7
4 1
4 2
4 3
4 4
5 0
4 8 4 9
7 1 7 2
2 3
4 7
6 8
6 9
3 3
4 6
5 9
5 1
5 3
5 5
5 6
5 7
5 8
6 2 6 7
5 1
4 9
1 4 8
7 5
7 4
7 6
7 7
7 8 7 9 8 0 8 1
8 2
8 4
8 6
8 3
8 5
8 8
8 7
7 3
1 2
1 2
1 2
9 1
9 0 9 0 9 0
9 09 09 0
9 1
9 1
9 0 9 0
9 4
9 2
9 3
9 69 69 69 6
9 5
9 7
9 8
9 9
1 0 0
1 0 1 1 0 2
1 0 3
1 0 4
1 0 5
1 0 6
6 3
6 4
5 4
7 0
6 5 6 5 6 5 6 5
6 6 6 6 6 6 6 6
8 9
1 0 7
1 0 7
6 1
6 0
2 8
5 3
5 2
2 3
1 1 1
4 0
3 8 3 9
2 1 2 2
4
3 2
1 0 8
1 1 0
1 1 0
1 0 9 1 0 9
4 5