RS-1-Rev02PDFA - 第120页
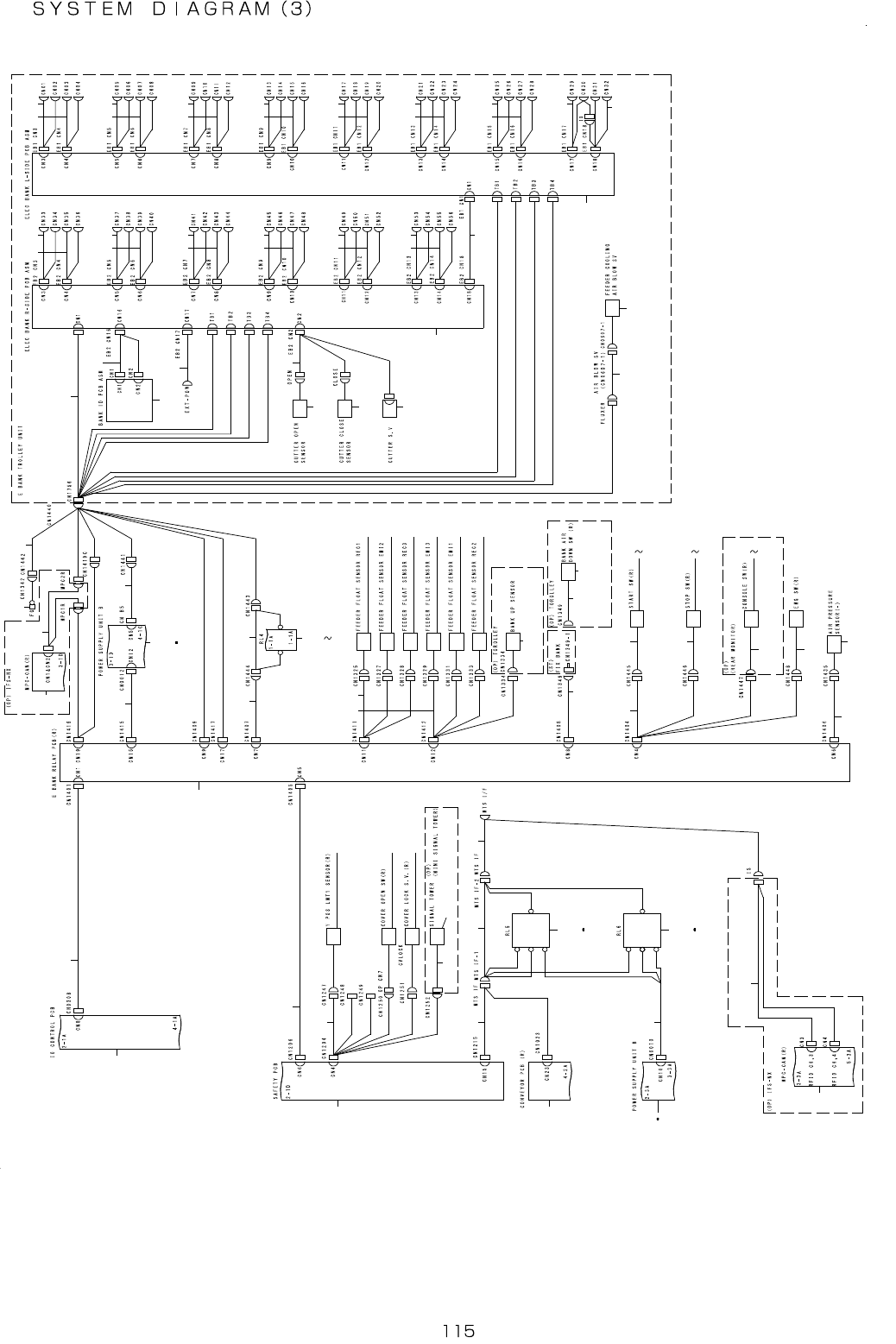
- - 58. SYSTEMD IAGRAM(3) 3 4 3 1 3 2 2 0 1 2 6 0 2 4 9 1 5 9 5 6 5 7 5 8 5 5 5 3 5 4 5 2 6 3 6 4 6 5 6 6 6 7 6 8 6 9 7 0 7 3 7 2 7 1 6 2 6 1 7 4 9 0 8 9 8 8 8 7 8 6 8 5 8 4 8 3 8 2 8 1 8 0 7 9 7 8 7 7 7 6 7 5 S V 2…

- -
REF.NO NOTE PARTNO DESCRIPTION Qty
1 401-28871 IOCONTROLPCBASM 1
2 401-82247 IO-FBKRSERIALCABLEASM 1
3 401-29320 IO-SFSERIALCABLEASM 1
4 401-83536 POWERSUPPLYUNITBASM 1
5
#01
401-87824 POWERSUPPLYUNITBASM_EN 1
6 401-83413 POSITIONBOARD 1
7 401-82224 SF-XYAMPRELAYCABLEASM 1
8 401-29652 XAXISDRIVER 1
9 401-33006 SFRELAY-FXAMPCABLEASM 1
10 401-29654 YAXISDRIVER 1
11 401-82823 SFRELAY-FYLAMPCABLEASM 1
12 401-82197 BANKCABLE(31_32-EB1CN18)ASM 1
13 401-82225 IPXXENCRELAYCABLEASM 1
14 401-90921 IP-X11SETGENASM(RS-1) 1
15 401-32991 LIGHTCONTROLPCBASM 1
16 401-90013 CAMERATRIGCABLEASM 1
17 401-28872 SAFETYPCBASM 1
18 401-86309 FBKR-SFCABLEASM 1
19 401-29020 SF-OPSWRELAYWIREASM 1
20 401-29025 EMGSWCABLEASM 1
21 401-29021 STARTSWCABLEASM 1
22 401-29022 STOPSWCABLEASM 1
23 HA-0055200-40 SWITCH 1
24 HA-0055200-30 SWITCH 1
25 HA-0055200-1B SWITCH 1
26 HA-0055200-40 SWITCH 1
27 HA-0055200-30 SWITCH 1
28 HA-0055200-10 SWITCH 1
29 401-29023 CONSOLESWCABLEASM 1
30 HA-0055200-40 SWITCH 1
31 HA-0055200-30 SWITCH 1
32 HA-0055200-1C SWITCH 1
33 HA-0053400-70 SWITCH 1
34 401-29024 KEYSWCABLEASM
1
35 HA-0063800-10 SWITCH 1
36 HA-0055200-20 SWITCH 1
37 HA-0053500-3A SWITCH 1
38 401-82244 SF-YFTOPSENSORRELAYCABLEASM 1
39 401-65028 XYLMTSENSORASM 1
40 401-29002 NEARSENSORCABLEASM 1
41 400-02254 COVEROPENSWCABLEASM 1
42 401-46405 COVERLOCKSVASM 1
43 401-29009 SIGNALTOWERCABLEASM 1
44 401-29010 MINISIGNALTOWERCABLEASM(OP) 1
45 401-82249 SF-FXYBEARCABLEASM 1
46 401-82273 YBEARCABLE 1
47 401-86335 FEEDERAIRBLOWCABLEASM 1
48 401-29001 XLMTRELAYCABLEASM 1
49 401-83349 NZL-UPSVCABLEASM 1
50 401-83535 POWERSUPPLYUNITAASM 1
51
#01
401-87823 POWERSUPPLYUNITAASM_EN 1
52 401-82223 CN1202SHORTWIREASM 1
53 HB-0018100-00 RELAY 1
54 HB-0004800-10 RELAY 1
55 HB-0002100-10 RELAYHOLOERPYC-A1 1
56 401-86333 CUTTERSAFETYCABLEASM 1
57 401-28876 EBANKRELAYPCBASM 1
58 401-29247 FEBKRFGCABLEASM 1
59 401-82227 EBKR-OUTLOADERSERIALCABLEASM 1
60 401-29073 FBKR-EUTOPPWRCABLEASM 1
61 401-82226 CNB4/B5-CN1341/1441CABLEASM 1
62 401-84380 CN1307/1407-CN1344/1444CABLEASM 1
63 401-84106 CN1343/1344-RL4_5/9CABLEASM 1
64 HB-0018100-00 RELAY 1
65 HB-0004800-10 RELAY 1
66 HB-0002100-10 RELAYHOLOERPYC-A1 1
67 401-85779 BKR-FDFLOATECABLEASM 1
68 401-81501 SEPARATESENSORRECEIVERASM 1
69 401-81502 SEPARATESENSOREMISSIONASM 1
70 401-82265 BKR-FDFLOATLEFTECABLEASM 1
71 401-82818 BKR-BANKAIRSWRELAYCABLEASM 1
72 401-82260 FBKR-AIR(P)RELAYCABLEASM 1
73 401-29071 AIR(P)SENSORCABLEASM 1
74 401-82228 EBANKSERIALCABLEASM 1
75 401-69473 BANKIDPCB(RF)ASM 1
76 401-82213 BANKCABLE(IFS-NX)ASM 1
77 401-82211 BANKCABLE(EXT-POW)ASM 1
78 400-84835 CUTOPENSENSASM 1
79 400-84839 CUTCLOSESENSASM 1
80 400-84836 CUTSVCABLEASM 1
81 401-82212 EBANKPCB-ECUTTERIFCABLEASM 1
82 401-83784 ELECBANKR-SIDEPCBASM 1
83 401-82198 BANKCABLE(33_34-EB2CN3)ASM 1
84 401-82199 BANKCABLE(35_36-EB2CN4)ASM 1
85 401-82200 BANKCABLE(37_38-EB2CN5)ASM 1
86 401-82201 BANKCABLE(39_40-EB2CN6)ASM 1
87 401-82202 BANKCABLE(41_42-EB2CN7)ASM 1
88 401-82203 BANKCABLE(43_44-EB2CN8)ASM 1
89 401-82204 BANKCABLE(45_46-EB2CN9)ASM 1
90 401-82205 BANKCABLE(47_48-EB2CN10)ASM 1
91 401-82206 BANKCABLE(49_50-EB2CN11)ASM 1
92 401-82207 BANKCABLE(51_52-EB2CN12)ASM 1
93 401-82208 BANKCABLE(53_54-EB2CN13)ASM
1
94 401-82209 BANKCABLE(55_56-EB2CN14)ASM 1
95 401-82210 CANJAMPERCABLEASM 1
96 401-83783 ELECBANKL-SIDEPCBASM 1
97 401-82182 BANKCABLE(1_2-EB1CN3)ASM 1
98 401-82183 BANKCABLE(3_4-EB1CN4)ASM 1
99 401-82184 BANKCABLE(5_6-EB1CN5)ASM 1
100 401-82185 BANKCABLE(7_8-EB1CN6)ASM 1
101 401-82186 BANKCABLE(9_10-EB1CN7)ASM 1
102 401-82187 BANKCABLE(11_12-EB1CN8)ASM 1
103 401-82188 BANKCABLE(13_14-EB1CN9)ASM 1
104 401-82189 BANKCABLE(15_16-EB1CN10)ASM 1
105 401-82190 BANKCABLE(17_18-EB1CN11)ASM 1
106 401-82191 BANKCABLE(19_20-EB1CN12)ASM 1
107 401-82192 BANKCABLE(21_22-EB1CN13)ASM 1
108 401-82193 BANKCABLE(23_24-EB1CN14)ASM 1
109 401-82194 BANKCABLE(25_26-EB1CN15)ASM 1
110 401-82195 BANKCABLE(27_28-EB1CN16)ASM 1
111 401-82196 BANKCABLE(29_30-EB1CN17)ASM 1
112 HE-0005700-00 INDICATORLAMP 1
113 401-69048 MPC-CAN 1
114 401-87771 MPCCABLEASM(RS-1) 1
115 401-29011 EUTOP-SFPWRCABLEASM 1
116
#01
401-88157 EUBOTTOM-SFENCABLEASM 1
117 401-90012 IPXX-ENCRELAYCABLEASM 1
118 401-29070 BANKUPSENSORCABLEASM 1
119 401-29069 BKR-BANKAIRSWCABLEASM 1
120 PV-0151250-00 MANUALVALVE 1

- -
58.SYSTEMDIAGRAM(3)
3 4
3 1
3 2
2 0
1
2
6 0
2 4
9 1
5 9
5 6 5 7 5 8
5 5
5 3
5 4
5 2
6 3
6 4
6 5
6 6
6 7
6 8
6 9
7 0
7 3
7 2
7 1
6 2
6 1
7 4
9 0
8 9
8 8
8 7
8 6
8 5
8 4
8 3
8 2
8 1
8 0
7 9
7 8
7 7
7 6
7 5
S V
2 2
2 1
2 7
1 6 1 7
2 5
2 6
2 3
2 8 3 0
3 5
3 33 33 23 33 2
3 6
3 7 4 1
3 8 4 0 4 2 4 4
4 5
4 6 4 9
9 6
5 0
5 1
3
4
5
6 7 8
9 2
1 0
1 1
1 2
1 3
1 6 1 7
9 7
1 8 1 91 4 1 5
9 5
9 3
9
9 4
9 3
9 9
1 0 0
9 8

- -
REF.NO NOTE PARTNO DESCRIPTION Qty
1 401-28871 IOCONTROLPCBASM 1
2 401-29323 IO-RBKRSERIALCABLEASM 1
3 401-28872 SAFETYPCBASM 1
4 401-82246 RBKR-SFCABLEASM 1
5 401-82245 SF-YRTOPSENSORRELAYCABLEASM 1
6 401-65028 XYLMTSENSORASM 1
7 400-02254 COVEROPENSWCABLEASM 1
8 401-46405 COVERLOCKSVASM 1
9 401-29010 MINISIGNALTOWERCABLEASM(OP) 1
10 401-82268 MTSI/FCABLEASM 1
11 401-84212 MTSI/FCABLE2ASM 1
12 401-29336 MTSI/FBRCABLEASM 1
13 401-28875 CONVEYORPCBASM 1
14 EZ-1755690-11 RELAYPOWER(RJ1S-CLD-D24) 1
15 EZ-1755691-11 SOCKETRELAY(SJ1S-05B) 1
16 401-83536 POWERSUPPLYUNITBASM 1
17
#01
401-87824 POWERSUPPLYUNITBASM_EN 1
18 EZ-1755690-11 RELAYPOWER(RJ1S-CLD-D24) 1
19 EZ-1755691-11 SOCKETRELAY(SJ1S-05B) 1
20 401-28876 EBANKRELAYPCBASM 1
21 401-29247 FEBKRFGCABLEASM 1
22 401-82296 EBKR-OUTLOADERSERIALCABLEASM2 1
23 401-82248 RBKREUTOPPWRCABLEASM 1
24 401-83349 NZL-UPSVCABLEASM 1
25 401-82226 CNB4/B5-CN1341/1441CABLEASM 1
26 401-84380 CN1307/1407-CN1344/1444CABLEASM 1
27 401-84107 CN1443/1444-RL4_6/10CABLEASM 1
28 HB-0018100-00 RELAY 1
29 HB-0004800-10 RELAY 1
30 HB-0002100-10 RELAYHOLOERPYC-A1 1
31 401-85779 BKR-FDFLOATECABLEASM 1
32 401-81501 SEPARATESENSORRECEIVERASM 1
33 401-81502 SEPARATESENSOREMISSIONASM 1
34 401-82265 BKR-FDFLOATLEFTECABLEASM 1
35 401-82818 BKR-BANKAIRSWRELAYCABLEASM 1
36 401-29082 RBKR-OPSWRELAYCABLEASM 1
37 401-29021 STARTSWCABLEASM 1
38 HA-0055200-40 SWITCH 1
39 HA-0055200-30 SWITCH 1
40 HA-0055200-1B SWITCH 1
41 401-29022 STOPSWCABLEASM
1
42 HA-0055200-40 SWITCH 1
43 HA-0055200-30 SWITCH 1
44 HA-0055200-10 SWITCH 1
45 401-29023 CONSOLESWCABLEASM 1
46 HA-0055200-40 SWITCH 1
47 HA-0055200-30 SWITCH 1
48 HA-0055200-1C SWITCH 1
49 HA-0053400-70 SWITCH 1
50 401-29151 RBKR-AIR(N)RELAYCABLEASM 1
51 401-29080 AIR(N)SENSORCABLEASM 1
52 401-82228 EBANKSERIALCABLEASM 1
53 401-69473 BANKIDPCB(RF)ASM 1
54 401-82213 BANKCABLE(IFS-NX)ASM 1
55 401-82211 BANKCABLE(EXT-POW)ASM 1
56 400-84835 CUTOPENSENSASM 1
57 400-84839 CUTCLOSESENSASM 1
58 400-84836 CUTSVCABLEASM 1
59 401-82212 EBANKPCB-ECUTTERIFCABLEASM 1
60 401-83784 ELECBANKR-SIDEPCBASM 1
61 401-82198 BANKCABLE(33_34-EB2CN3)ASM 1
62 401-82199 BANKCABLE(35_36-EB2CN4)ASM 1
63 401-82200 BANKCABLE(37_38-EB2CN5)ASM 1
64 401-82201 BANKCABLE(39_40-EB2CN6)ASM 1
65 401-82202 BANKCABLE(41_42-EB2CN7)ASM 1
66 401-82203 BANKCABLE(43_44-EB2CN8)ASM 1
67 401-82204 BANKCABLE(45_46-EB2CN9)ASM 1
68 401-82205 BANKCABLE(47_48-EB2CN10)ASM 1
69 401-82206 BANKCABLE(49_50-EB2CN11)ASM 1
70 401-82207 BANKCABLE(51_52-EB2CN12)ASM 1
71 401-82208 BANKCABLE(53_54-EB2CN13)ASM 1
72 401-82209 BANKCABLE(55_56-EB2CN14)ASM 1
73 401-82210 CANJAMPERCABLEASM 1
74 401-83783 ELECBANKL-SIDEPCBASM 1
75 401-82182 BANKCABLE(1_2-EB1CN3)ASM 1
76 401-82183 BANKCABLE(3_4-EB1CN4)ASM 1
77 401-82184 BANKCABLE(5_6-EB1CN5)ASM 1
78 401-82185 BANKCABLE(7_8-EB1CN6)ASM 1
79 401-82186 BANKCABLE(9_10-EB1CN7)ASM 1
80 401-82187 BANKCABLE(11_12-EB1CN8)ASM 1
81 401-82188 BANKCABLE(13_14-EB1CN9)ASM 1
82 401-82189 BANKCABLE(15_16-EB1CN10)ASM 1
83 401-82190 BANKCABLE(17_18-EB1CN11)ASM 1
84 401-82191 BANKCABLE(19_20-EB1CN12)ASM 1
85 401-82192 BANKCABLE(21_22-EB1CN13)ASM 1
86 401-82193 BANKCABLE(23_24-EB1CN14)ASM 1
87 401-82194 BANKCABLE(25_26-EB1CN15)ASM 1
88 401-82195 BANKCABLE(27_28-EB1CN16)ASM 1
89 401-82196 BANKCABLE(29_30-EB1CN17)ASM 1
90 401-82197 BANKCABLE(31_32-EB1CN18)ASM 1
91 401-86335 FEEDERAIRBLOWCABLEASM 1
92 HE-0005700-00 INDICATORLAMP 1
93 401-69048 MPC-CAN 1
94 401-29126 HUB-MTSSERIALWIREASM(IS) 1
95 401-87771 MPCCABLEASM(RS-1) 1
96 401-29025 EMGSWCABLEASM 1
97 401-84213 MTSI/FCABLE3ASM 1
98 401-29070 BANKUPSENSORCABLEASM 1
99 401-29069 BKR-BANKAIRSWCABLEASM 1
100 PV-0151250-00 MANUALVALVE 1