RS-1-Rev02PDFA - 第125页
- - REF.NO NOTE PARTNO DESCRIPTION Qt y 1 401-90921 IP -X11SETGENASM(RS-1) 1 2 E9623-721-000 PORTRAITMONITORCABLE 1 3 401-29641 SUP ERIMPOSEBOARD 1 4 401-29642 DVI CABLEL2.5M 1 5 401-29084 SPI…

- -
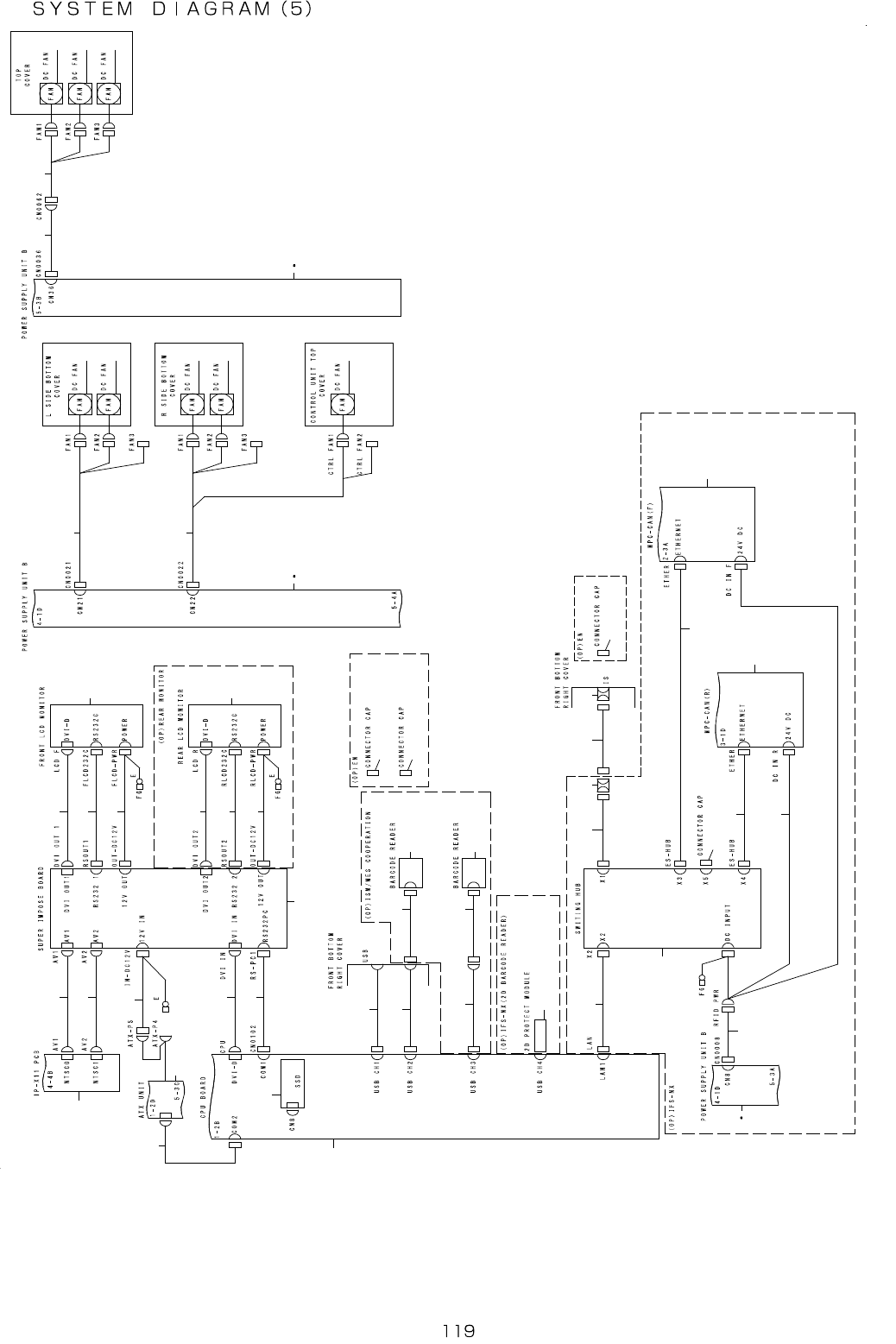
60.SYSTEMDIAGRAM(5)
1
2 2
1 0
8
9
1 1
1 2
1 3 1 4
1 5 1 5
3
4 5 6 1 8 1 9 2 0
7 7
2 1 2 2
3 9 2 4
2 3 2 3 2 3 2 3 2 3
2 1 2 2
2 5
2 6
2 3 2 3 2 3
2 8 2 8
2 9 2 9
2 7
3 0
3 1
3 2
2 1 2 2
3 4
3 53 6
3 3
1 6
1 7
1 7
3 7
3 7
3 8
4 0 4 0
4 2
4 1

- -
REF.NO NOTE PARTNO DESCRIPTION Qty
1 401-90921 IP-X11SETGENASM(RS-1) 1
2 E9623-721-000 PORTRAITMONITORCABLE 1
3 401-29641 SUPERIMPOSEBOARD 1
4 401-29642 DVICABLEL2.5M 1
5 401-29084 SPIMP-FLCDSERIALCABLEASM 1
6 401-29085 SPIMP-FLCDPWRCABLEASM 1
7 401-58158 15INCHLCDMONITOR 1
8 401-82290 ATX232CCABLEASM2 1
9 EZ-1468979-11 POWER(ENSP-300P-S20-11S) 1
10 401-82271 ATX-SPIMPPWRCABLEASM2 1
11 401-23242 CPUBOARD 1
12 401-29881 ENVIRONMENTSYSTEMDISKASM(RX6SSDMES) 1
13 401-29644 DVICABLE1M 1
14 401-82263 CPU-SPIMPSERIALCABLEASM 1
15 400-44522 USBRELAYCABLE 1
16 HW-0018100-80 LANCABLE 1
17 HK-0651200-80 MODULARKAPLA 1
18 401-29643 DVICABLEL4.0M 1
19 401-29087 SPIMP-RLCDSERIALCABLEASM 1
20 401-29088 SPIMP-RLCDPWRCABLEASM 1
21 401-83536 POWERSUPPLYUNITBASM 1
22
#01
401-87824 POWERSUPPLYUNITBASM_EN 1
23 401-89090 DCFANASM 1
24 401-89242 BASERFANRELAYCABLEASM 1
25 401-89243 TOPCOVERFANRELAYCABLEASM 1
26 401-89244 TOPCOVERFANCABLEASM 1
27 401-73481 USBREPEATERCABLE 1
28 401-73482 USBBARCORDREADERCABLE(4M) 1
29 EZ-1458644-11 READERBARCODE 1
30 401-29932 2DPROTECTMODULE(USB) 1
31 400-79652 RFIDLANCABLEASM 1
32 400-73033 SWITCHINGHUB 1
33 400-73780 FX1RRFIDLANCABLE(1.65M)ASM 1
34 401-87772 EU-HUB/MPCPWRRELAYCABLEASM 1
35 401-87773 HUB/MPCPOWERCABLEASM 1
36 401-68954 MPCLANCABLE2ASM 1
37 401-69048 MPC-CAN 1
38 400-73738 RFIDLANCABLE(4.5M)ASM 1
39 401-89241 BASELFANRELAYCABLEASM 1
40
#01
HX-0066700-00 DUSTCOVER 1
41
#01
HX-0066000-00 DUSTCOVER 1
42 HX-0066000-00 DUSTCOVER 1

Notes