文档中心
/
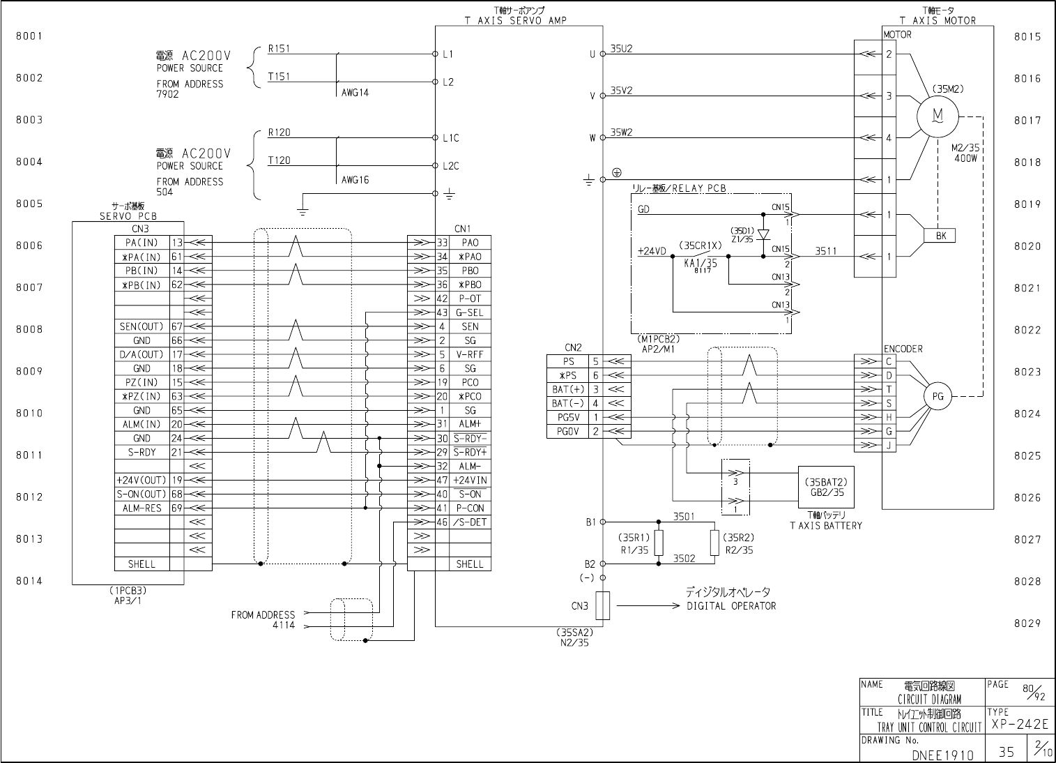
Schmtic_XP242_XN373-
Schmtic_XP242_XN373- - 第84页
在线预览 Schmtic_XP242_XN373- PDF 文档。
目录
100%
显示:宽度
宽度
1 / 175
回到旧版
旧版
?
该页面需要启用 JavaScript 才能进行交互式预览。