PXH-1 5OM-1321-002_w - 第112页
Tg1301-ID-MD 3-19 ၮ᧼៝ㅍࡕ࠲ ၮ᧼៝ㅍࡕ࠲ 0602-001-(M831WBB--101 1)

Tg1301-ID-MD
3-18
ශᓮㇱ
ශᓮㇱ
0602-001-(M831WBB--1010)

Tg1301-ID-MD
3-19
ၮ᧼៝ㅍࡕ࠲
ၮ᧼៝ㅍࡕ࠲
0602-001-(M831WBB--1011)

Tg1301-ID-MD
3-20
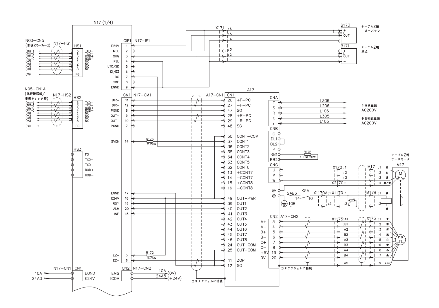
࠹ࡉ࡞ㇱ < ゲࠨࡏࡕ࠲
࠹ࡉ࡞ㇱ < ゲࠨࡏࡕ࠲
0602-001-(M831WBB--1012)