PXH-1 5OM-1321-002_w - 第116页
Tg1301-ID-MD 3-23 ࠹ࡉ࡞ㇱၮ᧼ਅゲࡕ࠲ ࠹ࡉ࡞ㇱၮ᧼ਅゲࡕ࠲ 0602-001-(M831WBB--1015)

Tg1301-ID-MD
3-22
࠹ࡉ࡞ㇱ
θ
ゲࠨࡏࡕ࠲
࠹ࡉ࡞ㇱ
θ
ゲࠨࡏࡕ࠲
0602-001-(M831WBB--1014)

Tg1301-ID-MD
3-23
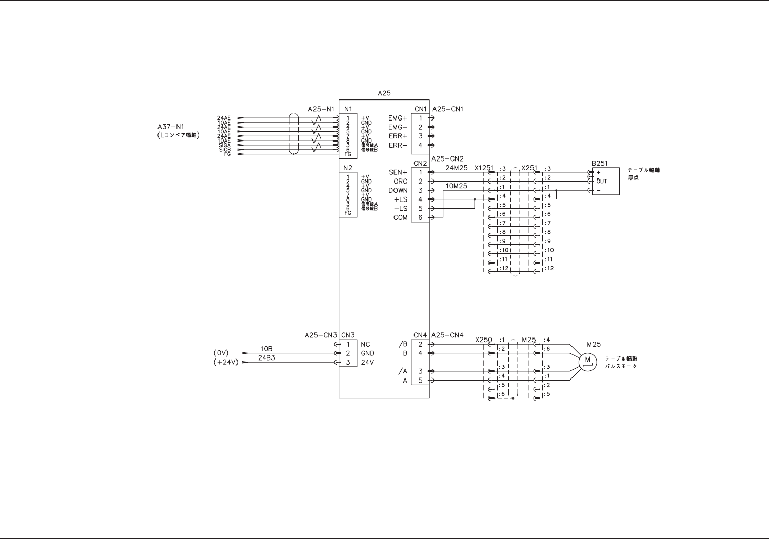
࠹ࡉ࡞ㇱၮ᧼ਅゲࡕ࠲
࠹ࡉ࡞ㇱၮ᧼ਅゲࡕ࠲
0602-001-(M831WBB--1015)

Tg1301-ID-MD
3-24
࠹ࡉ࡞ゲࡄ࡞ࠬࡕ࠲
࠹ࡉ࡞ࡄ࡞ࠬࡕ࠲
0602-001-(M831WBB--1016)