PXH-1 5OM-1321-002_w - 第121页
Tg1301-ID-MD 3-28 ၮ᧼⼂ ; ゲࡄ࡞ࠬࡕ࠲ ၮ᧼⼂ ; ゲࡄ࡞ࠬࡕ࠲ 0602-001-(M831WBB--1020)

Tg1301-ID-MD
3-27
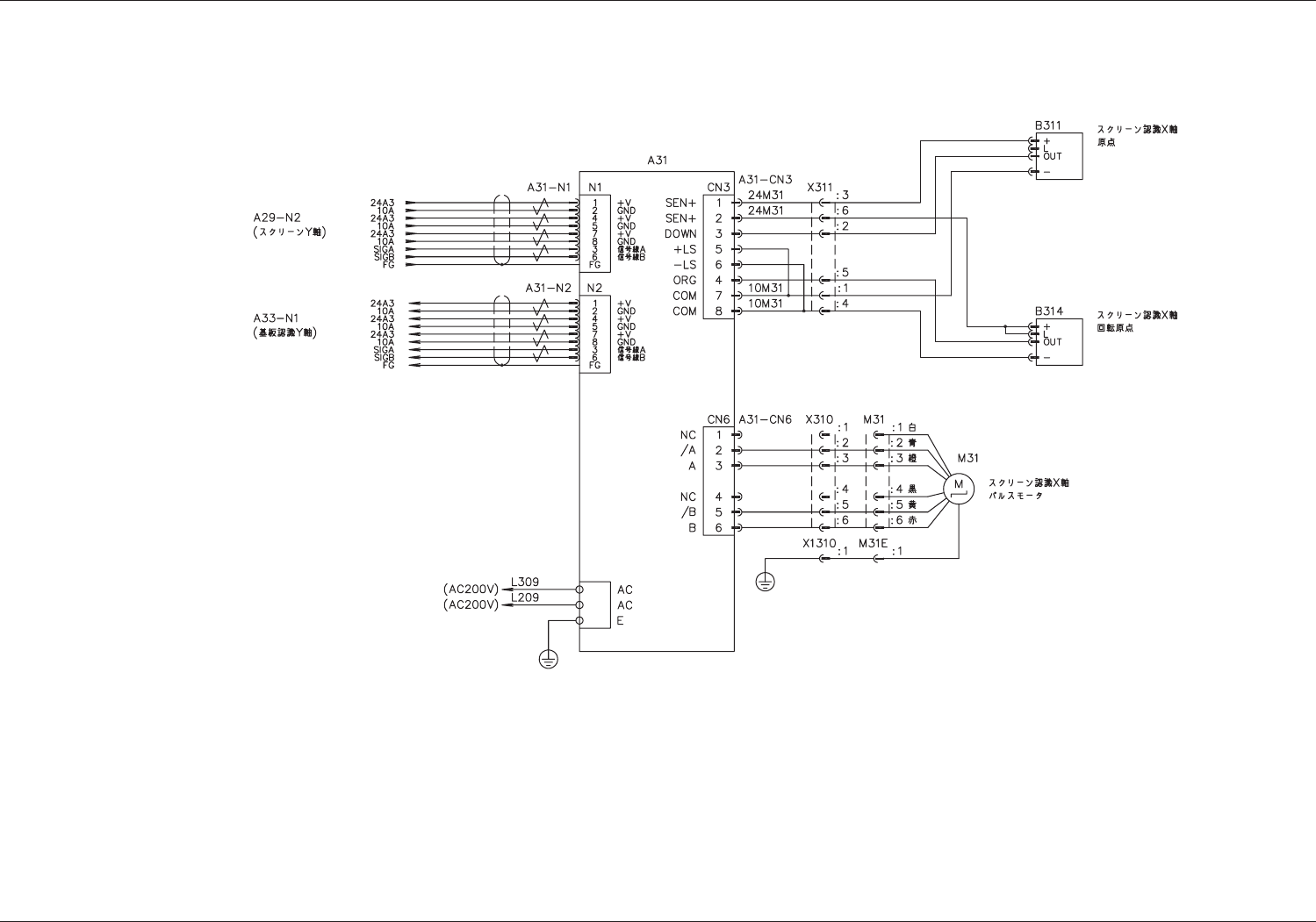
ࠬࠢࡦ⼂ : ゲࡄ࡞ࠬࡕ࠲
ࠬࠢࡦ⼂ : ゲࡄ࡞ࠬࡕ࠲
0602-001-(M831WBB--1019)

Tg1301-ID-MD
3-28
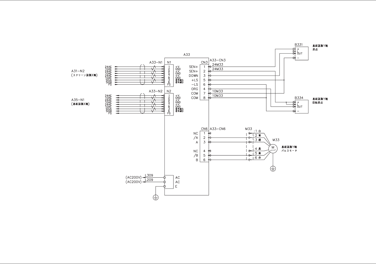
ၮ᧼⼂ ; ゲࡄ࡞ࠬࡕ࠲
ၮ᧼⼂ ; ゲࡄ࡞ࠬࡕ࠲
0602-001-(M831WBB--1020)

Tg1301-ID-MD
3-29
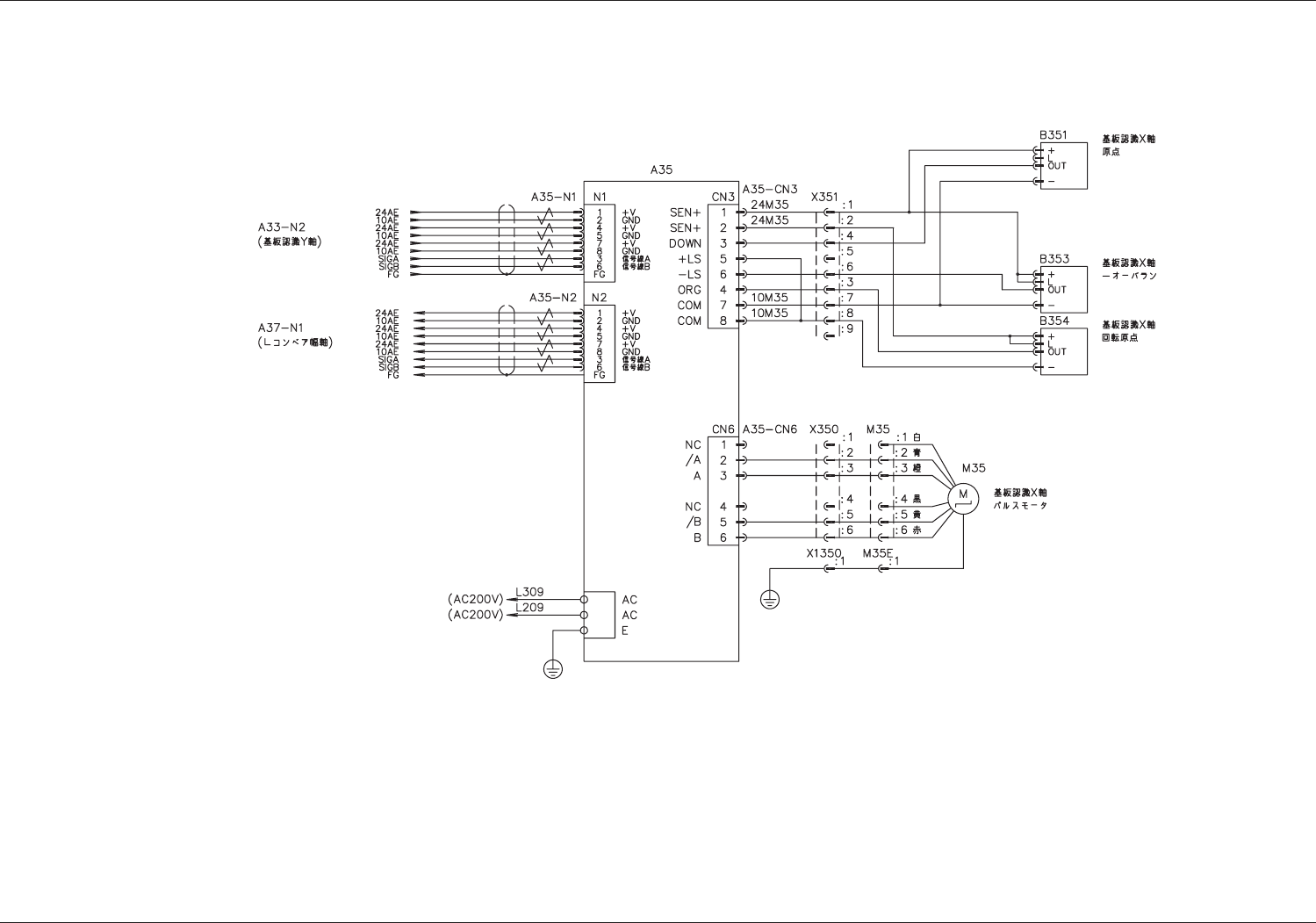
ၮ᧼⼂ : ゲࡄ࡞ࠬࡕ࠲
ၮ᧼⼂ : ゲࡄ࡞ࠬࡕ࠲
0602-001-(M831WBB--1021)