PXH-1 5OM-1321-002_w - 第128页
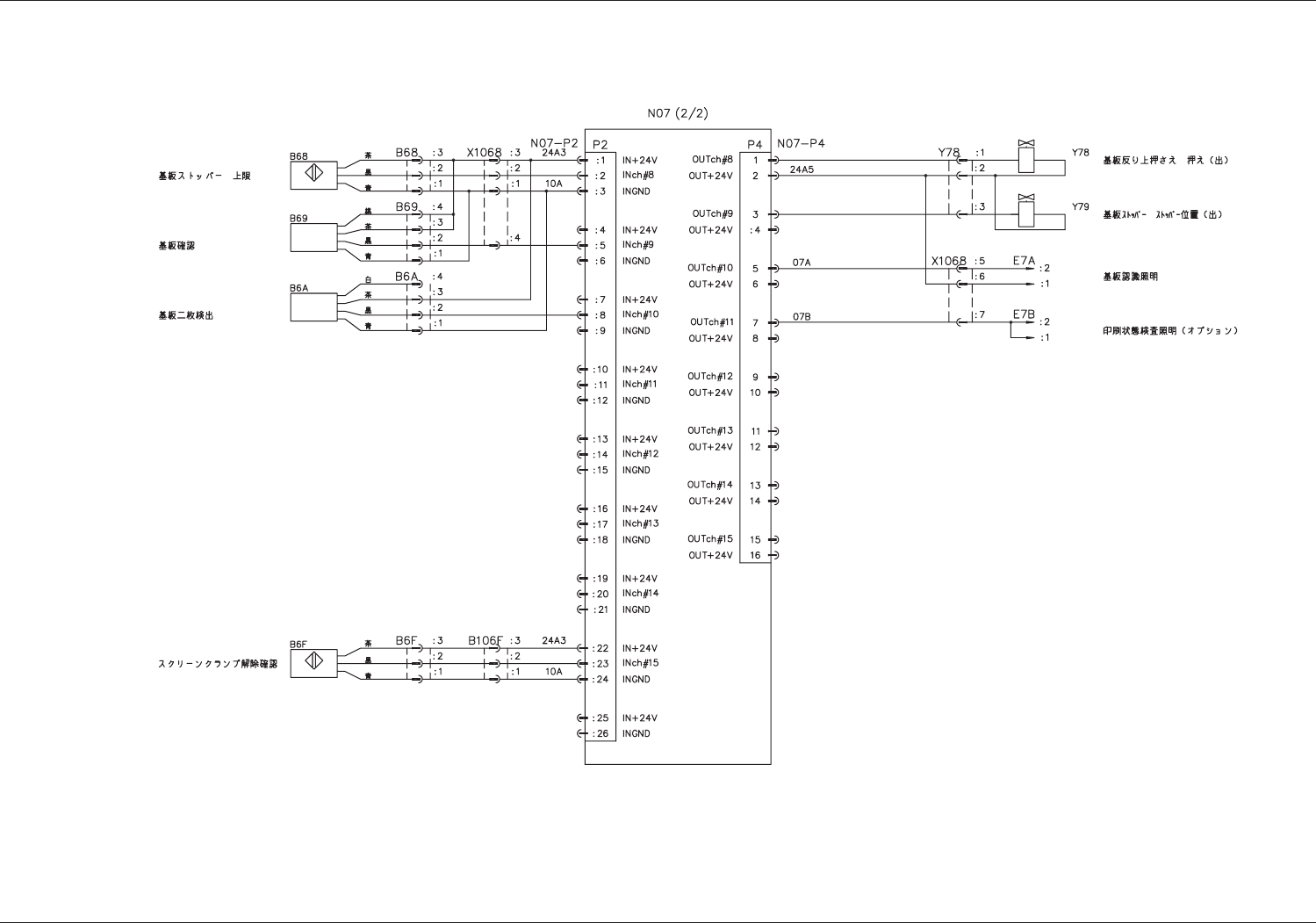
Tg1301-ID-MD 3-35 ⼂ࠞࡔធ⛯࿑ ⼂ࠞࡔធ⛯࿑ 0607-002 A(M831WG---1001)

Tg1301-ID-MD
3-34
ၮ᧼⼂ㇱ+1
ၮ᧼⼂ㇱ+1
0602-001-(M831WFA--1002)

Tg1301-ID-MD
3-35
⼂ࠞࡔធ⛯࿑
⼂ࠞࡔធ⛯࿑
0607-002 A(M831WG---1001)

Tg1301-ID-MD
3-36
ࠢ࠾ࡦࠣㇱ+1
ࠢ࠾ࡦࠣㇱ+1
0602-001-(M831WM---1001)