88242361-04-01 Vol 1 DEK TQ TECHNICAL REFERENCE (1) - 第144页
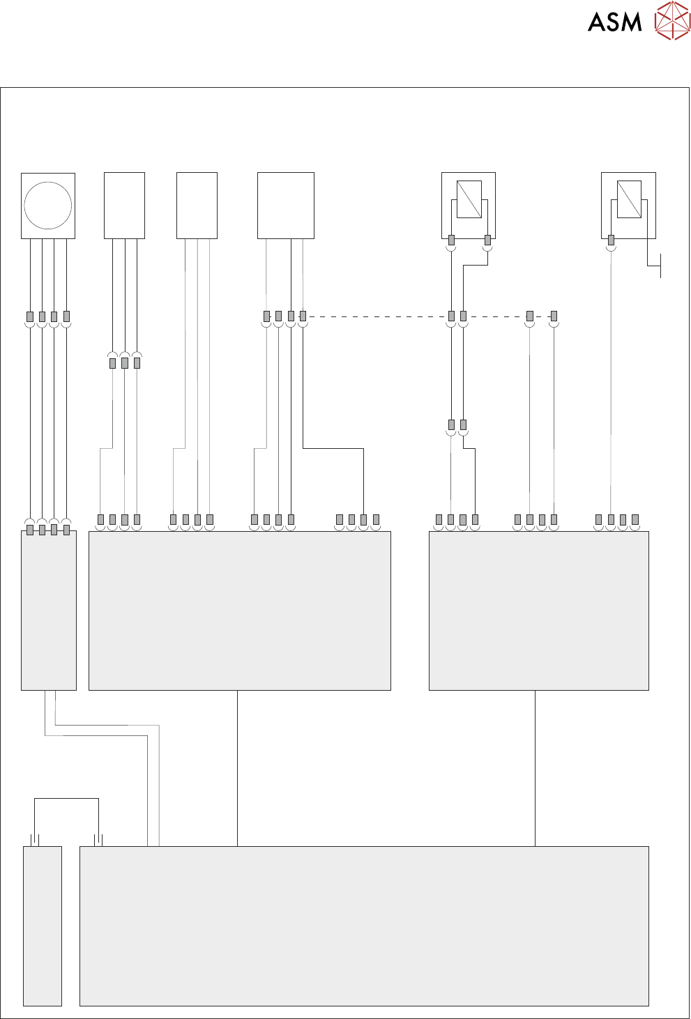
9 PASTE DISPENSER SYSTEM 9.2 ELECTRICAL SCHEMATIC 144 TECHNICAL REFERENCE MANUAL DEK TQ 04/2021 Machine Controller Controller Power Module (C P M) Fibre Optic Links Ribbon Cables S IO Link Cable S IO Link Cable M Paste D…

9 PASTE DISPENSER SYSTEM
9.2 ELECTRICAL SCHEMATIC
TECHNICAL REFERENCE MANUAL DEK TQ 04/2021 143
9.2 ELECTRICAL SCHEMATIC
Machine Controller
Controller Power Module
(CPM)
Fibre
Optic
Links
Ribbon Cables
SIO Link Cable
SIO Link Cable
M
Paste
Dispense
Drive
MTR20
Paste Low
4SE18
Dispense
Drop Home
4SE20
Extended Power Module
EPM2-2
J2
EPM2PL10
5PL34
Paste
Dispense
Pressure
5SOL10
Paste
Dispense
Drop
5SOL9
ESIO-5
IO13
IO11
IO12
ESIO-4
IO15
IO20
IO6
IO21
4PL25
4PL6
Home
4SE21
Sensor
Sensor
Sensor
5SK19
3SK2
0V
Paste Dispenser - Cartridge

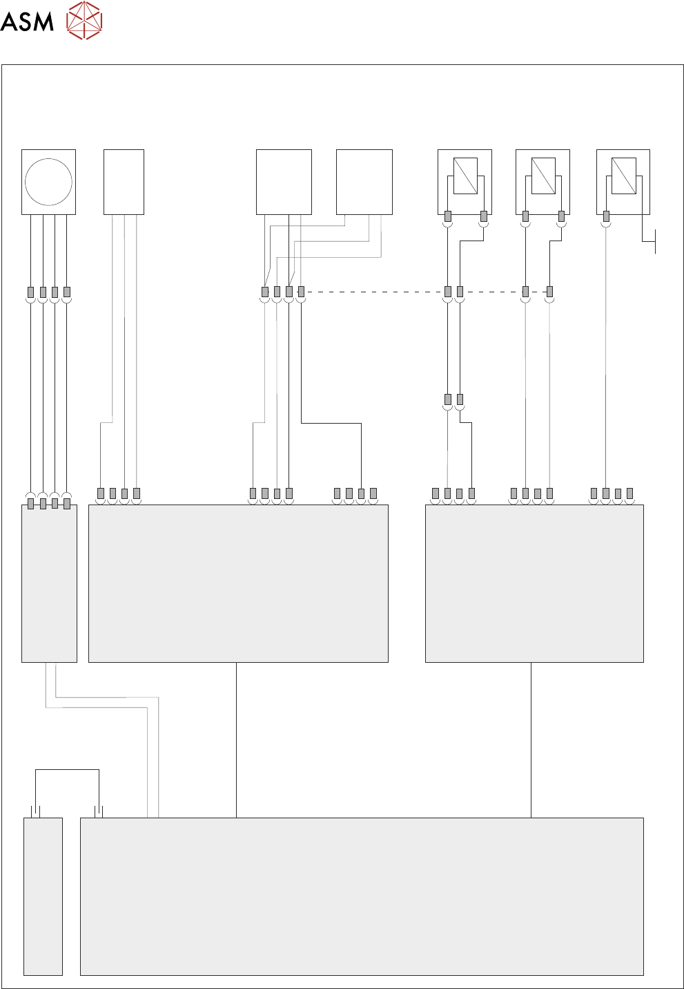
9 PASTE DISPENSER SYSTEM
9.2 ELECTRICAL SCHEMATIC
144 TECHNICAL REFERENCE MANUAL DEK TQ 04/2021
Machine Controller
Controller Power Module
(CPM)
Fibre
Optic
Links
Ribbon Cables
SIO Link Cable
SIO Link Cable
M
Paste
Dispense
Drive
MTR20
Paste Low
4SE19
Dispense
Drop Home
4SE20
Extended Power Module
EPM2-2
J2
EPM2PL10
5PL34
Paste
Dispense
Pressure
5SOL10
Paste Pot
Plunger
Retract
5SOL12
Paste
Dispense
Drop
5SOL9
ESIO-5
IO13
IO11
IO12
ESIO-4
IO15
IO6
IO21
4PL25
Home
4SE21
Sensor
Sensor
Sensor
5SK19
5SK32
3SK2
0V
Paste Dispenser - Jar

9 PASTE DISPENSER SYSTEM
9.2 ELECTRICAL SCHEMATIC
TECHNICAL REFERENCE MANUAL DEK TQ 04/2021 145
Power Supply Enclosure
(M71)
Paste Dispenser
Interlock PCBA
Paste
Dispense
Cover Lock
5MAG1
PL1
PL2
M71PL60
Single Cover
Blanking Socket
M71PL23
M71PL33
M71PL31
Front Cover
Safety Switch
M71PL61
M71PL38
M71PL62
Paste Dispenser Motor
Switch (M71SW6)
Paste Dispenser Cover
Switch (M71SW7)
Paste Dispenser Cover Lock