YSi-V_cwd_je - 第11页
Confidential & Proprietary P A GE +24VF5 CN27 CN26 +24VS2 +24VC2,+ 24VC3 CN2 8 CN29 SS FEEDER PREVIOUS PREVIOUS NEXT J0226 J0225 J0205 A-GATE 2 A-GATE 2 A-GATE 2 PREVIOU S INTER FACE LAN E 2 NEXT INTERFACE LANE 2 PRE…

Confidential & Proprietary
PAGE
CN17F.TERMINAL BOARD
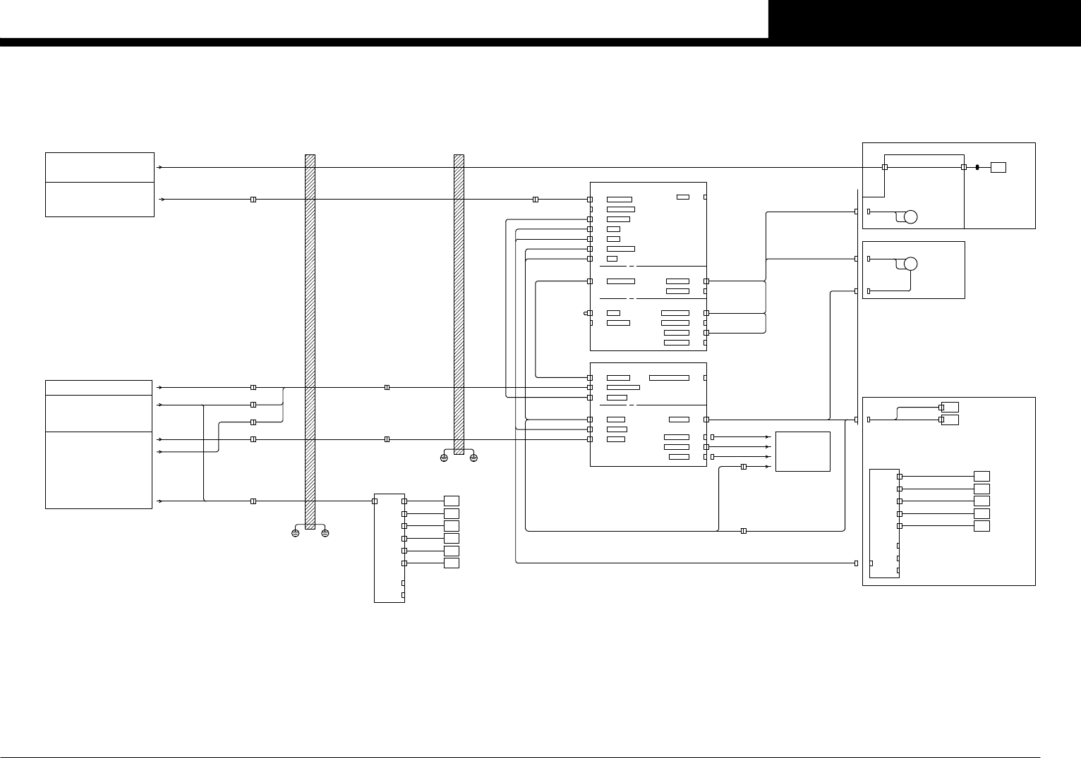
I/O CONVEYOR BOARD ASSY P025
CN17
TCN1
J0203
DO2,DO3 CN24
CN25
GATE CN25
J0207
CN9
TCN9
N01002C6
CN8
TCN8
N01002F0
CN7
TCN7
SQ012
SQ016
SQ017
WAITING POSITION LANE 1
CN13
CN26
TCN13 W1-AXIS ORIGIN
N01002C7
N01002E5
TCN26
N01002C4
CN11
TCN11
CN12
TCN12
1
2 SQ019
SQ011
SQ023
CN15
TCN15
SQ013
CN17
N01002E4
SQ020
CN16 SQ018
CN19
CN21
N01002E5
TCN19 CONV.R LANE1
SQ014
SQ022
CN23
TCN23 CONV.L LANE1
SQ015
SQ021
CN28
P
N0100302
SP11
AIR PRESSUREAIRTCN28 F
CN2
CN3
CN4
CN5
CN6
CN10
CN14
CN25
CN18
CN20
CN22
CN24
CN27
CN30
CN29
J0216
J0217
W1 ORG
J0220 MST1R2
N01002F1
N01002F6
N01002F2
INSPECT POSITION LANE1
N01002F3
WORK OUT LANE1
N01002F7
TCN21
N01002F5
PUSH UP LOWER LANE1
PUSH UP UPPER LANE1
TCN1
CN9
TCN9
CN8
TCN8
CN7
TCN7
CN13
CN26
TCN13 W1-AXIS ORIGIN
TCN26
CN11
TCN11
CN12
TCN12
1
2
CN15
TCN15
CN17
TCN17
CN16
CN19
CN21
TCN19
CN23
TCN23
CN28
CN2
CN3
CN4
CN5
CN6
CN10
CN14
CN25
CN18
CN20
CN22
CN24
CN27
CN30
CN29
TCN28 R W-AXIS SAFE
SQ044
SQ032
SQ036
SQ037
SQ039
SQ031
SQ043
SQ033
SQ038
SQ040
SQ034
SQ032
SQ035
SQ041
WAITING POSITION LANE2
INSPECT POSITION LANE2
WORK OUT LANE2
CONV.R LANE2
PUSH UP LOWER LANE2
CONV.L LANE2
PUSH UP UPPER LANE2
J0218
W2 ORG
J0219
W SAFE
J0221 MST1R2
N0100305
N0100304
N01002D6
N0100312
N0100306
N01002D7
N0100307
N0100313
N01002E0
N0100310
TCN21
N01002E1
N0100311
N01002D4
N0100316
CN18OPE.PANEL F
CN18 READY
SB05
READY
OPERATION PANEL
J0204 J0279
N0100280/T0100040
READY(WHITE)
CN19R.TERMINAL BOARD TCN1
TCN1R
CN20OPE.PANEL R
DO11 CN22
CN22 J0251
DO0,DO1
CN21
YV001
YV002
YV003
YV004
YV005
T01000B0
T01000B1
T01000B2
T01000B3
T01000B4
YV006
T01000B5
CLAMP1 L1 LANE1 PCB CLAMP1
LANE1 PCB CLAMP2CLAMP2 L1
PU UP L1 LANE1 PUSH UP
MST1 L1
SUB ST L1 LANE1 SUB STOPEER UP
LANE1 MAIN STOPPER2 UP
LANE1 MAIN STOPPER1 UP
MST2 L1
DO12 CN23
T01000C0
T01000C1
T01000C2
T01000C3
T01000C4
YV011
YV012
YV013
YV014
YV015
YV016
T01000C5
LANE2 PCB CLAMP1
LANE2 PCB CLAMP2
LANE2 PUSH UP
LANE2 SUB STOPEER UP
LANE2 MAIN STOPPER1 UP
LANE2 MAIN STOPPER2 UP
CLAMP1 L2
CLAMP2 L2
PU UP L2
MST1 L2
SUB ST L2
MST2 L2
TERMINAL BOARD ASSY P017(FRONT)
TERMINAL BOARD ASSY P018(REAR)
INTERFACE CONNECTOR
See Page 8
I/O CONVEYOR -3-
NEXT A,B
PREV A,B
CN23 J0252
CN19 J0205
DUAL LANE(OPTION)
DUAL LANE(OPTION)
MST2R2
TCN16
TCN17
TCN16
MST2R2
MAIN STOPPER1 LANE1 RAIL1
MAIN STOPPER1 LANE1 RAIL2
MAIN STOPPER2 LANE1 RAIL2
MAIN STOPPER2 LANE1 RAIL1
SUB STOPPER LANE1
MAIN STOPPER1 LANE2 RAIL1
MAIN STOPPER1 LANE2 RAIL2
MAIN STOPPER2 LANE2 RAIL2
MAIN STOPPER2 LANE2 RAIL1
SUB STOPPER LANE2
MAIN STOPPER2(OPTION)
MAIN STOPPER2(OPTION)
MAIN STOPPER2(OPTION)
MAIN STOPPER2(OPTION)
SUB STOPPER(OPTION)
CC.V2
7
I/O CONVEYOR -2-
YSi-V

Confidential & Proprietary
PAGE
+24VF5 CN27
CN26+24VS2
+24VC2,+24VC3 CN28
CN29SS FEEDER
PREVIOUS
PREVIOUS
NEXT
J0226
J0225
J0205
A-GATE2
A-GATE2
A-GATE2
PREVIOUS INTERFACE LANE 2
NEXT INTERFACE LANE 2
PREVIOUS INTERFACE LANE 1
PREVJ0193
PREV B2
PREV A2
NEXT B2
NEXT A2
INTERFACE PANEL
J0198
J0199
INTERFACE PANEL
INTERFACE PANEL
J0208
C/V MOTOR 1
CN32
CN32
+24VD3 CN30
+24VD4 CN31
CONVEYOR LANE 1
CV1 CONVEYOR MOTOR LANE 1 30W
□60 MAX 300rpm
P11 CN2 P11 CN3
CONVEYOR MOTOR DRIVER 1
P011
DCN1
CN1
CN3CN2
CN50
FAN LOCK ALARM
FAN LOCK ALARM
CN49
CN49 J0201 FAN1
FAN2
FAN3
N01103F0
N01103F1
REAR LEFT
FAN2
BASE FAN 1
BASE FAN 2
BASE FAN 3
CN44
+24VC1,+24VF3 CN43
CN43
EMG3
CN48
CN48
CN45
CN45
+24VS1
+24VF4,+24VB6
CN46
C/V MOTOR 3
BRAKE CN47
KM11A
J0053
J0054
I/O CONVEYOR BOARD ASSY P025
J0088
J0096
BA OUT 2 :T0100111 / NG OUT 2:T0100112
BA IN 1 :N0100321 / BUSY OUT 1:T01000E4
BA IN 2 :N0100354 / BUSY OUT 2 :N0100110
BUSY IN 2:N0100353 / OK OUT 2:N0100113
CN51GATE
C/V MOTOR 2
+24E
CN33
CN34
CONVEYOR LANE 2
CV2 CONVEYOR MOTOR LANE 2 30W
□60 MAX 300rpm
P12 CN2 P12 CN3
P012
CONVEYOR MOTOR DRIVER 2
DCN1
CN1
CN3CN2
J0089
AMF
CN41
FAN LOCK ALARM
+24VD2
CN39
CN38
CN40
HL11
RUN(GREEN)
ERROR(YELLOW/BLUE)
T01000D2
T01000D0
ALARM(RED/WHITE)
T01000D1
T01000D6
BUZZER
HL11
+24VD1
+24VF7
CN37
CN36
CN40 J0253
DO13
PREV
NEXT
PREV A
PREV B
NEXT
J0204
NEXT INTERFACE LANE 1
J0192
INTERFACE PANEL
NEXT
BUSY IN 1:N0100320 / OK OUT 1:T01000E6
BA OUT 1 :T01000E5 / NG OUT 1:T01000E7
NEXT A
NEXT B
A-GATE2
CN30 J0055
J0101
J0051
J0051
J0102
J0104
COVER EARTH
REAR CENTER
J0090 J0091
FRONT RIGHTFRONT LEFT FRONT CENTER
REAR LEFT REAR CRIGHT
FRONT MIDDLE
USB
J0092
J0093 J0094 J0095 J0097
FAN1
FAN3
J0182
L+24V
H +24V
N01103F4
FRONT LEFT1
FRONT LEFT2
M08
M09
CN35+24VF6
CN33
J0103
DUAL LANE(OPTION)
FG
0V
+24V
HEAD
LASER HEAD
HEAD
LASER CONTROLLER
USB
USB2
J0521
J0275 SYSTEM C/R
See Page 4
See Page9
1TURN J0084
LASER +24V
LASER GND
E04
2TURN
1TURN
E05
E06
A20
X OT+
X OT-
X ORG
Y OT+
HEAD
See Page 9
CN27 J0210
LASER(OPTION)
CN51 J0209
DUAL LANE(OPTION)
CN8
See Page 6
I/O CONVEYOR -1-
CN25
J0207
See Page 7
I/O CONVEYOR -2-
HEAD I/O BOARD
See Page 9
HEAD POW BOARD
See Page 2
See Page 9
POWER CIRCUIT
KM11A
KM11A
POWER CIRCUIT
See Page 2
POWER CIRCUIT
See Page 2
CC.V2
8
I/O CONVEYOR -3-
YSi-V

Confidential & Proprietary
PAGE
J0173
KM12
J0174
H+48VH+48V
L+24V L+24V
ECAT OUT
CN30
CN12
H EMG H EMG
POWER CIRCUIT
See Page 2
CN43
H+24V H+24V
FLEXIBLE
DUCT Y
CN1
HEAD SERVO UNIT ASSY
ETHER INCN8A
ETHER OUTCN8B
CN6 S-POWER
CN3 DI1
CN5 DI2
HS CN6
HS CN3
HS CN5
MOTOR 1 CN1MOTOR POW
MOTOR 2
CN1INC ENC 1
CN2INC ENC 2
CN3
CN4
BATTERYCN8
CN5
CN4
SER ENC1
SER ENC2
CN5 FAN
POW BOARD ASSY P041
HEAD A I/O UNIT ASSY
I/O BOARD ASSY P042
CN2 48V/24V/EMG
CN1 48V POW CN4
IC POWCN3
CAMERA SEL POW
CN3 24V-B
HP CN1
DO_OUT CN10
DI OUT
DO INCN2
CN1
HI CN2
HI CN1
HI CN3
HP CN2
HP CN3
HP CN1
CN7 DO
HS CN7
HS CN1
CN1 OPTION IF
VAC
HI CN10
SRV BOARD ASSY P061
DRV BOARD ASSY P062
ENC BOARD ASSY P063
HE2 CN5
FLEXIBLE
DUCT X
J0087
J0302
J0303
J0304
J0305
J0311
CN48
See Page 8
Y DI Y DI
J0086
J0176
J0521
J0062
J0055
J0182
J0052
J0057
J0064
L+24V L+24V
POW EMG POW EMG
J0056
J0063
J0186
1
2
3
4
IN
JUNCTION BOX
5
6
7
8
N.C.
N.C.
N01003E5
SQ001
SQ002
SQ003
SQ004
SQ005
SQ006
JCN9 IN
XT71
JCN1 X OT+ X-AXIS OVER TRAVEL+
JCN2 X OT-
JCN3 X ORG
JCN4 Y OT+
JCN5 Y OT-
JCN6 Y ORG
X-AXIS OVER TRAVEL-
X-AXIS ORIGIN
Y-AXIS ORIGIN
Y-AXIS OVER TRAVEL+
Y-AXIS OVER TRAVEL-
N0100380
N01003B7
N01003E1
N01003E7
N0100383
H LAN LAN LAN
CN7
CN6
CN83D_LIGHT
2D_LIGHT
OP_CAM
HI CN7
HI CN8
HI CN6
IN
M.VAL
YV021
PEN UP/DOWN
T1300701
YV022
PEN OPEN/CLOSE
T1300707
M.VAL
MARKER PEN MIDDLE
N1300002
N1300003
N1300004
N1300005
N1300006
MARKER PEN HIGH
MARKER PEN LOW
MARKER CAP OPEN
MARKER CAP CLOSE
SQ051
SQ052
SQ053
SQ054
SQ055
1
2
3
4
5
7
8
6
XT72
N.C.
N.C.
N.C.
CAM
ANGLE
3D
LIGHT
HEAD CAMERA
See Page 10
MARKER PEN UNIT(OPTION)
R-AXIS 95W
□42 MAX 5000rpm
M07
R1PMRPM
ROT.LASER HEAD(OPTION)
SERVO C/R
See Page 8
See Page 5
See Page 6
I/O CONVEYOR -1-
I/O CONVEYOR -3-
CZPM
CZBK
CZ-AXIS 80W
□40 MAX 1500rpm
M06
CZPM
CZBK
CZ-AXIS UNIT(OPTION)
I/O CONVEYOR -3-
LASER HEAD
J0301HD CN1
HE CN3
HE CN1
J0522 CURL CABLE
LASER UNIT(OPTION)
0TURN
E07
SQ050 LASER HEAD
J0309
MK OP MK OP
CAMCAM
JCN9 MAKRKER
JUNCTION BOX
JCN1 PEN HI
JCN2 PEN MD
JCN4 CAP OP
JCN5 CAP CL
JCN3 PEN LO
PANEL
CC.V2
9
HEAD
YSi-V