YSi-V_cwd_je - 第15页
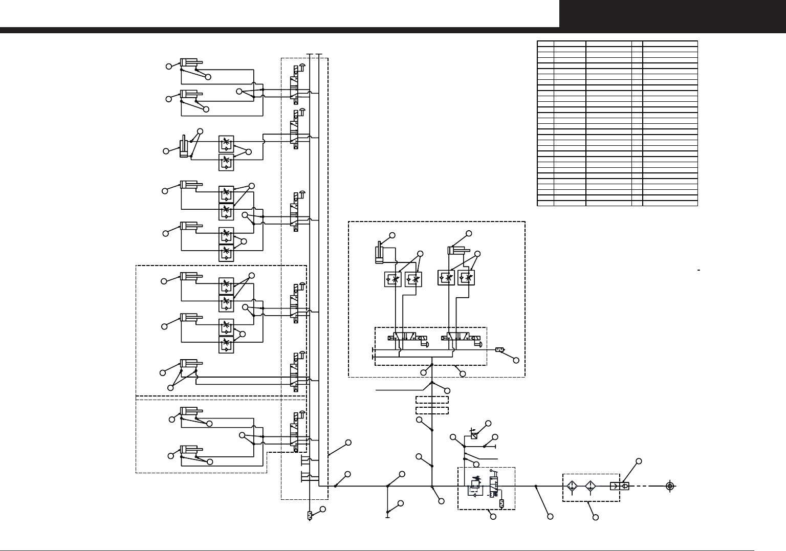
Condential & Proprietary H 0 1 9 3 2 0 Y S i - V P AGE 12 Air circuit 1(P) 3(R) 2(A) P 1(P) 3(R) 2(B) 4(A) 5(R) 1(P) 3(R) 2(B) 4(A) 5(R) 1(P) 3(R) 2(B) 4(A) 5(R) 1(P) 3(R) 2(B) 4(A) 5(R) 1(P) 3(R) 2(B) 4(A) 5(R) 1(P…

Confidential & Proprietary
PAGE
TC11:The selection of POWER SOURCE 1.5KVA
T2
T2
T2
T2
T2
T2
T2
S2
S2
S2
S2
S2
S2
S2
R2
R2
R2
R2
R2
R2
R2
U10
V10
U10
V10
U10
V10
U10
V10
U10
V10
U10
V10
U10
V10
416V400V380V240V220V208V200V
416V400V380V240V220V208V200V
U50
V50
W50
U50
V50
W50
U50
V50
W50
U50
V50
W50
U50
V50
W50
U50
V50
W50
U50
V50
W50
S2
R2
S2
R2
S2
R2
S2
R2
S2
R2
S2
R2
S2
R2
TM11:The selection of POWER SOURCE 1.7KVA
240V
0V
190V
200V
208V
220V
0V
100V
240V
0V
190V
200V
208V
220V
240V
0V
190V
200V
208V
220V
0V
100V
240V
0V
190V
200V
208V
220V
240V
0V
190V
200V
208V
220V
0V
100V
240V
0V
190V
200V
208V
220V
240V
0V
190V
200V
208V
220V
0V
100V
240V
0V
190V
200V
208V
220V
240V
0V
190V
200V
208V
220V
0V
100V
240V
0V
190V
200V
208V
220V
240V
0V
190V
200V
208V
220V
0V
100V
240V
0V
190V
200V
208V
220V
240V
0V
190V
200V
208V
220V
0V
100V
240V
0V
190V
200V
208V
220V
0V
0V
100V
100V
0V
0V
100V
100V
0V
0V
100V
100V
0V
0V
100V
100V
0V
0V
100V
100V
0V
0V
100V
100V
230V
230V
240V
220V
208V
200V
190V
0V
240V
220V
208V
200V
190V
0V
240V
220V
208V
200V
190V
0V
240V
220V
208V
200V
190V
0V
240V
220V
208V
200V
190V
0V
240V
220V
208V
200V
190V
0V
230VW
V
U
230V
230V
230V
230V
230V
230V
230V
230V
230V
230V
240V
220V
208V
200V
190V
0V
240V
220V
208V
200V
190V
0V
240V
220V
208V
200V
190V
0V
240V
220V
208V
200V
190V
0V
240V
220V
208V
200V
190V
0V
240V
220V
208V
200V
190V
0V
230VW
V
U
240V
220V
208V
200V
190V
0V
240V
220V
208V
200V
190V
0V
240V
220V
208V
200V
190V
0V
240V
220V
208V
200V
190V
0V
240V
220V
208V
200V
190V
0V
240V
220V
208V
200V
190V
0V
230VW
V
U
240V
220V
208V
200V
190V
0V
240V
220V
208V
200V
190V
0V
240V
220V
208V
200V
190V
0V
240V
220V
208V
200V
190V
0V
240V
220V
208V
200V
190V
0V
240V
220V
208V
200V
190V
0V
230VW
V
U
240V
220V
208V
200V
190V
0V
240V
220V
208V
200V
190V
0V
240V
220V
208V
200V
190V
0V
240V
220V
208V
200V
190V
0V
240V
220V
208V
200V
190V
0V
240V
220V
208V
200V
190V
0V
230VW
V
U
240V
220V
208V
200V
190V
0V
240V
220V
208V
200V
190V
0V
240V
220V
208V
200V
190V
0V
240V
220V
208V
200V
190V
0V
240V
220V
208V
200V
190V
0V
240V
220V
208V
200V
190V
0V
230VW
V
U
220V
220V
240V
220V
208V
200V
190V
0V
240V
220V
208V
200V
190V
0V
240V
220V
208V
200V
190V
0V
240V
220V
208V
200V
190V
0V
240V
220V
208V
200V
190V
0V
240V
220V
208V
200V
190V
0V
230V
230V
230V
W
V
U
0V
0V
100V
100V
NNN NNNN
220V 220V
220V
220V
220V
220V
220V
220V
220V
220V
220V
220V
220V
220V
220V
220V
220V
220V
220V
CC.V2
11
POWER TRANSFOMER
YSi-V

Condential & Proprietary
H 0 1 9 3 2 0
YSi-V
PAGE
12
Air circuit
1(P)
3(R)
2(A)
P
1(P)
3(R)2(B)
4(A)
5(R)
1(P)
3(R)2(B)
4(A)
5(R)
1(P)
3(R)2(B)
4(A)
5(R)
1(P)
3(R)2(B)
4(A)
5(R)
1(P)
3(R)2(B)
4(A)
5(R)
1(P)
3(R)2(B)
4(A)
5(R)
1(P)
3(R)2(B)
4(A)
5(R)
1(P)
3(R)2(B)
4(A)
5(R)
AIR SOURCE
AC20X-02C-A-X2294AAC20X-02(-R)-X2307A
SL4-01
ISE30A-C4L-B-MD
USD8-6
φ10 ORANGE
NOTE
YSi-V SINGLE LANE
UC4
φ4 ORANGE
UL10
φ8 ORANGE
UY8
φ6 ORANGE
MARKER PEN ASSY.(OP)
UP8
UY8
UY4
US6
P
R
KM-10
SS0755-AWR11
SS4-M5A
SC4-M5A
MXH10-30-M9BL
CJ2B10-125Z
A
B A
B
KM-10
TL6-01M
SL4-M5
SSU4
CQSB25-40DC
SL PUSH UP ASSY.
UEF4BU-M3
UEF4BU-M3
UY4
UEF4BU-M3
CDUJB10-10DM
-M9BMS
CDUJB10-10DM
-M9BMS
SUB STOPPER ASSY.(OP)
<固定側>
CDUJB10-10DM
-M9BLS
SC3W
-M5-4-0
SC3W
-M5-4-0
CJ2YE16-10Z
CJ2YE16-10Z
CJ2YE16-10Z
CJ2YE16-10Z
18
16
17
15
14
12
13
8
67
5
2
3
4
9
10
19
9
20
14
21
22
23
25
25
7
26
26
26
28
28
28
28
27
27
7
UY4
φ4 ORANGE
φ4 ORANGE
φ4 BLACK
φ4 BLACK
SL8-01
EAM8AJ-328W
stn.1~3:EA10A5-PLN-D4
-301W
stn.4~8:EABP-A-301W
29
25
CDUJB10-10DM
-M9BMS
CDUJB10-10DM
-M9BLS
26
UEF4BU-M3
φ4 BLACK
φ8 ORANGE
φ8 ORANGE
φ4 BLACK
φ4 ORANGE
φ4 BLACK
φ4 ORANGE
φ4 ORANGE
φ4 BLACK
φ4 ORANGE
φ4 BLACK
φ4 ORANGE
φ4 BLACK
φ4 ORANGE
φ4 BLACK
φ4 ORANGE
φ4 BLACK
φ4 ORANGE
φ4 BLACK
φ4 ORANGE
φ4 BLACK
7
UY4
UY4
7
27
SC3W
-M5-4-0
27
SC3W
-M5-4-0
26
UEF4BU-M3
MARKER PEN ASSY.未選択時
UP6を取付
PLUG(1/8)
同梱品
PLUG(1/8)同梱品
11
11
US6
X AXIS CABLE DUCT
Y AXIS CABLE DUCT
1
HI-COUPLER
SOCKET 30SH
PEN UP/DOWN CAP OPEN/CLOSE
2ND MAIN STOPPER ASSY.(OP)
<固定側>
2ND MAIN STOPPER ASSY.(OP)
<可動側>
MAIN STOPPER ASSY.
<固定側>
MAIN STOPPER ASSY.
<可動側>
CP BOARD SUB ASSY.
<可動・下流側>
CP BOARD SUB ASSY.
<固定・下流側>
CP BOARD SUB ASSY.(OP)
<固定・上流側>
CP BOARD SUB ASSY.(OP)
<可動・上流側>
24
φ4 ORANGE
29
NO. PARTS NO. PARTS NAME QTY. DESCRIPTION
1 90990-42J001 JOINT 1 IMGK-C03-008
2 KLT-M8501-010 AIR COMB. 1 AC20X-02C-A-X2294A
3 $UL10 JOINT 1 .
4 KLC-M8505-001 REGULATOR COMB. 1 AC20X-02(-R)-X2307A
5 $SL4-01 JOINT 1 .
6 $UC4 JOINT 1 .
7 $UY4 JOINT 9 .
8 KKX-M8596-A01 PRESSURE GAUGE 1 SMC ISE30A-C4L-B-MD
9 $UY8 JOINT 2 .
10 $USD8-6 JOINT 1 .
11 $US6 JOINT 2 .
12 $TL6-01M JOINT 1 .
13 KLT-M5160-000 VALVE 1 SMC:SS0755-AWR11
14 $KM-10 MUFFLER 2 KOGANEI KM-10
15 $SS4-M5A SPEED CONTROLLER 2 .
16 KLT-M5165-000 CYLINDER 1 SMC:MXH10-30-M9BL
17 $SC4-M5A SPEED CONTROLLER 2 .
18 KLT-M5179-000 CYLINDER 1 SMC:CJ2B10-125Z
19 $UP8 JOINT 1 .
20 $SL8-01 JOINT 1 .
21 KLT-M8582-000 VALVE 1 EAM8AJ-328W
22 $SL4-M5 JOINT 2 .
23 $SSU4 SPEED CONTROLLER 2 .
24 KLT-M9215-000 CYLINDER 1 CQSB25-40DC.
25 KLT-M9166-000 CYLINDER 3 SMC:CDUJB10-10DM-M9BMS
26 $UEF4BU-M3 JOINT 10 .
27 KKE-M926S-A00 SPEED CONTROLLER 8 CKD製 SC3W-M5-4-0
28 KLT-M9263-000 CYLINDER 4 SMC:CJ2YE16-10Z
29 KLT-M9169-000 CYLINDER 2 SMC:CDUJB10-10DM-M9BLS

Condential & Proprietary
H 0 1 9 3 2 0
YSi-V
PAGE
13
Air circuit
1(P)
3(R)
2(A)
P
1(P)
3(R)2(B)
4(A)
5(R)
1(P)
3(R)2(B)
4(A)
5(R)
1(P)
3(R)2(B)
4(A)
5(R)
1(P)
3(R)2(B)
4(A)
5(R)
1(P)
3(R)2(B)
4(A)
5(R)
1(P)
3(R)2(B)
4(A)
5(R)
1(P)
3(R)2(B)
4(A)
5(R)
1(P)
3(R)2(B)
4(A)
5(R)
1(P)
3(R)2(B)
4(A)
5(R)
1(P)
3(R)2(B)
4(A)
5(R)
1(P)
3(R)2(B)
4(A)
5(R)
1(P)
3(R)2(B)
4(A)
5(R)
1(P)
3(R)2(B)
4(A)
5(R)
1(P)
3(R)2(B)
4(A)
5(R)
AIR SOURCE
AC20X-02C-A-X2294AAC20X-02(-R)-X2307A
SL4-01
ISE30A-C4L-B-MD
USD8-6
φ10 ORANGE
NOTE
YSi-V DUAL LANE
UC4
φ4 ORANGE
UL10
φ8 ORANGE
UY8
φ6 ORANGE
MARKER PEN ASSY.(OP)
UY8
UY4
US6
P
R
KM-10
SS0755-AWR11
SS4-M5A
SC4-M5A
MXH10-30-M9BL
CJ2B10-125Z
AB A B
KM-10
TL6-01M
TS4-M5
SSU4
CQSB25-40DC
DL PUSH UP ASSY.,1
UEF4BU-M3
UY4
CDUJB10-10DM
-M9BMS
SC3W
-M5-4-0
SC3W
-M5-4-0
CJ2YE16-10Z
CJ2YE16-10Z
CJ2YE16-10Z
CJ2YE16-10Z
18
16
17 15
14
12
13
8
6
7
5
2
3
4
9
10
9
20
14
21
24
22
25
30
7
26
30
28
28
28
28
27
27
7
UY4
φ4 ORANGE
φ4 ORANGE
φ4 BLACK
φ4 BLACK
SL8-01
EAM8AJ-316W
stn.1~5:EA10A5-PLN-D4
-301W
stn.6~8:EABP-A-301W
29
30
CDUJB10-10DM
-M9BLS
26
UEF4BU-M3
φ4 BLACK
φ4 ORANGE
φ8 ORANGE
φ8 ORANGE
φ4 BLACK
φ4 ORANGE
φ4 BLACK
φ4 ORANGE
φ4 ORANGE
φ4 ORANGE
φ4 BLACK
φ4 ORANGE
φ4 BLACK
φ4 ORANGE
φ4 BLACK
φ4 ORANGE
φ4 BLACK
φ4 ORANGE
φ4 BLACK
φ4 ORANGE
φ4 BLACK
7
UY4
UY4
7
27
SC3W
-M5-4-0
27
SC3W
-M5-4-0
MARKER PEN ASSY.未選択時
UP6を取付
PLUG(1/8)
同梱品
PLUG(1/8)同梱品
11
11
US6
X AXIS CABLE DUCT
Y AXIS CABLE DUCT
1
HI-COUPLER
SOCKET 30SH
PEN UP/DOWN CAP OPEN/CLOSE
SC3W
-M5-4-0
PLUG(1/8)同梱品
SC3W
-M5-4-0
27
SC3W
-M5-4-0
27
7
UY4
UY4
7
φ4 BLACK
φ4 ORANGE
φ4 BLACK
φ4 ORANGE
φ4 BLACK
φ4 ORANGE
φ4 BLACK
φ4 ORANGE
φ4 BLACK
φ4 ORANGE
φ4 BLACK
φ4 ORANGE
φ4 BLACK
φ4 ORANGE
φ4 BLACK
φ4 ORANGE
φ4 BLACK
φ4 ORANGE
φ4 BLACK
UEF4BU-M3
26
CDUJB10-10DM
-M9BLS
30
29
UY4
7
27
27
28
28
28
28
26
7
30
25
23
22
14
CJ2YE16-10Z
CJ2YE16-10Z
CJ2YE16-10Z
CJ2YE16-10Z
SC3W
-M5-4-0
CDUJB10-10DM
-M9BMS
UY4
UEF4BU-M3
SC3W
-M5-4
DL PUSH UP ASSY.,2
CQSB25-40DC
SSU4
TS4-M5
KM-10
20
SL8-01
CCDAS16×40
-ZE135B1
CCDAS16×40
-ZE135B1
CCDAS16×40
-ZE135B1
CCDAS16×40
-ZE135B1
CCDAS16×40
-ZE135B1
2ND MAIN STOPPER ASSY.(OP)
<第1レーン可動側>
2ND MAIN STOPPER ASSY.(OP)
<第1レーン固定側>
MAIN STOPPER ASSY.
<第1レーン可動側>
MAIN STOPPER ASSY.
<第1レーン固定側>
2ND MAIN STOPPER ASSY.(OP)
<第2レーン可動側>
2ND MAIN STOPPER ASSY.(OP)
<第2レーン固定側>
MAIN STOPPER ASSY.
<第2レーン固定側>
MAIN STOPPER ASSY.
<第2レーン可動側>
SUB STOPPER ASSY.
<第1レーン固定側>
CP BOARD SUB ASSY.
<第1レーン固定・下流側>
CP BOARD SUB ASSY.
<第1レーン可動・下流側>
CP BOARD SUB ASSY.
<第1レーン可動・上流側>
CP BOARD SUB ASSY.
<第1レーン固定・上流側>
CP BOARD SUB ASSY.
<第2レーン可動・上流側>
CP BOARD SUB ASSY.
<第2レーン固定・上流側>
CP BOARD SUB ASSY.
<第2レーン可動・下流側>
CP BOARD SUB ASSY.
<第2レーン固定・下流側>
SUB STOPPER ASSY.
<第2レーン固定側>
21
EAM8AJ-316W
stn.1~5:EA10A5-PLN-D4
-301W
stn.6~8:EABP-A-301W
CCDAS16×40
-ZE135B1
SC3W
-M5-4
SC3W
-M5-4
SC3W
-M5-4
31
31
31
SC3W
-M5-4
31
30
31
SC3W
-M5-4
31
24
φ4 BLACK
23
φ4 ORANGE
NO. PARTS NO. PARTS NAME QTY. DESCRIPTION
1 90990-42J001 JOINT 1 IMGK-C03-008
2 KLT-M8501-010 AIR COMB. 1 AC20X-02C-A-X2294A
3 $UL10 JOINT 1 .
4 KLC-M8505-001 REGULATOR COMB. 1 AC20X-02(-R)-X2307A
5 $SL4-01 JOINT 1 .
6 $UC4
JOINT 1 .
7 $UY4 JOINT 17 .
8 KKX-M8596-A01 PRESSURE GAUGE 1 SMC ISE30A-C4L-B-MD
9 $UY8 JOINT 2 .
10 $USD8-6 JOINT 1 .
11 $US6 JOINT 2 .
12 $TL6-01M JOINT 1 .
13 KLT-M5160-000 VALVE 1 SMC:SS0755-AWR11
14 $KM-10 MUFFLER 3 KOGANEI KM-10
15 $SS4-M5A SPEED CONTROLLER 2 .
16 KLT-M5165-000 CYLINDER 1 SMC:MXH10-30-M9BL
17 $SC4-M5A SPEED CONTROLLER 2 .
18 KLT-M5179-000 CYLINDER 1 SMC:CJ2B10-125Z
19
20 $SL8-01 JOINT 2 .
21 KLD-M8582-000 VALVE 2
22 $TS4-M5 JOINT 4 .
23 $SSU4 SPEED CONTROLLER 4 .
24 KLT-M9215-000 CYLINDER 2 CQSB25-40DC.
25 KLT-M9166-000 CYLINDER 2 SMC:CDUJB10-10DM-M9BMS
26 $UEF4BU-M3 JOINT 8 .
27 KKE-M926S-A00 SPEED CONTROLLER 16 CKD製 SC3W-M5-4-0
28 KLT-M9263-000 CYLINDER 8 SMC:CJ2YE16-10Z
29 KLT-M9169-000 CYLINDER 2 SMC:CDUJB10-10DM-M9BLS
30 KHY-M9166-000 CYLINDER 6 KOGANEI:CCDAS16x40-ZE135B1
31 KHW-M9274-A00 SPEED CONTROLLER 12 CKD SC3W-M5-4(流量27L/min)