P-0118-001 - 第43页
MODEL TCM-3100J 981 1-001 3- 7 Key No. PART No. PART NAME Q'ty REMA RK S 1 630 048 4748 BASE 1 659KB-03B-021 2 630 048 7466 GUIDE,LINEAR 1 659KB-03H-021 3 630 048 4694 PLATE 1 659KB-03B-020 4 411 141 4008 W ASHER V …

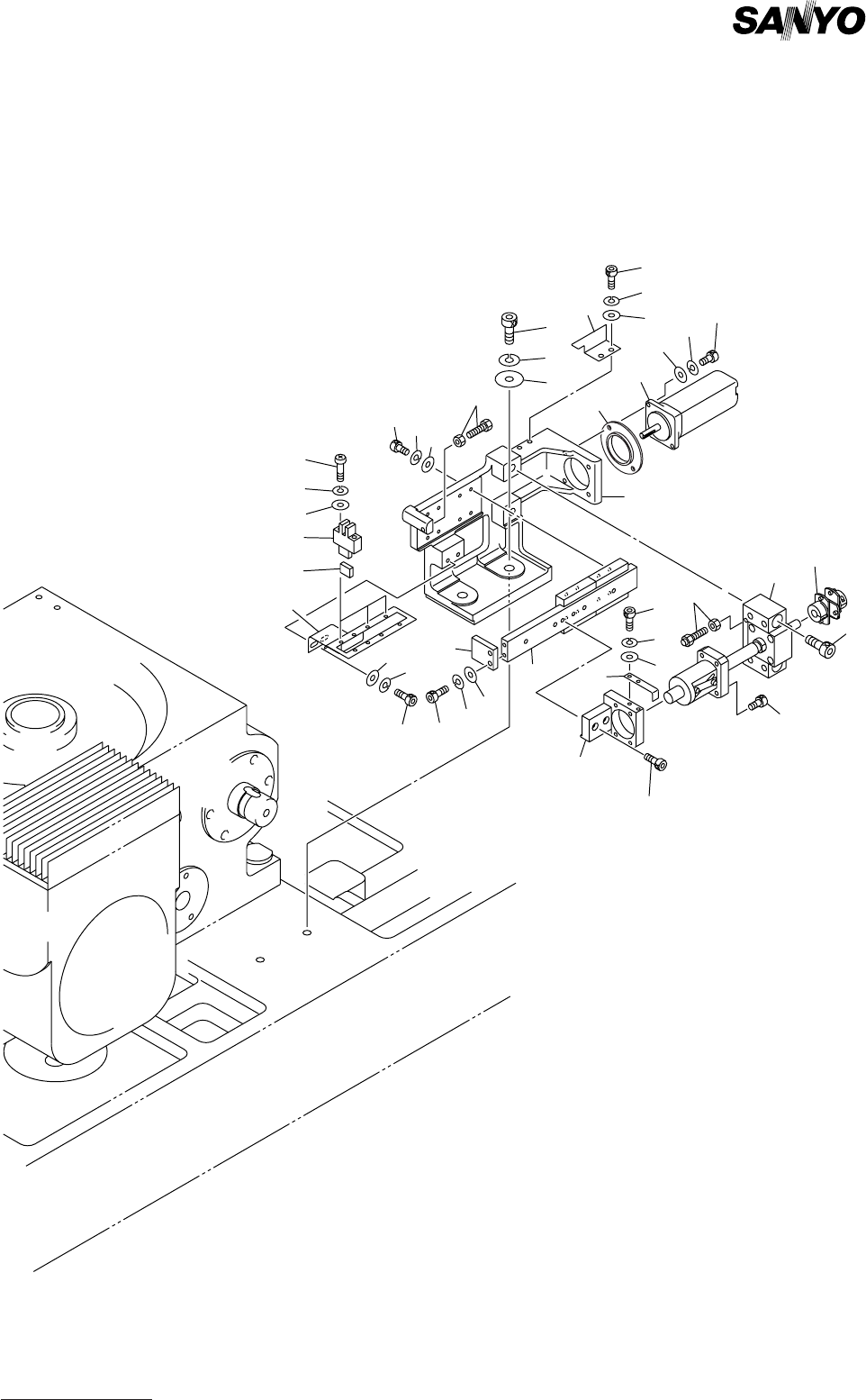
MODEL TCM-3100J
9811-001
ヘッド駆動部 HEAD DRIVING SECTION
Fig. 3-7 装着上下補正駆動部 Placement Level Adjuster Driver
1
17
19
16
18
20
22
23
24
25
21
15
10
11
12
13
14
2
7
8
9
3
4
5
6
26
27
28
31
30
29
33
34
35
51
52
53
4795R
21
64
63
62
61

MODEL TCM-3100J
9811-001
3- 7
Key No. PART No. PART NAME Q'ty REMARKS
1 630 048 4748 BASE 1 659KB-03B-021
2 630 048 7466 GUIDE,LINEAR 1 659KB-03H-021
3 630 048 4694 PLATE 1 659KB-03B-020
4 411 141 4008 WASHER V 4X9X0.8 2 FW4
5 411 141 2905 WASHER SPR 4 2 SW4
6 630 000 7633 BOLT,HEX-SCT 2 M4X12
7 411 141 3902 WASHER V 3X7X0.5 8 FW3
8 411 141 2806 WASHER SPR 3 8 SW3
9 630 000 7510 BOLT,HEX-SCT 8 M3X8
10 630 048 4762 SPACER 1 659KB-03B-025
11 630 055 1921 MOTOR,AC-SERVO 1 659KB-03H-016
12 411 141 4008 WASHER V 4X9X0.8 2 FW4
13 411 141 2905 WASHER SPR 4 2 SW4
14 630 000 7626 BOLT,HEX-SCT 2 M4X10
15 630 003 1621 COUPLING 1 659KB-03H-015
16 630 048 4779 BRACKET 1 659KB-03B-026
17 630 071 0397 BALL SCREW 1 659KB-03H-014
18 630 000 7633 BOLT,HEX-SCT 4 M4X12
19 630 000 8043 BOLT,HEX-SCT 2 M8X35
20 630 000 7626 BOLT,HEX-SCT 2 M4X10
21 630 048 7527 SHOCK ABSORBER 2 659KB-03H-017
22 630 048 4717 PLATE 1 659KB-03B-028
23 411 141 3902 WASHER V 3X7X0.5 2 FW3
24 411 141 2806 WASHER SPR 3 2 SW3
25 630 000 7510 BOLT,HEX-SCT 2 M3X8
26 630 057 4029 BRACKET 1 659KB-03B-022
27 630 000 0245 SENSOR,PHOTO 3 659KB-03H-011
28 630 000 0269 SENSOR,PHOTO(CONNECTOR) 3 659KB-03H-012
29 411 088 9005 WASHER F 3X6X0.5 6 FWS3 F
30 411 086 4408 WASHER SPR 3 6 SW3 F
31 411 162 1604 SCR PAN 3X20 6 M3X20 PAN
33 411 141 4008 WASHER V 4X9X0.8 2 FW4
34 411 141 2905 WASHER SPR 4 2 SW4
35 630 000 7626 BOLT,HEX-SCT 2 M4X10
51 630 001 0244 WASHER 2 659KB-03H-018
52 411 141 3100 WASHER SPR 8 2 SW8
53 630 000 8036 BOLT,HEX-SCT 2 M8X30
61 630 050 0929 PLATE 1 659KB-03B-036
62 411 141 4008 WASHER V 4X9X0.8 1 FW4
63 411 141 2905 WASHER SPR 4 2 SW4
64 630 000 7626 BOLT,HEX-SCT 2 M4X10
NOTE

MODEL TCM-3100J
9811-001
ヘッド駆動部 HEAD DRIVING SECTION
Fig. 3-8 吸着上下補正駆動部 Pick-Up Level Adjuster Driver
1
17
19
16
18
20
22
25
24
23
15
10
11
12
13
14
2
7
8
9
3
4
5
6
26
27
28
31
30
29
33
34
35
51
52
53
21
See Fig.2-1
Key No.1
See Fig.1-1
Key No.13
21
4795R