P-0118-001 - 第81页
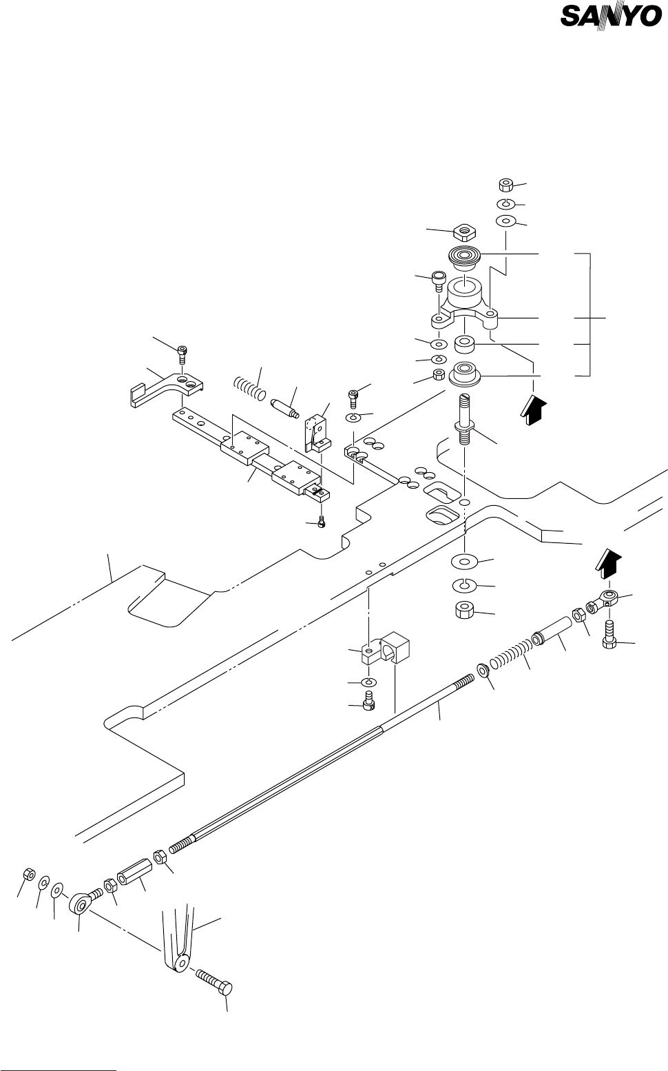
MODEL TCM-3100J 981 1-001 4- 2 Key No. PART No. PART NAME Q'ty REMA RK S 1 630 050 1957 PIN,HING E 1 659EB-03B-013 2 411 141 4503 W ASHER V 8X17X1.6 1 FW 8 3 411 141 3100 W ASHER SPR 8 1 SW 8 4 411 141 0901 NUT H EX…

MODEL TCM-3100J
9811-001
中間ベース部 MIDDLE BASE SECTION
Fig. 4-2 シャッタ Shutter
1
2
3
4
6
7
8
9
31
32
33
34
35
36
41
44
43
42
40
39
38
37
28
29
30
11
12
13
17
18
19
15
4795R
See Fig.4-1
Key No.11
A
A
10
16
5
5-3
5-3
48
47
46
45
See Fig.3-13
Key No.5-1
14
5-2
5-1

MODEL TCM-3100J
9811-001
4- 2
Key No. PART No. PART NAME Q'ty REMARKS
1 630 050 1957 PIN,HINGE 1 659EB-03B-013
2 411 141 4503 WASHER V 8X17X1.6 1 FW8
3 411 141 3100 WASHER SPR 8 1 SW8
4 411 141 0901 NUT HEX 8 1 M8
5 630 060 5853 ASSY,LEVER 1
5 -1 630 055 0023 LEVER 1 659EB-03B-012
5 -2 630 050 1971 COLLAR 1 659EB-03B-030
5 -3 630 001 1418 BEARING,RADIAL 2 659EB-03H-018
6 630 001 2170 CAM FOLLOWER 1 659EB-03H-017
7 411 141 4107 WASHER V 5X10X1 1 FW5
8 411 141 6705 WASHER SPR 5 1 SW5
9 411 141 0505 NUT HEX 5 1 M5
10 630 005 0851 BEARING,PARTS 1 659EB-03H-019
11 630 050 5276 GUIDE 1 659EB-03H-002
12 630 074 7829 LEVER 1 659EB-03B-011
13 630 000 7619 BOLT,HEX-SCT 2 M4X8
14 411 141 2806 WASHER SPR 3 8 SW3
15 630 000 7503 BOLT,HEX-SCT 8 M3X6
16 630 048 9316 SPRING,COMP 1 659EB-03H-009
17 630 048 4984 LEVER 1 659EB-03B-010
18 630 052 0965 PIN,GUIDE 1 659EB-03B-036
19 630 000 7503 BOLT,HEX-SCT 2 M3X6
28 630 059 7059 SUPPORT 1 659EB-03B-033
29 411 141 6705 WASHER SPR 5 2 SW5
30 630 000 7749 BOLT,HEX-SCT 2 M5X10
31 630 052 0972 ROD 1 659EB-03B-014
32 630 059 7868 WASHER 1 659EB-03H-041
33 630 059 7875 SPRING,COMP 1 659EB-03H-040
34 630 059 7035 GUIDE 1 659EB-03B-031
35 630 000 9743 NUT,HEX 1 M6-L
36 630 001 1067 ROD END 1 659EB-03H-022
36 630 052 7186 ROD END 1
37 630 048 9330 ROD END 1 659EB-03H-023
37 630 052 7117 ROD END 1
38 411 141 0703 NUT HEX 6 1 M6
39 630 048 5035 ROD 1 659EB-03B-015
40 630 000 9743 NUT,HEX 1 M6-L
41 630 032 7403 BOLT,HEX 1 659EB-03H-021
42 411 141 4305 WASHER V 6X12.5X1.6 1 FW6
43 411 141 3001 WASHER SPR 6 1 SW6
44 411 141 0703 NUT HEX 6 1 M6
45 630 032 7403 BOLT,HEX 1 659K--03H-029
46 411 141 4305 WASHER V 6X12.5X1.6 1 FW6
47 411 141 3001 WASHER SPR 6 1 SW6
48 411 141 0703 NUT HEX 6 1 M6
NOTE

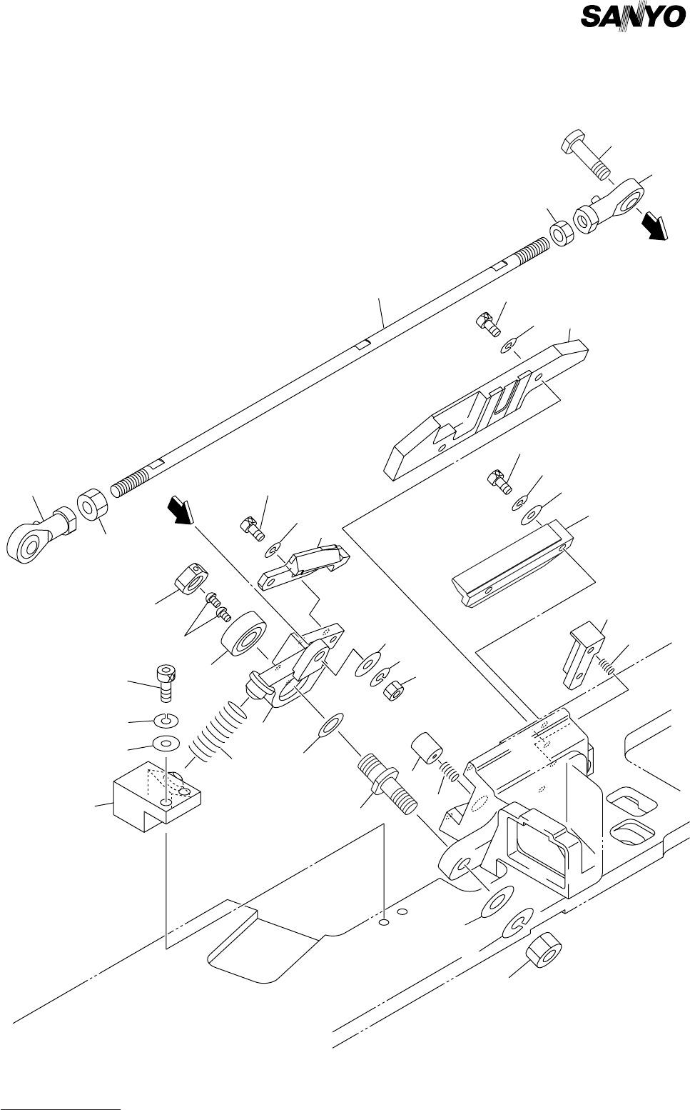
MODEL TCM-3100J
9811-001
中間ベース部 MIDDLE BASE SECTION
Fig. 4-3 カッタ Cutter
4
3
2
1
11
6
12
13
14
10
10-1
.
16
17
18
30
26
27
28
29
33
36
35
32
A
A
34
9
8
7
37
38
39
See Fig.3-14
Key No.23
23
24
25
19
20
21
22