RX-7_RX-7R-Rev09 - 第257页
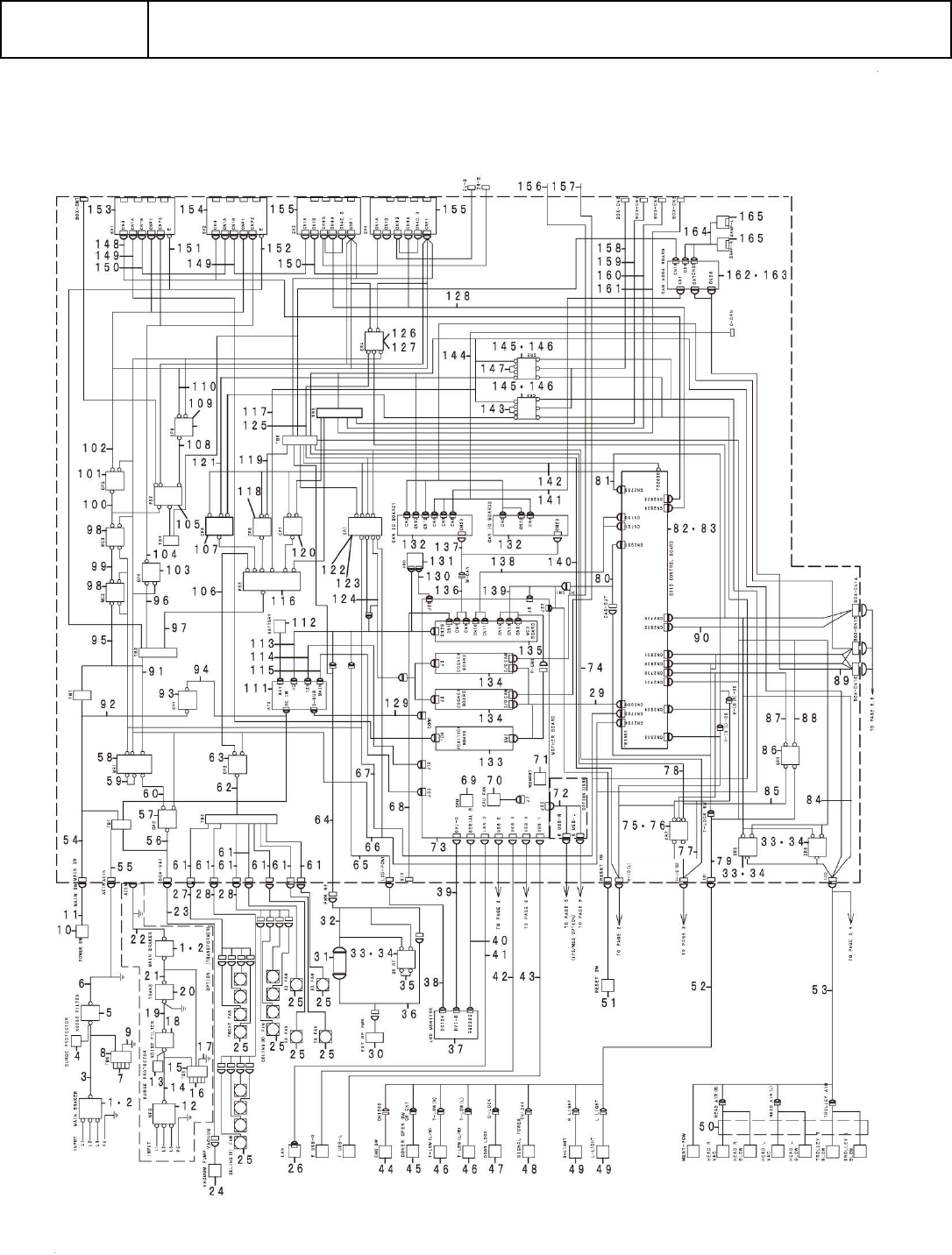
B-16 B5 【 RX-7R 】 SYSTEMDIAGRAM(5) 【 RX-7R 】 SYSTEMDIAGRAM(5) イラスト番号 Ref.No. 品番 PartNumber Description 品名 個数 Q'ty 備考 Remarks 1 HA-0065200-0A CIRCUITPROTECTOR サーキットプロテクタ 1 2 HA-0…

B-15
B5
【RX-7R】SYSTEM DIAGRAM (5)
【RX-7R】SYSTEM DIAGRAM (5)

B-16
B5
【RX-7R】SYSTEMDIAGRAM(5)
【RX-7R】SYSTEMDIAGRAM(5)
イラスト番号
Ref.No.
品番
PartNumber
Description
品名
個数
Q'ty
備考
Remarks
1 HA-0065200-0A CIRCUITPROTECTOR サーキットプロテクタ 1
2 HA-0065200-10 CIRCUITPROTECTOR サーキットプロテクタ 1
3 401-59290 MB-NFCABLEASM MB-NFケーブルクミ 1
4 401-89824 ACINPUTSURGEPROTECTORASM AC 入力サージプロテクタ組 1
5 401-91282 NOISEFILTER ノイズフィルター 1
6 401-59291 NF-ELECTRICALBOXCABLEASM
NF-ELECTRICALボックスケーブルクミ
1
7 EZ1-854-030-11 BRIDGETERMINAL ワタリカナグ(BNJ56BPN10) 1
8 401-59292 TERMINALBLOCK ターミナルブロック 1
9 EZ1-969-388-12 HARNESS(TB0-E) ハ-ネス(TB0-E) 1
10 HA-0065500-00 SWITCH スイッチ 1
11 401-96335 MAINSWWIREASM メインスイッチワイヤークミ 1
12 HA-0064700-0A CIRCUITPROTECTOR サーキットプロテクタ 1
13 401-89824 ACINPUTSURGEPROTECTORASM AC 入力サージプロテクタ組 1
14 402-10702 CB-NFCABLEASM CB-NFケーブルクミ 1
15 401-59292 TERMINALBLOCK ターミナルブロック 1
16 EZ1-854-030-11 BRIDGETERMINAL ワタリカナグ(BNJ56BPN10) 1
17 EZ1-969-388-12 HARNESS(TB0-E) ハ-ネス(TB0-E) 1
18 401-91282 NOISEFILTER ノイズフィルター 1
19 402-10703 NF-TRANSCABLEASM NF-TRANSケーブルクミ 1
20 401-59296 TRANSFORMER トランス 1
21 402-10704 TRANS-MBCABLEASM TRANS-MBケーブルクミ 1
22 402-10705 MB-ELECTRICALBOXCABLEASM MB-ELECTRICALボックスケーブルクミ 1
23 EZ1-969-360-13 HARNESS(BOXVAC-VACUUM) ハ-ネス(BOXVAC-VACUUM) 1
24 EZ1-492-203-11 VACUUMPUMPASSY
シンクウポンプASSY
1
25 401-89090 DCFANASM DCファンクミ 1
26 HK-0849200-80 CONNECTOR コネクタ 1
27 401-96263 FRONTFANCABLEASM フロントファンケーブルクミ 1
28 401-96264 TOPCOVERFANCABLEASM トップカバーファンケーブルクミ 1
29 EZ1-969-109-12 HARNESS(SDIOCN2900-EMICOG) ハ-ネス(SDIOCN2900-EMICOG) 1
30 402-09941 RFPOWERCABLE1ASM
RFパワーケーブル1クミ
1
31 402-09946 CONNECTOR コネクタ 1
32 402-09943 RFPOWERCABLE3ASM RFパワーケーブル3クミ 1
33 EZ1-755-690-11 RELAYPOWER(RJ1S-CLD-D24) リレーパワー(RJ1S-CLD-D24) 1
34 EZ1-755-691-11 SOCKETRELAY(SJ1S-05B) ソケットリレー(SJ1S-05B) 1
35 402-09945 CRRF5-CRRF4CABLEASM CRRF5-CRRF4ケーブルクミ 1
36 402-09942 RFPOWERCABLE2ASM
RFパワーケーブル2クミ
1
37 401-58158 15INCHLCDMONITOR 15 インチLCD モニタ 1
38 EZ1-970-004-12 HARNESS(LCDPW1T-LCDPW2T) ハ-ネス(LCDPW1T-LCDPW2T) 1
39 400-48032 PANELLINKCABLE4.5M パネルリンクケーブル4.5M 1
40 EZ1-970-005-11 HARNESS(PC232CX-TP232CX) ハ-ネス(PC232CX-TP232CX) 1
41 EZ1-838-317-21 CABLELAN(LKB5Y-02) LANケ-ブル(LKB5Y-02) 1
42 401-48260 USBCABLE3M USBケ-ブル3M 1
43 401-48260 USBCABLE3M USBケ-ブル3M 1
44 401-29025 EMGSWCABLEASM EMGSWケーブルクミ 1
45 400-02254 COVEROPENSWCABLEASM カバーオープン SW ケーブルクミ 1
46 402-07813 BANKUPSWITCHRASSY バンクアップスイッチRASSY 1
47 EZ1-492-357-11 ELECTROMAGNETICASSY デンジベンASSY(ドアロック) 1
48 401-29009 SIGNALTOWERCABLEASM シグナルタワーケーブルクミ 1
49 402-10508 LEDASSY(INNERLIGHT) LEDASSY(INNERLIGHT) 1
50 EZ1-492-242-13 SOLENOIDASSY(AIRSUPPLY) ソレノイドASSY(エアーサプライ) 1

B-17
B5
【RX-7R】SYSTEMDIAGRAM(5)
【RX-7R】SYSTEMDIAGRAM(5)
イラスト番号
Ref.No.
品番
PartNumber
Description
品名
個数
Q'ty
備考
Remarks
51 402-00585 RESETSWCABLEASM リセットスイッチケーブルクミ 1
52 401-96361 IO1CABLEASM IO1ケーブルクミ 1
53 EZ1-969-383-12 HARNESS(BOXIO2-AIRSUPMNT) ハ-ネス(BOXIO2-AIRSUPMNT) 1
54 401-96336 MAINSW-TB1WIREASM メインSW-TB1ワイヤークミ 1
55 402-00606 ACIN-TB1CABLEASM ACIN-TB1ケーブルクミ 1
56 EZ1-969-092-12 HARNESS(CP3-VAC)
ハ-ネス(CP3-VAC)
1
57 EZ1-523-273-11 BREAKERCIRCUIT サ-キツトブレ-カ(CP33V/2W) 1
58 HA-0061900-00 MAGNETICCONTACTOR 電磁開閉器 1
59 402-03285 SDIOCN2703-MCCRCABLEASM SDIOCN2703-MCCRケーブルクミ 1
60 EZ1-969-081-13 HARNESS(MR1-CP3) ハ-ネス(MR1-CP3) 1
61 401-96262 JOINTFANCABLEASM ジョイントファンケーブルクミ 1
62 EZ1-969-071-13 HARNESS(CP2-TB3) ハ-ネス(CP2-TB3) 1
63 401-99881 CIRCUITPROTECTOR サーキットプロテクタ 1
64 402-09944 RFPOWERCABLE4ASM RFパワーケーブル4クミ 1
65 EZ1-969-102-11 HARNESS(ATX-TPPOW) ハ-ネス(ATX-TPPOW) 1
66 402-03287 SDIOCN2704-MCCRCABLEASM SDIOCN2704-MCCRケーブルクミ 1
67 402-03285 SDIOCN2703-MCCRCABLEASM SDIOCN2703-MCCRケーブルクミ 1
68 EZ1-837-828-11 CABLEPCUNITMC3SERIAL PCユニツトMC3シリアルケーブル 1
69 EZ6-720-331-01 ICCM8062301044204S-R05Y ICCM8062301044204S-R05Y 1
70 EZ1-855-270-11 CPUCOOLER CPUク-ラ-(RR-V211-15FK-R2) 1
71 EZ1-458-642-11 MEMORY4GB メモリ4GB(TS512MLK64V3N) 1
72 402-03362 USB-J22CABLEASM USB-J22ケーブルクミ 1
73 401-91456 MOTHERBOARD(RUBY-PB6511) マザーボード(RUBY-PB6511) 1
74 402-03289 SDIOCN2904-HIOCABLEASM
SDIOCN2904-HIOケーブルクミ
1
75 EZ1-755-544-11 RELAY(RU2S-D-D24) リレ-(RU2S-D-D24) 1
76 EZ1-755-545-11 SOCKETRELAY(SM2S-05B) リレ-ソケツト(SM2S-05B) 1
77 401-96366 CR7-TB6CABLEASM CR7-TB6ケーブルクミ 1
78 401-96367 CR7-TB6CABLEASM2 CR7-TB6ケーブルクミ 2 1
79 401-96362 CN2701-IO1CABLEASM CN2701-IO1ケーブルクミ 1
80 EZ1-969-110-15 HARNESS(SDIOCN2901-PCCN1)
ハ-ネス(SDIOCN2901-PCCN1)
1
81 401-57971 CN2705SIGNALCABLEASM CN2705シグナルケーブルクミ 1
82 EZA-191-677-9A SDIOCONTCOMPL SDIOCONTCOMPL 1
83 401-46460 SDIOCONTPCBASM SDIOCONT 基板組 1
84 401-57969 BOXCN1ASIGNALCABLEASM ボックスCN1Aシグナルケーブルクミ 1
85 401-96368 CR7-SFRCABLEASM CR7-SFRケーブルクミ 1
86 HB-0015800-00 RELAY
リレー
1
87 401-96358 CN2700-SFRCABLEASM CN2700-SFRケーブルクミ 1
88 401-96365 TB6-SFRCABLEASM TB6-SFRケーブルクミ 1
89 401-96357 ELEBOX-BOXCN1B_CCABLEASM ELEBOX-BOXCN1B_Cケーブルクミ 1
90 401-57969 BOXCN1ASIGNALCABLEASM ボックスCN1Aシグナルケーブルクミ 1
91 EZ1-969-080-13 HARNESS(TB2-MR1) ハ-ネス(TB2-MR1) 1
92 402-10304 CP1-TB7CABLEASM CP1-TB7ケーブルクミ 1
93 EZ1-576-339-11 BREAKERCIRCUIT(CP32V/3) サ-キツトブレ-カ(CP32V/3) 1
94 EZ1-969-069-12 HARNESS(CP1-ATX) ハ-ネス(CP1-ATX) 1
95 401-96337 TB7-MC2WIREASM TB7-MC2ワイヤークミ 1
96 EZ1-969-064-13 HARNESS(TB2-CP4) ハ-ネス(TB2-CP4) 1
97 402-10694 TB2-PS3CABLEASM TB2-PS3ケーブルクミ 1
98 HA-0068700-00 MAGNETICCONTACTOR 電磁開閉器 1
99 EZ1-969-074-11 HARNESS(MC2-MC3) ハ-ネス(MC2-MC3) 1
100 402-03277 MC3-PS2CP5CABLEASM MC3-PS2CP5ケーブルクミ 1