RX-7_RX-7R-Rev09 - 第273页
B-29 B9 【 RX-7R 】 SYSTEM D IAGRAM(9)(RFBANK) 【 RX-7R 】 SYSTEM D IAGRAM(9)(RFBANK) イラスト番号 Ref.No. 品番 PartNumber Description 品名 個数 Q'ty 備考 Remarks 1 401-57972 BO XCN1A CABLE ASM …

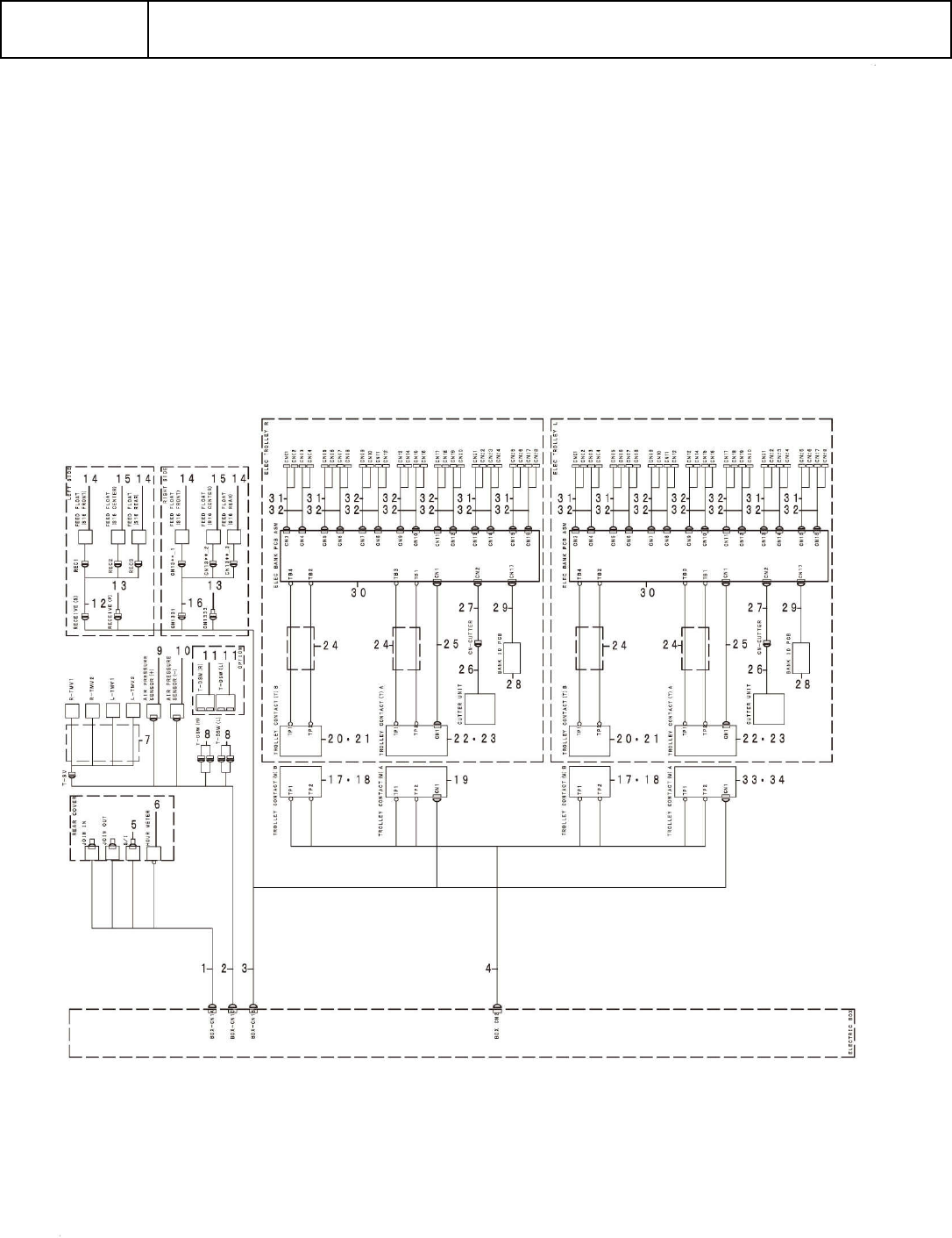
B-28
B9
【RX-7R】SYSTEM DIAGRAM (9) (RF BANK)
【RX-7R】SYSTEM DIAGRAM (9) (RF BANK)

B-29
B9
【RX-7R】SYSTEMDIAGRAM(9)(RFBANK)
【RX-7R】SYSTEMDIAGRAM(9)(RFBANK)
イラスト番号
Ref.No.
品番
PartNumber
Description
品名
個数
Q'ty
備考
Remarks
1 401-57972 BOXCN1ACABLEASM ボックスCN1Aケーブルクミ 1
2 401-96360 BOXCN1CCABLEASM ボックスCN1Cケーブルクミ 1
3 401-57973 BOXCN1BCABLEASM ボックスCN1Bケーブルクミ 1
4 EZ1-969-296-12 HARNESS(BOX-TROLLEYPOW) ハ-ネス(BOX-TROLLEYPOW) 1
5 EZ1-969-384-12 HARNESS(S/IJP) ハ-ネス(S/IJP) 1
6 EZ1-520-538-12 METERHOUR(H7ET-NFV-300)
アワ-メ-タ-(H7ET-NFV-300)
1
7 402-07757 VALVE_ASM バルブクミ 1
8 402-09947 T-DSWJPCABLEASM T-DSWJPケーブルクミ 1
9 401-29071 AIR(P)SENSORCABLEASM エア(P)センサケーブルクミ 1
10 401-29080 AIR(N)SENSORCABLEASM エア(N)センサケーブルクミ 1
11 HA-0037900-0A MICROSW マイクロ SW 1
12 401-58789 FD-FLOAT(L)SENSCABLE2-2ASM FD-FLOAT(L)センサケーブル 2-2 クミ 1
13 401-46050 FD-FLOAT(R)SENSSHORTWIREASM フィーダウキ(R)センサショートソクセンクミ 1
14 401-58787 SENSORASSYA(FEEDERFLOATJA センサASSYA(フィーダフロートJAM) 1
15 401-58788 SENSORASSYB(FEEDERFLOATJA センサASSYB(フィーダフロートJAM) 1
16 401-58790 FD-FLOAT(R)SENSCABLE2-2ASM FD-FLOAT(R)センサケーブル 2-2 クミ 1
17 EZA-194-422-7B TROLLEYCONTACT(M)BMOUNT トロリーCONTACT(M)BMOUNT 1
18 401-46472 TROLLEYCONTACT(M)BPCBASM トロリーCONTACT(M)B 基板組 1
19 401-46468 TROLLEYCONTACT(M)APCBASM トロリーCONTACT(M)A 基板組 1
20 EZA-194-422-9B TROLLEYCONTACT(T)BMOUNT トロリーCONTACT(T)BMOUNT 1
21 401-46480 TROLLEYCONTACT(T)BPCBASM トロリーCONTACT(T)B 基板組 1
22 EZA-194-422-8B TROLLEYCONTACT(T)AMOUNT トロリーCONTACT(T)AMOUNT 1
23 401-46476 TROLLEYCONTACT(T)APCBASM トロリーCONTACT(T)A 基板組 1
24 401-42757 POWERCABLEASM
電源ケーブル組
1
25 401-67769 RX-7TROLLER-IFCABLEASM RX-7台車 IF ケーブル組 1
26 401-68969 CUTTERSOLENOIDVALVEASM カッターソレノイドバルブクミ 1
27 401-67768 RX-7TROLLY-CUTTERCABLEASM RX-7台車-カッターケーブル組 1
28 401-69473 BANKIDPCB(RF)ASM バンク ID 基板(RF)組 1
29 401-64515 BANKCABLE(IFSNX_EXT-POW)ASM バンクケーブル(IFSNX_EXT-POW)クミ 1
30 401-64245 RX-7ELECBANKPCBASM
RX-7デンドウバンクPCB
1
31 401-64513 BANKCABLE1ASM バンクケーブル1ASM 1
32 401-64514 BANKCABLE2ASM バンクケーブル2ASM 1
33 EZA-194-422-6B TROLLEYCONTACT(M)AMOUNT トロリーCONTACT(M)AMOUNT 1
34 401-72762 TROLLEYCONTACT(M)AORIPCBAS トロリーCONTACT(M)AORI基板組 1

B-30
B10
【RX-7R】SYSTEM DIAGRAM (10) (ETF BANK)
【RX-7R】SYSTEM DIAGRAM (10) (ETF BANK)