RX-7_RX-7R-Rev09 - 第278页
C-3

C-2

C-3

C-4
C1
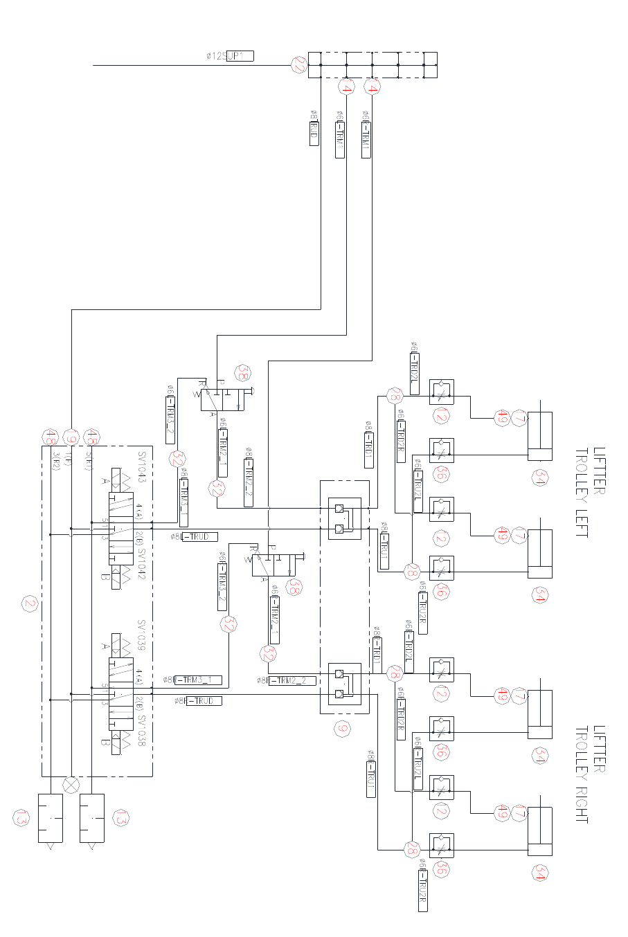
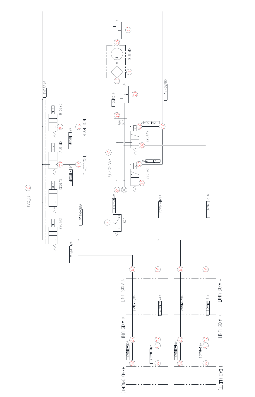
【RX-7】全体配管図
【RX-7】Pipediagram
イラスト番号
Ref.No.
品番
PartNumber
Description
品名
個数
Q'ty
備考
Remarks
1 EZ1-492-203-11 VACUUMPUMPASSY シンクウポンプASSY 1
2 EZ1-492-241-12 SOLENOIDASSY(TROLLEYLOCK) ソレノイドASSY(ダイシャロック) 1
3 EZ1-492-242-13 SOLENOIDASSY(AIRSUPPLY) ソレノイドASSY(AIRSUPPLY) 1
4 EZ1-492-357-11 ELECTROMAGNETICASSY デンジベンASSY(ドアロック) 1
5 EZ1-492-358-11 ELECTROMAGNETICASSY デンジベンASSY(ウチカバ-カイヘイ) 1
6 EZ1-798-472-11 SWITCHPRESSURE(ISE30A-C6H) アツリヨクスイツチ(ISE30A-C6H) 1
7 EZ1-798-473-11 SWITCHPRESSURE(ZSE30A-C6H) アツリヨクスイツチ(ZSE30A-C6H) 1
8 EZ2-023-682-31 REGULATOR,PRECISION(IR1010-01-BG) セイミツレギユレ-タ(IR1010-01-BG) 2
9 EZ2-108-828-01 MANIFOLD(VVQ2000-FPG-02-X9) マニホ-ルド(VVQ2000-FPG-02-X9) 1
10 EZ2-672-089-31 PLUG(KQ2P-08),BLANKING ブランキングプラグ(KQ2P-08) 2
11 EZ4-271-381-01 CYLINDER(SSD-X-20-10),AIR エアシリンダ(SSD-X-20-10) 2
12 EZ4-294-534-01 CONTROLLER(AS2002F-06)SPEED スピ-ドコントロ-ラ(AS2002F-06) 6
13 EZ4-436-830-11 SILENCER(AN15-02) サイレンサ(AN15-02) 3
14 EZ4-446-715-21 REJUICER(KQ2R06-08A) レジユ-サ(KQ2R06-08A) 6
15 EZ4-446-715-51 REJUICER(KQ2R08-12A) レジユ-サ(KQ2R08-12A) 2
16 EZ4-447-053-11 UNION(KQ2H06-M5N)HALF ハ-フユニオン(KQ2H06-M5N) 7
17 EZ4-447-063-21 UNION(KQ2L06-01AS),ELBOW エルボユニオン(KQ2L06-01AS) 8
18 EZ4-447-063-31 UNION(KQ2L06-02AS),ELBOW エルボユニオン(KQ2L06-02AS) 1
19 EZ4-447-063-51 UNION(KQ2L08-02AS),ELBOW エルボユニオン(KQ2L08-02AS) 1
20 EZ4-447-063-71 UNION(KQ2L12-02AS),ELBOW エルボユニオン(KQ2L12-02AS) 3
21 EZ4-447-063-91 UNION(KQ2L12-04AS),ELBOW エルボユニオン(KQ2L12-04AS) 1
22 EZ4-447-107-21 ELBOW(KQ2L12-99A),STREET ストリ-トエルボ(KQ2L12-99A) 2
23 EZ4-447-109-11 UNION(KQ2L06-M5A),ELBOW エルボユニオン(KQ2L06-M5A) 4
24 EZ4-447-063-41 UNION(KQ2L08-01AS),ELBOW エルボユニオン(KQ2L08-01AS) 2
25 EZ1-482-181-11 FERRITECLAMP(GRFC-13) FERRITECLAMP(GRFC-13) 2
26 EZ4-447-182-11 JOINT(KQ2T06-00A),TEE チ-ズ(KQ2T06-00A) 4
27 EZ4-447-186-11 WYE(KQ2U06-00A),UNION ユニオンワイ(KQ2U06-00A) 2
28 EZ4-447-213-21 WYE(KQ2U06-08A),UNION イケイユニオンワイ(KQ2U06-08A) 6
29 EZ4-447-247-21 STRAIGHT(KQ2H08-00A) ストレ-ト(KQ2H08-00A) 2
30 EZ4-447-247-41 STRAIGHT(KQ2H12-00A) ストレ-ト(KQ2H12-00A) 2
31 EZ4-447-248-61 UNION(KQ2H12-02AS),HALF ハ-フユニオン(KQ2H12-02AS) 1
32 EZ4-447-250-11 STRAIGHT(KQ2H06-08A) イケイストレ-ト(KQ2H06-08A) 6
33 EZ4-453-569-01 PLUG(CYP025-08B29449) プラグ(CYP025-08B29449) 4
34 EZ4-454-729-01 CYLINDER(CXSM32-100),DUALROD デュアルロッドシリンダ(CXSM32-100) 4
35 EZ4-454-742-01 SILENCER(ANA1-03) サイレンサ(ANA1-03) 1
36 EZ4-454-743-01 CONTROLLER(AS2201F-01-06SA)
スピ-ドコントロ-ラ(AS2201F-01-06SA)
4
37 EZ4-455-483-01 ELBOW(3/8),STREET ストリ-トエルボ(3/8) 1
38 EZ4-457-358-01 VALVE(MVP63-J),MECHANICAL メカニカルバルブ(MVP63-J) 2
39 EZ4-458-430-01 AIRCOMBINATION(AC30D-02DG-R-A) エアコンビネ-ション(AC30D-02DG-R-A) 1
40 EZ4-460-696-01 CYLINDER(CJ2D16-150A) シリンダ(CJ2D16-150A) 2
41 EZ4-462-965-01 COUPLER(MC-04SHB),MICRO マイクロカプラ(MC-04SHB) 2
42 EZ4-463-167-01 SILENCER(AN05-M5) サイレンサ(AN05-M5) 2
43 EZ4-701-316-01 ELBOW,STREET ストリ-トエルボ 1
44 EZ4-702-324-11 ELBO(M-5HL-6),HOSE ホ-スエルボ(M-5HL-6) 4
45 EZ4-703-607-02 COUPLER,HIGH(20PM) ハイカプラ-(20PM) 1
46 EZ4-703-619-01 SOCKET ハイカプラ-(20SH) 1
47 EZ4-705-238-11 MANIFOLD(KM11-08-12-10) マニホ-ルド(KM11-08-12-10) 1
48 EZ4-707-030-21 PLUG,TAPERSCREW(MSWT2) ハイカンヨウテ-パ-スクリュ-プラグ(MSWT2) 2
49 EZ4-719-971-01 NIPPLE,JOINT(KQ2N06-99) ツギテニップル(KQ2N06-99) 4