RX-7_RX-7R-Rev09 - 第282页
C-7 C3 【共通】ヘッド部配管図 【 COMMON 】 Headpipediagram

C-6
C2
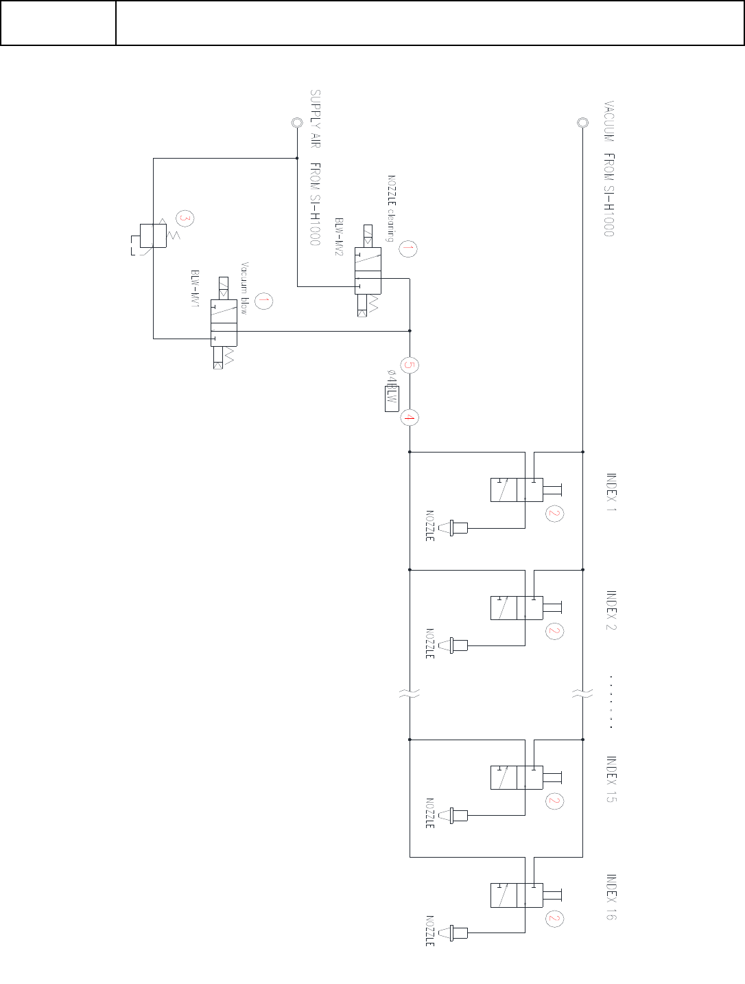
【RX-7R】全体配管図
【RX-7R】Pipediagram
イラスト番号
Ref.No.
品番
PartNumber
Description
品名
個数
Q'ty
備考
Remarks
1 EZ1-492-203-11 VACUUMPUMPASSY シンクウポンプASSY 1
2 PJ-3041254-01 ELBOWUNION12 エルボユニオン 12 1
3 EZ4-454-742-01 SILENCER(ANA1-03) サイレンサ(ANA1-03) 1
4 EZ4-455-483-01 ELBOW(3/8)STREET ストリ-トエルボ(3/8) 1
5 EZ1-492-242-13 SOLENOIDASSY(AIRSUPPLY) ソレノイドASSY(AIRSUPPLY) 1
6 EZ2-672-089-31 PLUG(KQ2P-08)BLANKING
ブランキングプラグ
6
7 EZ4-436-830-11 SILENCER(AN15-02) サイレンサ(AN15-02) 1
8 EZ4-447-063-31 UNION(KQ2L06-02AS)ELBOW エルボユニオン(KQ2L06-02AS) 1
9 EZ4-447-186-11 WYE(KQ2U06-00A)UNION ユニオンワイ(KQ2U06-00A) 1
10 EZ4-447-247-21 STRAIGHT(KQ2H08-00A) ストレ-ト(KQ2H08-00A) 2
11 EZ4-447-247-41 STRAIGHT(KQ2H12-00A) ストレ-ト(KQ2H12-00A) 4
12 EZ4-703-619-01 SOCKET ハイカプラ-(20SH) 1
13 EZ4-705-238-11 MANIFOLD(KM11-08-12-10) マニホ-ルド(KM11-08-12-10) 1
14 PJ-3010600-03 REDUCER レデューサ 5
15 PJ-3040405-05 ELBOW エルボユニオン 4
16 PJ-3041252-02 ELBOWUNION エルボユニオン 3
17 401-29071 AIR(P)SENSORCABLEASM エア(P)センサケーブルクミ 1
18 401-29080 AIR(N)SENSORCABLEASM エア(N)センサケーブルクミ 1
19 PJ-0205000-02 PLUG プラグ 1
20 PJ-3010605-03 HALFUNION ハ-フユニオン 5
21 EZ4-271-381-01 CYLINDER(SSD-X-20-10)AIR エアシリンダ(SSD-X-20-10) 2
22 401-58121 AIRCOMBINATION(AC30D-02DE-B) エアーコンビネーション(AC30D-02DE-B) 1
23 PJ-0425200-02 ELBOW ネジコミカンツギテストリ-トエルボ 1
24 EZ4-703-607-02 COUPLERHIGH(20PM)
ハイカプラ-(20PM)
1
25 EZ1-492-357-11 ELECTROMAGNETICASSY デンジベンASSY(ドアロック) 1
26 PJ-3050600-04 TEE チーズ 1
27 PX-0505010-00 SILENCER シヨウオンキ 1
28 EZ4-446-715-51 REJUICER(KQ2R08-12A) レジユ-サ(KQ2R08-12A) 2
29 PJ-3030800-02 STRAIGHT イケイストレート 2
30 EZ4-442-207-01 JOINTELBOW(KQ2K06-M5N)
エルボカンツギテ(KQ2K06-M5N)
2
31 EZ4-474-883-01 JOINTELBOW(KQ2K08-01AS) エルボカンツギテ(KQ2K08-01AS) 2
32 EZ4-453-569-01 PLUG(CYP025-08B29449) プラグ(CYP025-08B29449) 4
33 EZ4-454-743-01 CONTROLLER(AS2201F-01-06SA) スピ-ドコントロ-ラ(AS2201F-01-06SA) 4
34 PC-0126010-00 SPEEDCONTROLLER スピ-ドコントロ-ラ 4
35 PJ-3040651-01 ELBOWUNION6XPT1/8 エルボユニオン6XPT1/8 4
36 EZ4-454-729-01 CYLINDER(CXSM32-100)DUALROD
デユアルロツドシリンダ(CXSM32-100)
4
37 EZ4-457-358-01 VALVE(MVP63-J)MECHANICAL メカニカルバルブ(MVP63-J) 2
38 PX-0551040-00 SILENCER(PT1/8) サイレンサ 2
39 PJ-3040851-01 ELBOWUNION エルボユニオン 1
40 402-07757 VALVE_ASM バルブクミ 1
41 400-94346 CHECK_VALVE チェックバルブ 2
42 EZ2-672-089-31 PLUG(KQ2P-08)BLANKING ブランキングプラグ 5
43 EZ4-447-186-11 WYE(KQ2U06-00A)UNION ユニオンワイ(KQ2U06-00A) 5
44 PJ-3050600-04 TEE チーズ 5

C-7
C3
【共通】ヘッド部配管図
【COMMON】Headpipediagram

C-8
C3
【共通】ヘッド部配管図
【COMMON】Headpipediagram
イラスト番号
Ref.No.
品番
PartNumber
Description
品名
個数
Q'ty
備考
Remarks
1 EZ1-492-166-12 SOLENOIDVALVEASSY(BLW) ソレノイドバルブASSY(BLW) 1
2 EZ4-454-752-01 MECHANICALVALVE メカニカルバルブ 16
3 EZ4-458-768-01 DECOMPRESSIONVALVE(MR001) ゲンアツベン(MR001) 1
4 EZ4-702-269-01 NIPPLE(M-5H-4),HOSE ホ-スニップル(M-5H-4) 1
5 EZ4-702-324-01 ELBO(M-5HL-4),HOSE ホ-スエルボ(M-5HL-4) 1