RX-7_RX-7R-Rev09 - 第289页
在线预览 RX-7_RX-7R-Rev09 PDF 文档。

C-13
C4
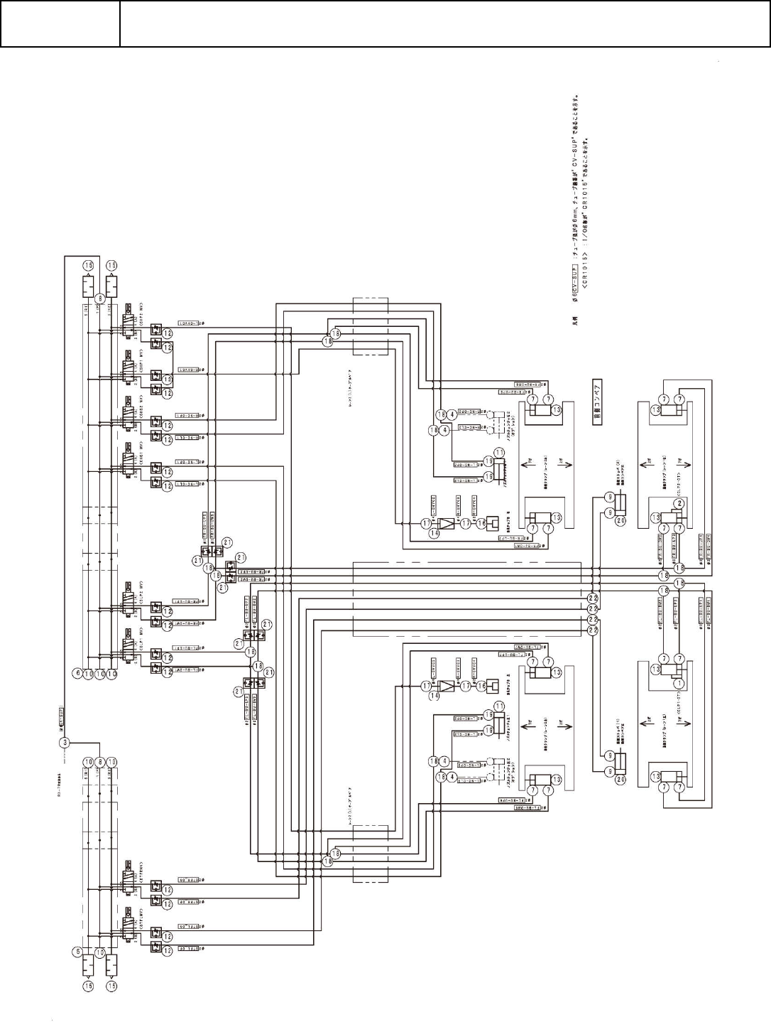
【RX-7】搬送部周辺配管図
【RX-7】Conveyorpipediagram
イラスト番号
Ref.No.
品番
PartNumber
Description
品名
個数
Q'ty
備考
Remarks
1 EZ1-492-216-12 SENSORASSY センサASSY(クランプ1) 1
2 EZ1-492-216-42 SENSORASSY センサASSY(クランプ4) 1
3 EZ1-492-216-32 SENSORASSY センサASSY(クランプ3) 1
4 EZ1-492-216-42 SENSORASSY センサASSY(クランプ4) 1
5 EZ1-492-217-14 SOLENOIDVALVEASSY ソレノイドバルブASSY 1
6 EZ1-492-356-13 SOLENOIDVALVEASSY(ST) ソレノイドバルブASSY(ST) 1 OPTIONn=1
7 EZ4-447-052-11 UNION(KQ2H02-M3G),HALF ハ-フユニオン(KQ2H02-M3G) 32
8 EZ4-447-063-41 UNION(KQ2L08-01AS),ELBOW エルボユニオン(KQ2L08-01AS) 2 OPTIONn=1
9 EZ4-447-108-11 UNION(KQ2L02-M3G),ELBOW エルボユニオン(KQ2L02-M3G) 8 OPTIONn=8
10 EZ4-453-569-01 PLUG(CYP025-08B29449) プラグ(CYP025-08B29449) 6 OPTIONn=3
11 EZ4-453-817-01 CYLINDER(SMG-L-10-10) シリンダ(SMG-L-10-10) 4
12 EZ4-457-146-31 CONTROLLER(AS1211F-M5-02A) スピ-ドコントロ-ラ-(AS1211F-M5-02A) 24 OPTIONn=8
13 EZ4-454-500-01 CYLINDER(CDUJB8-11-DCP6468P) シリンダ(CDUJB8-11-DCP6468P) 16
14 EZ4-454-521-01 GENERATOR(VUH05-44A),VACUUM シンクウハツセイキ(VUH05-44A) 2
15 EZ1-755-545-11 SOCKET,RELAY(SM2S-05B) リレ-ソケット(SM2S-05B) 4 OPTIONn=2
16 EZ4-455-731-01 UNION(KJH02-M3),HALF ハ-フユニオン(KJH02-M3) 4
17 EZ4-455-732-01 STRAIGHT(KJH02-04) イケイストレ-ト(KJH02-04) 4
18 EZ4-455-733-01 WYE(KJU02-00),UNION ユニオンワイ(KJU02-00) 28
19 EZ4-455-734-01 UNION(KJL02-M5),ELBOW エルボユニオン(KJL02-M5) 8
20 EZ4-456-332-01 CYLINDER(CUJB8-15D) シリンダ(CUJB8-15D) 4 OPTIONn=4

C-14
C5
【RX-7R】搬送部周辺配管図
【RX-7R】Conveyor pipe diagram