RX-7_RX-7R-Rev09 - 第31页
A-23 A7-1 【 RX-7 】架台 ASSY-4 【 RX-7 】 Baseframeassy-4 イラスト番号 Ref.No. 品番 PartNumber Description 品名 個数 Q'ty 備考 Remarks 1 EZ4-455-243-12 BRACKET(X A),CABLE(R) ケ-ブルブラケット(XA)(R) 1 …

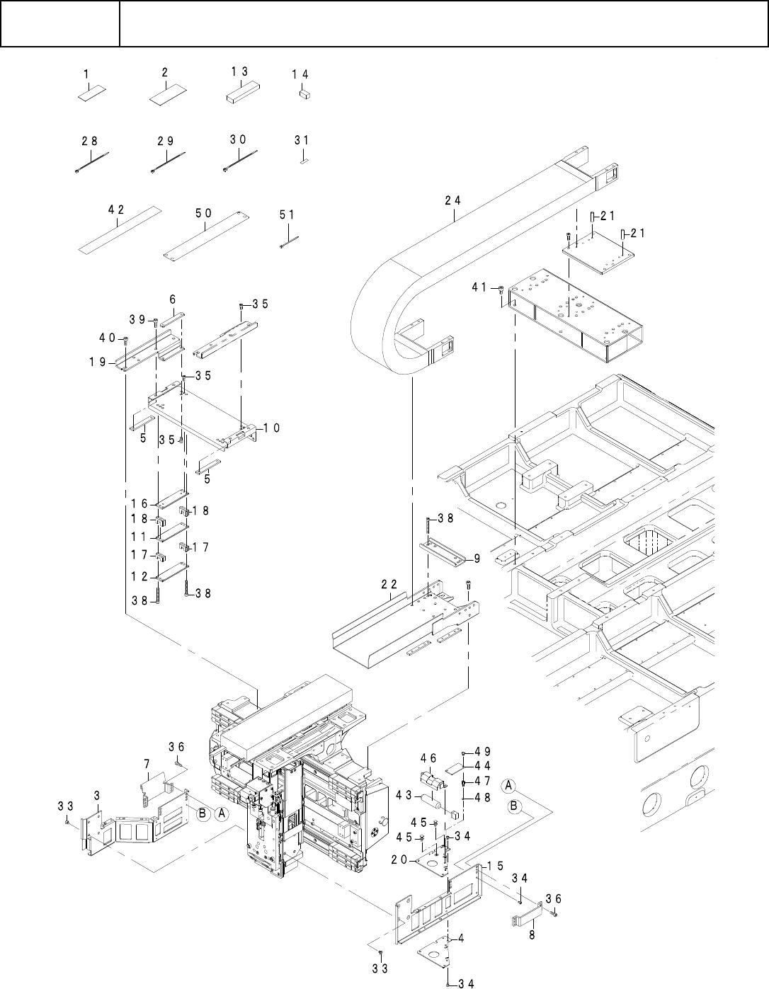
A-22
A7-1
【RX-7】架台 ASSY-4
【RX-7】Baseframeassy-4
24
12
7
17
24
38
26
26
20
28
23
28
18
3
38
37
8
39
37
39
36
40
20
24
8
6
22
21
13
4
3
32
35
30
33
34
31
31
19
1
5
24
21
2
22
22
27
23
9
23
27
14
16
15
26
25
16
10
15
11
25
26
22
22
34
33
35
29

A-23
A7-1
【RX-7】架台 ASSY-4
【RX-7】Baseframeassy-4
イラスト番号
Ref.No.
品番
PartNumber
Description
品名
個数
Q'ty
備考
Remarks
1 EZ4-455-243-12 BRACKET(XA),CABLE(R) ケ-ブルブラケット(XA)(R) 1
2 EZ4-455-244-01 SUPPORTPLATE(X) サポ-トプレ-ト(X) 1
3 EZ4-455-245-01 NUTPLATE(M5) イタナット(M5) 2
4 EZ4-455-245-11 NUTPLATE(M4) イタナット(M4) 1
5 EZ4-455-246-01 CLAMP(LH),CABLE ケ-ブルクランプLH 1
6 EZ4-455-247-01 CLAMP(RH),CABLE ケ-ブルクランプRH 1
7 EZ4-455-462-01 BRACKET,CABLEBARE ケ-ブルベアブラケット 1
8 EZ4-455-463-01 CABLERETAINER ケ-ブルオサエ 2
9 EZ4-455-464-03 CABLEGUIDE ケ-ブルガイド 1
10 EZ4-455-465-01 CLAMPPLATE(S) クランププレ-ト(S) 1
11 EZ4-455-465-11 CLAMPPLATE(H) クランププレ-ト(H) 1
12 EZ4-455-691-01 BARE(TKR20H28W80R95),CABLE ケ-ブルベア(TKR20H28W80R95) 1
13 EZ4-455-721-12 BRACKET(XB),CABLE(R) ケ-ブルブラケット(XB)(R) 1
14 EZ4-458-968-01 PLATE,CLAMPBASE クランプベ-スプレ-ト 1
15 EZ4-459-118-01 SPACER(S),CLAMP クランプスペ-サ(S) 2
16 EZ4-459-118-11 SPACER(L),CLAMP クランプスペ-サ(L) 2
17 EZ4-464-111-02 PLATE,CABLERETAINERNUT ケ-ブルオサエナットプレ-ト 2
18 EZ4-466-199-01 ARM,CABLEGUIDE() ケ-ブルガイドア-ム(L) 1
19 EZ4-471-563-11 SUPPORTPLATE(X,R) サポ-トプレ-ト(X,R) 1
20 EZ4-472-239-01 SPACERBLK,CABLERETAINER ケ-ブルオサエスペ-サBLK 2
21 EZ7-682-260-04 SCREW+K4X6 +K4X6 8
22 EZ7-683-401-04 BOLT,HEXAGONSOCKET3X4 6 カクアナツキボルト3X4 16
23 EZ7-683-419-04 BOLTHEXAGONSOCKET4X8 6 カクアナツキボルト4X8 6
24 EZ7-683-421-04 BOLTHEXAGONSOCKET4X12 6 カクアナツキボルト(C4X12) 10
25 EZ7-683-425-04 BOLT,HEXAGONSOCKET4X20 6 カクアナツキボルト4X20 2
26 EZ7-683-428-04 BOLT,HEXAGONSOCKET4X40 6 カクアナツキボルト4X40 8
27 EZ7-683-435-04 BOLT,HEXAGONSOCKET5X10 6 カクアナツキボルト5X10 4
28 EZ7-683-437-04 BOLT,HEXAGONSOCKET5X14 6 カクアナツキボルト5X14 5
29 EZ1-492-202-12 BATTERYASSY バツテリ-ASSY 1
30 EZ1-895-367-21 BOARD,BACKUPMONITORING バツクアツプモニタ-ボ-ド(Z) 1
31 EZ4-056-942-11 SPACER,MINIATURECARD ミニカ-ドスペ-サ- 2
32 EZ4-468-642-01 BATTERYBOX(Z,L) バツテリ-BOX(Z,L) 1
33 EZ4-705-584-01 SPACER(SQ-7) スペ-サ(SQ-7) 2
34 EZ7-623-208-22 SW3,TYPE2 SW3,TYPE2 2
35 EZ7-683-401-04 BOLT,HEXAGONSOCKET3X4 6 カクアナツキボルト3X4 4
36 EZ4-459-119-01 BASE,CABLECLAMP ケ-ブルクランプベ-ス 1
37 EZ4-472-252-01 COLLAR,CABLERETAINERSPACER ケ-ブルオサエスペ-サカラ- 4
38 EZ7-683-421-04 BOLTHEXAGONSOCKET4X12 6 カクアナツキボルト(C4X12) 10
39 EZ7-683-428-04 BOLT,HEXAGONSOCKET4X40 6 カクアナツキボルト4X40 4
40 EZ7-683-452-04 BOLT,HEXAGONSOCKET6X10 6 カクアナツキボルト6X10 3

A-24
A7-2
【RX-7R】架台 ASSY-4
【RX-7R】Baseframeassy-4