RX-7_RX-7R-Rev09 - 第54页
A-43 A13 【共通】ヘッド ASSY-4 【 COMMON 】 Headassy-4

A-42
A12
【共通】ヘッド ASSY-3
【COMMON】Headassy-3
イラスト番号
Ref.No.
品番
PartNumber
Description
品名
個数
Q'ty
備考
Remarks
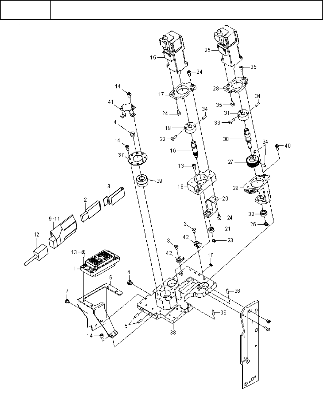
1 EZ1-492-165-13 SENSORASSY(NOZZLESHAFT) センサ-ASSY(ノズル/シャフトケンシュツ) 2
2 EZ1-492-166-12 SOLENOIDVALVEASSY(BLW) ソレノイドバルブASSY(BLW) 2
3 EZ1-492-202-12 BATTERYASSY バツテリ-ASSY 1
4 EZ1-895-367-12 BOARDBACKUPMONITORING バツクアツプモニタ-ボード 1
5 EZ4-454-723-01 LOWHEADSCREW(M3X8) テイトウロツカクアナツキボルト(M3X8) 1
6 EZ4-458-314-01 BATTERYCLIP バツテリ-クリツプ 1
7 EZ4-458-495-02 COVER,WIRING ハイセンカバ- 1
8 EZ7-627-551-18 SCREW,PRECISION+P1.4X2 セイミツネジ+P1.4X2.0,TYPE1 4
9 EZ7-683-406-04 BOLT,HEXAGONSOCKET3X12 6 カクアナツキボルト3X12 2
10 EZ7-683-421-04 BOLTHEXAGONSOCKET4X12 6 カクアナツキボルト(C4X12) 3
11 EZ7-683-480-24 BOLT,HEXAGONSOCKET2X5 6 カクアナツキボルト2X5 4
12 EZ7-683-405-04 BOLT,HEXAGONSOCKET3X10 6 カクアナツキボルト3X10 5
13 EZ1-845-163-12 UNITCAMERAMOVE(QQJ-2216) イドウカメラユニツト(QQJ-2216) 1 RX-7 用(P16)
14 402-07918 MOVABLE_CAMERA_UNIT_PROTECT 保護付移動カメラユニット 1 RX-7R 用(P16S)
15 EZ4-453-950-01 PLATE,HEADBASE ヘツドブベ-スプレ-ト 1
16 EZ4-453-951-01 PLATE,BOTTOM ボトムプレ-ト 1
17 EZ4-453-952-01 PLATE(1),SIDE サイドプレ-ト(1) 1
18 EZ4-453-953-01 PLATE(2),SIDE サイドプレ-ト(2) 1
19 EZ4-453-994-01 BLOCK,CLAMP クランプブロツク 1
20 EZ4-453-997-01 HEADFIXINGBLOCK ヘツドガワコテイブロツク 1
21 EZ4-454-074-01 MINIATUREYPACKINGMYA-8 ミニYパツキン(MYA-8) 1
22 EZ4-457-781-01 STOPPERPIN ストツパ-ピン 2
23 EZ4-458-768-01 DECOMPRESSIONVALVE(MR001) ゲンアツベン(MR001) 1
24 EZ4-701-529-01 TIEMOUNT(MB1) タイマウント(MB1) 2
25 EZ4-702-269-01 NIPPLE(M-5H-4),HOSE ホ-スニツプル(M-5H-4) 1
26 EZ4-702-324-01 ELBO(M-5HL-4),HOSE ホ-スエルボ(M-5HL-4) 1
27 EZ7-682-247-04 SCREW+K3X6 +K3X6 2
28 EZ7-683-403-04 BOLT,HEXAGONSOCKET3X6 6 カクアナツキボルト3X6 14
29 EZ7-683-419-04 BOLTHEXAGONSOCKET4X8 6 カクアナツキボルト4X8 2
30 EZ4-454-032-01 SPACER,GEAR ギアヨウスペ-サ- 7
31 EZ4-472-629-01 SHAFT,REINFORCE ホキヨウヨウシヤフト 1
32
EZ4-465-277-01 HEADCLAMPBLOCKSHIM(T0.1) ヘツドクランプブロツクシム(T0.1) 1
EZ4-465-277-11 HEADCLAMPBLOCKSHIM(T0.2) ヘツドクランプブロツクシム(T0.2) 2
EZ4-465-277-21 HEADCLAMPBLOCKSHIM(T0.5) ヘツドクランプブロツクシム(T0.5) 1
33 EZ3-703-360-51 PIN,PARALLEL(DIA.3X8) ヘイコウピン(フアイ3X8) 4

A-43
A13
【共通】ヘッド ASSY-4
【COMMON】Headassy-4

A-44
A13
【共通】ヘッド ASSY-4
【COMMON】Headassy-4
イラスト番号
Ref.No.
品番
PartNumber
Description
品名
個数
Q'ty
備考
Remarks
1 EZ1-843-626-11 CONNECTOR(DL2-96R) コネクタ(DL2-96R) 1
2 401-63295 USBMEMORY(SP008GBUF3J06V1D) USBメモリ-(SP008GBUF3J06V1D) 1
3 EZ7-682-247-04 SCREW+K3X6 +K3X6 2
4 EZ2-023-770-01 PLUG(M-5P) プラグ(M-5P) 2
5 EZ3-703-360-03 PINPARALLEL(DIA.3X10) ヘイコウピン(フアイ3X10) 2
6 EZ4-454-041-03 BRACKET,CONNECTOR コネクタブラケツト 1
7 EZ4-454-078-01 BOLT(SET-M3X6-NI) テイトウボルト(SET-M3X6-NI) 22
8 EZ4-457-931-01 TAPE(80)FIXED コテイテ-プ(80) 1
9 EZ1-458-773-11 USBEXTENSION(USB-EX50) USBEXTENSION(USB-EX50) 1
10 EZ4-465-278-01 ORING(SS3.5) Oリング(SS3.5) 1
11 EZ7-632-355-40 TUBEHEATSHRINKING(25X0.4) ネツシユウシユクチユ-ブ 0.052
12 EZ1-970-003-11 HARNESS(USBLAN) ハ-ネス(USBLAN) 1
13 EZ7-683-404-04 BOLT,HEXAGONSOCKET3X8 6 カクアナツキボルト3X8 7
14 EZ7-683-403-04 BOLT,HEXAGONSOCKET3X6 6 カクアナツキボルト3X6 33
15 401-61107 MOTORASSY(RT) モータASSY(RT ジク) 1
16 EZ4-453-921-02 GEAR(RT)(DRIVING) ギア-(RT)(クドウ) 1
17 EZ4-453-928-01 BASE(RT),MOTOR モ-タベ-ス(RT) 1
18 EZ4-453-930-01 HOLDER(RT),BEARING ベアリングホルダ(RT) 1
19 EZ4-453-944-02 COLLAR,SET セツトカラ- 1
20 EZ4-454-027-01 HOLDER(TR-2),BEARING ベアリングホルダ(TR-2) 1
21 EZ4-454-054-01 BEARING(684AZZ) ベアリング(684AZZ) 1
22 EZ4-454-723-01 LOWHEADSCREW(M3X8) テイトウロツカクアナツキボルト(M3X8) 1
23 EZ4-454-724-01 RING,SHAFTCTYPERETAINING(4) ジクヨウC ガタトメワ(4) 1
24 EZ7-683-403-04 BOLT,HEXAGONSOCKET3X6 6 カクアナツキボルト3X6 6
25 EZ1-492-164-25 MOTORASSY モ-タ-ASSY(RN ジク) 1
26 EZ2-023-130-11 RING,SHAFTCTYPERETAINING ジクヨウC ガタトメワ(STWN5) 1
27 EZ4-453-922-01 GEAR(RN)(DRIVING) ギア-(RN)(クドウ) 1
28 EZ4-453-929-01 BASE(RN),MOTOR モ-タベ-ス(RN) 1
29 EZ4-453-931-01 HOLDER(RN),BEARING ベアリングホルダ(RN) 1
30 EZ4-453-943-02 SHAFT,GEAR ギア-シヤフト 1
31 EZ4-453-944-02 COLLAR,SET セツトカラ- 1
32 EZ4-454-066-01 BEARING(MR115ZZ) ベアリング(MR115ZZ) 1
33 EZ4-454-723-01 LOWHEADSCREW(M3X8) テイトウロツカクアナツキボルト(M3X8) 1
34 EZ4-718-766-01 SET-SCREW(M3X4SUS),HEAD ロツカクアナツキトメネジ(M3X4SUS) 4
35 EZ7-683-403-04 BOLT,HEXAGONSOCKET3X6 6 カクアナツキボルト3X6 4
36 EZ2-022-865-01 PIN,PARALLEL(DIA.3M6X10) ヘイコウピン(フアイ3M6X10) 2
37 EZ4-453-925-01 RETAINER,BEARING ベアリングオサエ 1
38 EZ4-453-949-02 HEADTOPPLATE ヘツドトツププレ-ト 1
39 EZ4-454-052-01 BEARING(AC8-18DF) アンギユラベアリング(AC8-18DF) 1
40 EZ4-454-723-01 LOWHEADSCREW(M3X8) テイトウロツカクアナツキボルト(M3X8) 2
41 EZ4-457-779-01 MAINSHAFTCOVER メインシヤフトカバ- 1
42 EZ4-701-529-01 TIEMOUNT(MB1) タイマウント(MB1) 2