RX-7_RX-7R-Rev09 - 第91页
A-73 A22-1 【 RX-7 】搬送レーン 1 【 RX-7 】 Conveyorlane-1 イラスト番号 Ref.No. 品番 PartNumber Description 品名 個数 Q'ty 備考 Remarks 1 EZ4-454-322-01 RET AINER(SLIDELOWERL) キハ ゙ンオサエ(スライドシタL) 1 2…

A-72
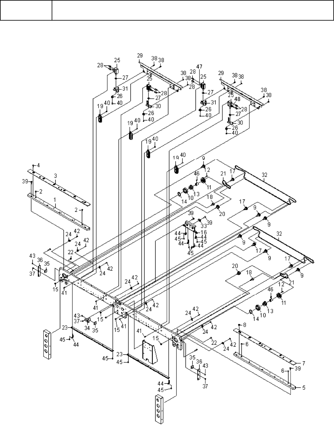
A22-1
【RX-7】搬送レーン 1
【RX-7】Conveyorlane-1

A-73
A22-1
【RX-7】搬送レーン 1
【RX-7】Conveyorlane-1
イラスト番号
Ref.No.
品番
PartNumber
Description
品名
個数
Q'ty
備考
Remarks
1 EZ4-454-322-01 RETAINER(SLIDELOWERL) キバンオサエ(スライドシタL) 1
2 EZ4-454-519-01 SOLENOID(SBP5),BALL ボ-ルプランジヤ(SBP5) 2
3 EZ4-454-323-01 RETAINER(SLIDEUPPERL),BOARD キバンオサエ(スライドウエL) 1
4 EZ4-454-319-01 PIN,STEP ダンツキピン 6
5 EZ4-454-322-11 RETAINER(SLIDELOWERR) キバンオサエ(スライドシタR) 1
6 EZ4-454-519-01 SOLENOID(SBP5),BALL ボ-ルプランジヤ(SBP5) 2
7 EZ4-454-323-11 RETAINER(SLIDEUPPERR),BOARD キバンオサエ(スライドウエR) 1
8 EZ4-454-319-01 PIN,STEP ダンツキピン 6
9 EZ4-454-511-01 PULLEY(P30-2GT)(A) プ-リ(P30-2GT)A 6
10 EZ4-453-832-01 BEARING(6804ZZ) ベアリング(6804ZZ) 2
11 EZ4-453-825-01 PULLEY(P1110-012-1)(D) タイミングプ-リ(P1110-012-1)D 2
12 EZ2-679-468-01 BOLT(CBSTS3-10) ゴクテイトウボルト(CBSTS3-10) 8
13 EZ4-454-327-01 HOUSING,NUT ナツトハウジング 2
14 EZ2-022-680-11 RING,CTYPERETAINING(STWS*) C ガタトメワ(STWS20) 2
15 EZ4-718-724-05 NUT(1TYPE),HEXAGON(M4X0.7SUS) ロツカクナツト(1 シユ)(M4X0.7SUS) 4
16 EZ4-454-362-02 BRACKET(2R),REINFORCEMENT ホキヨウブラケツト(2R) 1
17 EZ4-454-504-01 IDLER(AS-5A39A)(A) アイドラ-(AS-5A39A)A 4
18 EZ4-454-505-01 IDLER(AS-5A40)(B) アイドラ-(AS-5A40)B 2
19 EZ4-454-501-01 GUIDE(LWLG9C1R52BS1EB09) ガイド(LWLG9C1R52BS1EB09) 4
20 EZ4-454-512-01 PULLEY(P30-2GTX2)(B) プ-リ(P30-2GTX2)B 2
21 EZ4-453-829-01 BELT(162-2GT-3),TIMING タイミングベルト(162-2GT-3) 2
22 EZ2-915-937-11 BOLT(M4SUS),SOCKETBUTTON ロツカクアナツキボタンボルト(M4SUS) 4
23 EZ4-455-706-01 COVERHARNESS カバ-ハ-ネス 2
24 EZ4-701-529-01 TIEMOUNT(MB1) タイマウント(MB1) 8
25 EZ4-454-500-01 CYLINDER(CDUJB8-11-DCP6468P) シリンダ(CDUJB8-11-DCP6468P) 4
26 EZ4-454-324-01 JOINT,CYLINDER シリンダジヨイント 4
27 EZ4-454-328-01 STOPPER,CLAMP クランプストツパ 4
28 EZ4-447-052-11 UNION(KQ2H02-M3G),HALF ハ-フユニオン(KQ2H02-M3G) 8
29 EZ4-454-360-01 PLATE(0.5),CLAMP クランププレ-ト(0.5) 2
30 EZ4-454-361-01 JOINT(L),CLAMP クランプジヨイント(L) 2
31 EZ4-454-361-11 JOINT(R),CLAMP クランプジヨイント(R) 2
32 EZ4-459-595-01 BELT(1110-2GT-2),TIMING タイミングベルト(1110-2GT-2) 2
33 EZ4-706-151-11 CLAMP(KR5G5) ハイセンドメ(KR5G5) 1
34 EZ4-454-326-01 BRACKET(C),SENSOR センサブラケツト(C) 1
35 EZ1-492-207-11 SENSOR,FIBER(FT-AL05) フアイバセンサ(FT-AL05) 3
36 EZ4-454-325-01 BRACKET(LR),SENSOR センサブラケツト(LR) 1
37 EZ3-282-481-31 BOLT(CBSA3-6) ゴクテイトウボルト(CBSA3-6) 6
38 EZ7-683-402-04 BOLT,HEXAGONSOCKET3X5 6 カクアナツキボルト3X5 28
39 EZ7-683-421-04 BOLTHEXAGONSOCKET4X12 6 カクアナツキボルト(C4X12) 16
40 EZ7-683-403-04 BOLT,HEXAGONSOCKET3X6 6 カクアナツキボルト3X6 16
41 EZ7-683-404-04 BOLT,HEXAGONSOCKET3X8 6 カクアナツキボルト3X8 8
42 EZ7-682-248-09 SCREW+K3X8 +K3X8 8
43 EZ4-702-261-02 BOLT,HEXAGONSOCKET(M3X6) ロツカクアナツキサラボルト(M3X6) 6
44 EZ2-595-270-01 HOLDERWIRE ホルダーワイヤー 6
45 EZ7-682-247-09 SCREW+K3X6 SCREW+K3X6 8
46 EZ4-454-762-01 KEY(K03008),PARALLEL ヘイコウキ-(K03008) 2
47 EZ1-492-216-12 SENSORASSY センサASSY(クランプ1) 1
48 EZ1-492-216-22 SENSORASSY センサASSY(クランプ2) 1

A-74
A22-2
【RX-7R】デュアル搬送レーン 1
【RX-7R】DualConveyorlane-1