S-ATSII_KKU_e.pdf - 第10页
Wiring par ts list KKU1006 PA G E 8 Con fi dential & Proprietary No P ar t No . P ar t Name Q'ty Remarks No P ar t No . P ar t Name Q'ty Remarks 1 90K30-544160 HNS,EAR TH 1 J0601 39 KKU-M66M5-000 HNS,PL T .E…

Confidential & Proprietary
PAGE
MAIN MACHINE
1
2
3
4
1
2
3
4
2
3
4
5
6
1
2
3
4
5
6
1
3
41
5
1
2
1
2
3
2
1
4
5
6
7
8
0V
+24V
A1+24VA A1
13+24VA 13
AZ U50
AZ V50
AZ W50
AZ U51
AZ V51
AZ W51
A2
14
AZ U51
AZ V51
AZ W51
1/L1
3/L2
5/L3
2/T1
4/T2
6/T3
81 82
51
61
71
52
62
72
3
4
3
4
1
2
1
2
BRAKE
A12
B12
A13
B13
0V
0V
+24V
+24V
+24V
2
3
4
5
1
2
3
4
5
1
B10
A11
B11
B7
・
A1
・
A10
A12
B12
A13
B13
B10
A11
B11
B7
・
A1
・
A10
R1 R2 R3
M01
AZ-AXIS
SB15
AZ BRAKE OFF SWITCH
AZ BK AZ BK
KA01
CN1 CN1
KM11
KM11A
CN13 CN13
CONTROL BOX ASSY A1
AZM AZM
TF+24V
1
2
1
2
BRK OFF
AZMAZM
COVERCOVER
B5
B8
B5
A1
・
A5
・
B8
A1
・
A5
・
CN3CN3
2
3
4
1
2
3
4
1
COVERCOVER
3
2
1
4
5
6
7
8
I/O TF BOARD ASSY P021
CH2 CH1
K1K2
AC
DC
LOGIC
T11
T12
T22
T31
T32
13
23
33 34
24
14
41 42
A1
A2
+24VA 14
+24VA 24
T32
KM10
11
MO
2 2
33
1 1
BRAKE
2 2
・
10
・
10
1212
・ ・
MO4
SERV04
BRAKE4
TF+24V
T32 82T31A 81
SQ010
CONT ON
+24V A1
TF+24V
TF+24V
0V 10A2
T11
T12
T22
T31
0V 11A2
Z1 U52
Z1 V52
Z1 W52
0V
T0100404
N0100F37
BK OFF
-+ E2E1
52
32
51
31
11 12
KEY
COVER SWITCH
AZ MB
0V +24V
AZ BK
S-ATS II
6
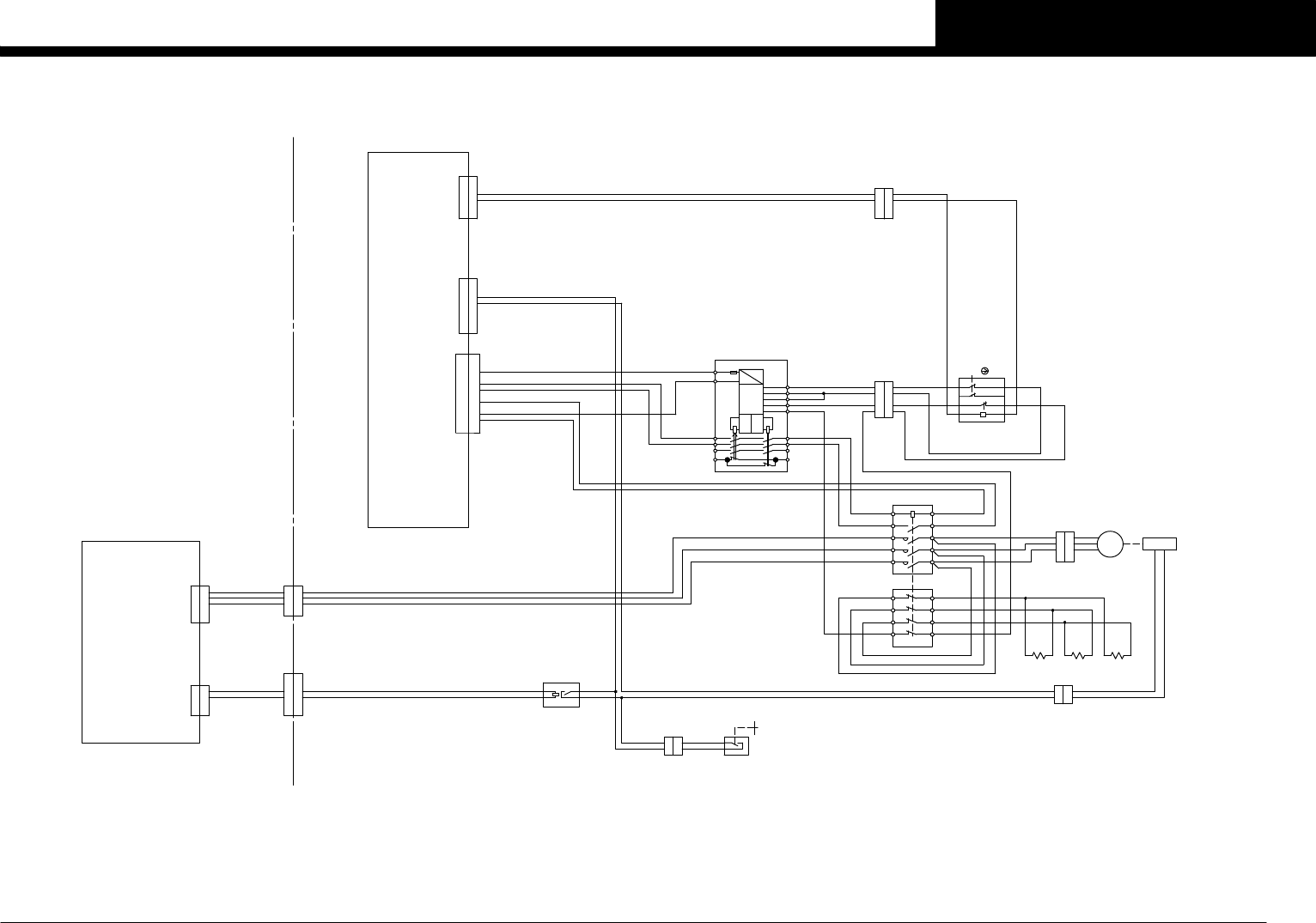
AZ INTERLOCK CIRCUIT
S-ATSII

PAG E
7
Confi dential & Proprietary
S-ATSII
S-ATSII
Air circuit
H014444

Wiring parts list
KKU1006
PAG E
8
Confi dential & Proprietary
No Part No. Part Name Q'ty Remarks No Part No. Part Name Q'ty Remarks
1 90K30-544160 HNS,EARTH 1 J0601 39 KKU-M66M5-000 HNS,PLT.EMPTY 1 1 J0983
2 90K30-544140 HNS,PE 1400 1 J0602 40 KKU-M66M6-000 HNS,PLT.EMPTY 2 1 J0984
3 90K30-444012 HNS,EARTH 1 J0603 41 KKU-M66MB-000 HNS,PLT.EMPTY 2 1 J0985
4 90K30-445090 HNS,FG-BRKT 1 J0604 42 KJM-M66MM-001 HNS,INDI.I/O 1 J0986
5 90K30-244015 HNS,COVER FG 1 J0605 43
6 KGJ-M668M-001 HNS,SW LAMP 1 J0611 44
7 KGA-M667J-002 HNS,EMG SW 1 J0613 45
8 KGP-M66U9-011 HNS,SW BRAKE OFF 1 J0616 46
9 KJM-M663E-002 HNS,I/O TF CN1 1 J0620 47
10 KKU-M663A-001 HNS,TF DC24V LOWER 1 J0621 48
11 KJM-M66H1-000 HNS,I/O TF CN3 1 J0622 49
12 KJM-M66H3-000 HNS,I/O TF CN5 1 J0624 50
13 KKU-M66GA-021 HNS,SATS DI DO 1 J0627 51
14 KKU-M66GB-011 HNS,EXT.AH DI DO 1 J0628 52
15 KKU-M668A-001 HNS,CUNET 1 J0631 53
16 KKU-M66H9-010 HNS,HOOK VALVE 1 J0632 54
17 KJM-M66GE-000 HNS,AZ-FLEX PLT ORG 2 J0639,J0640 55
18 KJM-M66GF-000 HNS,AZ-FLEX LATCH 2 J0641,J0642 56
19 KJM-M66GH-000 HNS,AZ-FLEX RACK 1 J0643 57
20 KJM-M66GJ-000 HNS,AH-FLEX HOOK CHK 1 J0644 58
21 KJM-M66GK-010 HNS,AH-FLEX HOOK DI 1 J0645 59
22 KJM-M66GM-000 HNS,AZ-FLEX RACK ORG 1 J0646 60
23 KKU-M66A4-001 HNS,SATS AZP 1 J0652 61
24 KKU-M66E1-001 HNS,SATS AZM 1 J0653 62
25 KJM-M66E4-010 HNS,DB 1 J0654 63
26 KJM-M66E2-000 HNS,KM11-AZM 1 J0657 64
27 KJM-M66G5-000 HNS,CONTACTOR 1 1 J0658 65
28 KJM-M66G7-000 HNS,COVER EMG 1 J0659 66
29 KJM-M66E5-000 HNS,KM11 LOOP 1 J0660 67
30 KKU-M66LE-000 HNS,I/O CMN 1 1 J0690 68
31 KKU-M66L1-000 HNS,PI4 1 J0691 69
32 KKU-M66L2-000 HNS,BASE AHP 1 J0692 70
33 KKU-M66L3-000 HNS,BASE AZP 1 J0693 71
34 KKU-M66L8-001 HNS,MO4 1 J0694 72
35 KKU-M66LF-000 HNS,TF +24V 1 J0695 73
36 KKU-M66GC-000 HNS,EXT.SATS POS 1 J0697 74
37 KGB-M3992-003 SWITCH,SELECT 1 J0780 75
38 KKU-M66M1-010 HNS,PLT.RESET 1 2 J0981,J0982 76