QE53C-E-EPA-45.pdf - 第55页
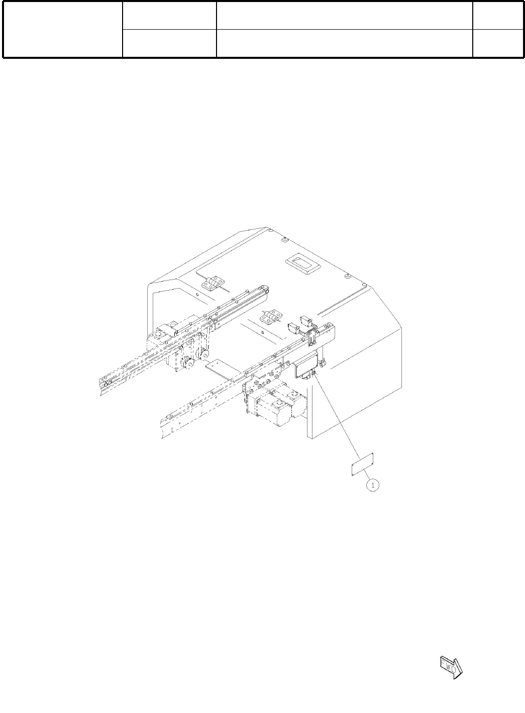
Ref No. Remarks R 1 Q'ty 18 下流延長 コ ン ベ ア ユ ニ ット ( マシン 左側 ) Downstream Extension Conveyor Unit(Left Side of Machine) イラスト No. Part No. 品 名 品番 数量 R 2 パー ツ リ スト Kit No. キ ット 品番 Kit Name キ ット 名称 N610004081AA Part Name 備…

18
下流延長
コンベアユニット
(
マシン
左側
)
Downstream Extension Conveyor Unit(Left Side of Machine)
パーツレイアウト
Kit No.
キット
品番
Kit Name
キット
名称
N610004081AA
セクション
No
.
PARTS LAYOUT
Section No.
-
-
E35
( KN610004081AA-02 )

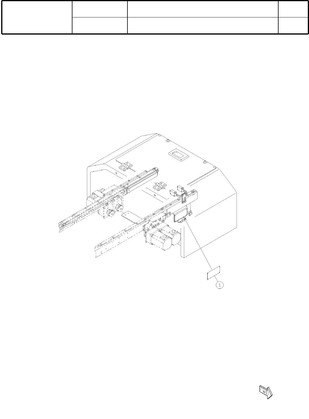
Ref
No.
Remarks
R
1
Q'ty
18
下流延長
コンベアユニット
(
マシン
左側
)
Downstream Extension Conveyor Unit(Left Side of Machine)
イラスト
No.
Part No.
品 名品番 数量
R
2
パーツリスト
Kit No.
キット
品番
Kit Name
キット名称
N610004081AA
Part Name
備 考
セクション
No
.
PARTS LIST
Section No.
R
3
PCB
1
1 KXFE000JA00
EL1ACA_PbF: Conveyor motor (RS485) connection board
E36
-
-
( KN610004081AA-02 )

19
下流延長
コンベアユニット
(
マシン
右側
)
Downstream Extension Conveyor (Right Side of Machine)
パーツレイアウト
Kit No.
キット
品番
Kit Name
キット
名称
N610006859AA
セクション
No
.
PARTS LAYOUT
Section No.
-
-
E37
( KN610006859AA-02 )