NXTII partlist - 第113页
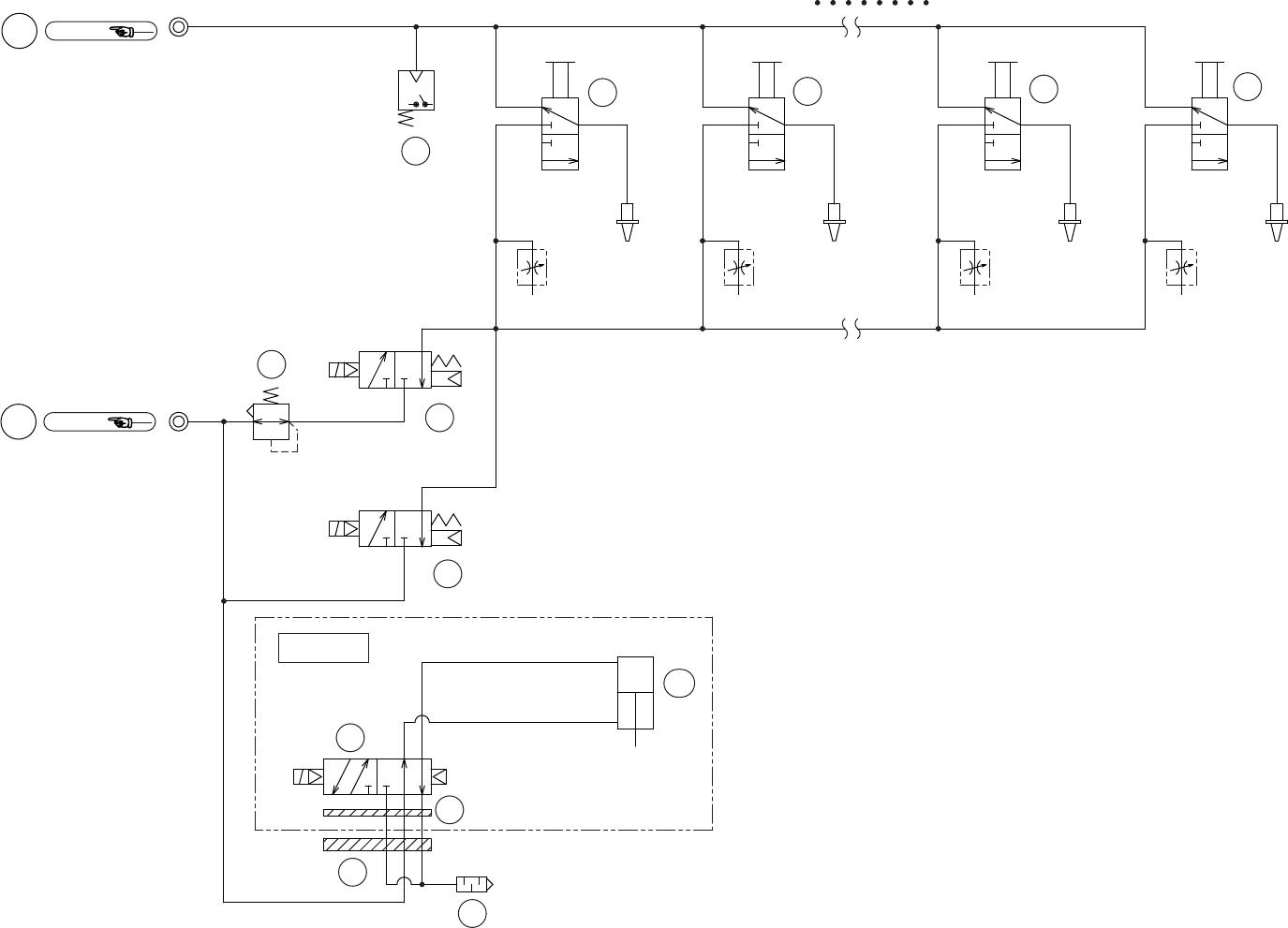
H12S HEAD 3/3 H12S ヘッド 3/3 UH01527 No. Drg.No. & Code No. QTY Description Rating Materials Remarks 番号 図番 & コード番号 個 数 品名 規格 材質 備考 1 XB03330 2 VALVE, SOL バルブ SOL OT 2 XB00763 1 VALVE, PRESSURE REDUCING バルブ 減圧 OT 3…

ࣀࢬࣝࢡ࣮ࣜࢽࣥࢢ
┿✵◚ቯ
㈇ᅽ
┿✵࣏ࣥࣉࡼࡾ
12==/( 12==/( 12==/( 12==/(
>$@ >%@ >.@ >/@
237,21
⮬ືࣂࢵࢡࢵࣉࣆࣥᶵ⬟
%
$
1HJSUHVV
)URP9DFXXPSXPS
$LUEORZ
1R]]OHFOHDQLQJ
$XWREDFNXSSLQHTXLSPHQW
3RVSUHVV
ṇᅽ
.3D
Ref.BED
Ref.BED
a1a1
a2a2
+6࣊ࢵࢻ
+6+($'
UH01527
112
PTS-NXT2-04JE Vol.1

H12S HEAD 3/3
H12S ヘッド 3/3 UH01527
No. Drg.No. & Code No. QTY Description Rating Materials Remarks
番号 図番 & コード番号 個数 品名 規格 材質 備考
1 XB03330 2 VALVE, SOL バルブ SOL OT
2 XB00763 1 VALVE, PRESSURE REDUCING バルブ 減圧 OT
3 XS03692 12 SPOOL スプール OT
5 S1058B 1 SILENCER サイレンサ AN120-M3 OT
6 H3176D 1 PLATE プレート SYJ3000-21-2A OT
7 XS00842 1 SENSOR, PRESSURE センサ 圧力 OT
8 PJ06032 1 PLATE, ACRYLIC プレート アクリル OT
9 H1122D 1 VALVE, SOL バルブ SOL SYJ3140-5M0U OT
10 XS01843 1 CYLINDER シリン
ダ
OT
113
PTS-NXT2-04JE Vol.1

49
25
30
29
28
35
34
18
19
19.1
20
21
22
24
23
8
9
10
11
5
3
7
6
25.1
26
27
45
47
48
46
1
31
32
33
37
41
40
42
43
+6+($'$872%$&.833,1(48,30(17
+6࣊ࢵࢻ⮬ືࣂࢵࢡࢵࣉࣆࣥᶵ⬟
AA3KN08
114
PTS-NXT2-04JE Vol.1